Запчасти Case W26B (262) - L42822 STEERING CONTROL VALVE (05) - STEERING

Схема запчастей Case W26B - (262) - L42822 STEERING CONTROL VALVE (05) - STEERING
FIT
1:1
100%

Артикул

Название

Примечание

Количество

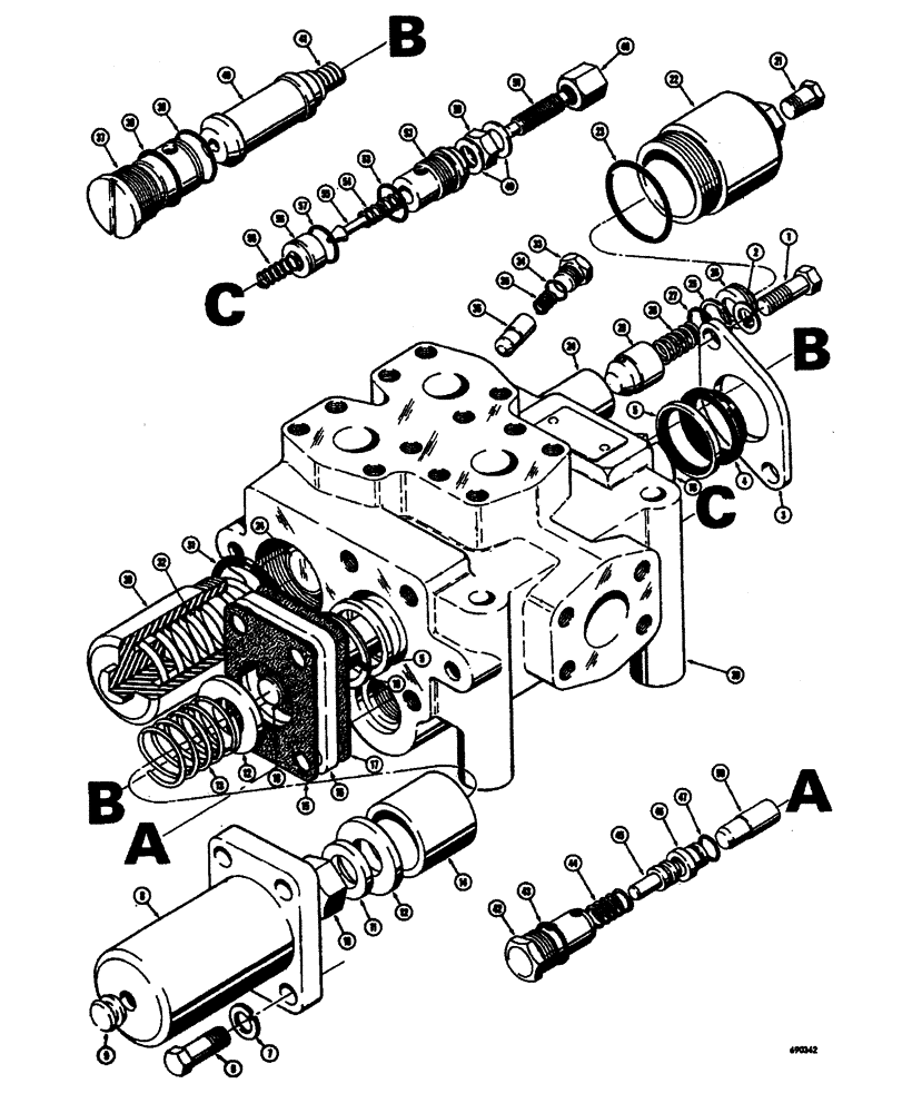
L42822

LOCK VALVE

VALVE - steering control, Includes: Ref. 1 - 59

1шт.

1

13-614

BOLT,Hex, 3/8" - 16 x 7/8", Gr 5, Full Thd

2шт.

2

92-6

LOCK WASHER,3/8"

2шт.

3

L32255

RETAINER

- wiper

1шт.

4

L32210

SEAL ASSY.

WIPER - spool

1шт.

5

L31751

SEAL

SEAL - spool

2шт.

6

61-624

HEX SOC SCREW,3/8"-16 x 1 1/2"

SCREW - hex. socket head, 3/8" - 16 NC x 1-1/2"

4шт.

7

92-6

LOCK WASHER,3/8"

4шт.

8

L32273

COVER - spool

1шт.

9

L31734

PLUG

- plunger bleeder

1шт.

10

25-1512

JAM NUT,Jam, 3/4"-10, G5

- hex, jam (3/4" - 16 NF)

1шт.

11

L32272

WASHER - special

1шт.

13

L32723

SPRING - return

1шт.

14

D72742

SLEEVE

- spring

1шт.

15

L32266

SHIM

- plunger, .002" (0.05 mm)

1шт.

15

L32268

SHIM

- plunger, .005" (0.12 mm)

1шт.

15

L32267

SHIM

- plunger, .010" (0.25 mm)

1шт.

16

L32265

SPACER - plunger

1шт.

17

L32264

SHIM

- plunger, .002" (0.05 mm)

1шт.

17

L32260

SHIM

- plunger, .005" (0.12 mm)

1шт.

17

L32261

SHIM

- plunger, .010" (0.25 mm)

1шт.

17

L32262

SHIM

- plunger, .020 (0.5 mm)

1шт.

17

L32263

SHIM

- plunger, .025 (0.63 mm)

1шт.

18

NSS

NOT SOLD SEPARAT

PLUNGER - steering valve

1шт.

19

L31757

RING

- backup

1шт.

20

NSS

NOT SOLD SEPARAT

BODY - steering valve

1шт.

21

L31759

PLUG - lock plunger

1шт.

22

L32274

CYLINDER END CAP

CAP - lock plunger

1шт.

23

L32275

SEAL ASSY.

SEAL - ring

1шт.

24

NSS

NOT SOLD SEPARAT

SPOOL - lock

1шт.

25

D28157

SNAP RING,0.875", Int, #87

Ring, Snap, 0.875", Int, #87

2шт.

26

L32279

PLUG

- spool

2шт.

27

L32280

O-RING,0.674" ID x 0.88" OD

SEAL - "O" ring

2шт.

28

L32281

OIL SEAL

SPRING - spool

2шт.

29

L32278

PULLEY

CHECK - spool

2шт.

30

L32283

CYLINDER END CAP

CAP - lock

1шт.

31

L32275

SEAL ASSY.

RING - seal

1шт.

32

L32282

VALVE SPRING

SPRING - lock

1шт.

33

L32284

CYLINDER END CAP

PLUG - check

1шт.

34

L32285

O-RING

RING - seal

1шт.

35

L31742

VALVE SPRING

SPRING - check

1шт.

36

L72743

CHECK - valve

1шт.

37

L32286

SEAT - relief

2шт.

38

L32276

SEALING RING

RING - seal

2шт.

39

L32287

O-RING

SEAL - "O" ring

2шт.

40

L32249

VALVE - relief

2шт.

41

D72744

SPRING

- relief

2шт.

42

L32289

CYLINDER END CAP

CAP - relief

1шт.

43

D24764

SNAP RING

SEAL - "O" ring

1шт.

44

L32290

LOCK VALVE

SPRING - relief

1шт.

45

L32291

VALVE

CHECK - valve

1шт.

46

L32292

SEAT - relief

1шт.

47

L32293

O-RING

SEAL - O ring (If used)

1шт.

48

L32299

NUT

- special

1шт.

49

D26763

WASHER

- special

2шт.

50

25158

SEAL

NUT - jam, special

1шт.

51

L32298

ADJUSTMENT SCREW,1/2" - 20 x 1.50"

- adjusting, special

1шт.

52

L32297

CAP

- adjusting

1шт.

53

F62075

O-RING,0.139" Thk x 0.734" ID, -210, Cl 5, 75 Duro

SEAL - O-ring

1шт.

54

D24763

SPRING

- relief

1шт.

55

D24762

VALVE

POPPET - relief

1шт.

56

L32296

SEAT

- relief

1шт.

57

L31756

O-RING,0.612" ID x 0.818" OD x 0.103"

SEAL - O ring

1шт.

58

L32295

VALVE SPRING

SPRING - valve

1шт.

59

D72745

VALVE

CHECK - valve

1шт.

Выбрано товаров: 65