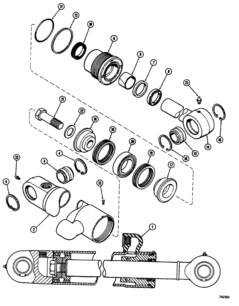
Запчасти Case W26B (270) - G33605 AND G33606 STEERING CYLINDERS, GLAND IS STAMPED WITH CYLINDER PART NUMBER (05) - STEERING

Схема запчастей Case W26B - (270) - G33605 AND G33606 STEERING CYLINDERS, GLAND IS STAMPED WITH CYLINDER PART NUMBER (05) - STEERING
12
23
16
9
13
8
6
1
11
28
19
21
22
16
3
7
14
19
18
4
15
4
18
17
2
23
FIT
1:1
100%

Артикул

Название

Примечание

Количество

1

G33605

CYLINDER

ASSEMBLY - steering, L.H. 3-1/2" dia. x 21-1/4' stroke (88 mm dia. x 539 mm stroke), Includes: Ref. 2 - 23

1шт.

1

G33606

CYLINDER

ASSEMBLY - steering, R.H., 3-1/2" dia. x 21-1/4" stroke (88 mm dia. x 539 mm stroke), Includes: Ref. 2 - 23

1шт.

2

D49303

TUBE ASSY. - cylinder body, left hand, Includes: Ref. 3 and 4

1шт.

2

D49304

TUBE ASSY. - cylinder body, right hand, Includes: Ref. 3 and 4

1шт.

3

L12570

BUSHING

- tube (self-aligning)

1шт.

4

L12571

SNAP RING,#218, 2.321", Int, Spiral

RING - snap, bushing retaining

2шт.

G34629

GLAND

ASSEMBLY, Includes: Ref. 6 - 12

1шт.

6

NSS

NOT SOLD SEPARAT

GLAND

1шт.

7

NSS

NOT SOLD SEPARAT

RING - center bearing

1шт.

8

D95144

WIPER SEAL,50.77mm ID x 63.52mm OD x 7.92mm Thk

Wiper - piston rod, outer

1шт.

Part of Seal Kit, P/N G34651

1шт.

9

G34322

BEARING

RING - center bearing

1шт.

Part of Seal Kit, P/N G34651

1шт.

10

D36971

RING

SEAL - piston rod

1шт.

Part of Seal Kit, P/N G34651

1шт.

11

G15457

O-RING,0.139" Thk x 3.484" ID, -238, Cl 5, 75 Duro

0-RING - gland

1шт.

Part of Seal Kit, P/N G34651

1шт.

12

G32126

BACK-UP RING,89.28mm ID x 95.38mm OD x 1.4mm Thk

- gland "0" ring back-up

1шт.

Part of Seal Kit, P/N G34651

1шт.

13

187-1031

SELF-TAP SCREW,Pan, 0.164"-32 x 1/4"

SCREW - gland lock (#8-32 x 1/4" self tapping)

1шт.

14

G33607

ROD

ASSEMBLY - piston, 2" dia. (50 mm), Includes: Ref. 15 and 16

1шт.

15

L12570

BUSHING

- piston rod (self-aligning)

1шт.

16

L12571

SNAP RING,#218, 2.321", Int, Spiral

RING - snap, bushing retaining

2шт.

17

G33167

PISTON

- split (rod end)

1шт.

18

D28367

PISTON

- split (bolt end)

1шт.

19

D47203

PACKING,76.07mm ID x 88.77mm OD x 29.18mm Thk

ASSY. - piston ("V" type)

2шт.

Part of Seal Kit, P/N G34651

1шт.

20

D47208

RING

- center bearing

1шт.

21

28-1640

BOLT,Hex, 1" - 14 x 2-1/2", Gr 8

Piston Hex, 1"-14 x 2 1/2", G8, Full Thd

1шт.

22

G32303

WASHER,26.97mm ID x 47.63mm OD x 3.58mm Thk

- hardened

1шт.

23

219-1

LUBE NIPPLE,1/8" - 27 NPTF

FITTING - grease (1/8" P.T., str.)

2шт.

G34651

SEAL

KIT - cylinder repair, Includes: Ref. 8 - 12 and 19

1шт.

G100778

SEAL

- piston rod (Service option, extreme heat or cold)

1шт.

Выбрано товаров: 33