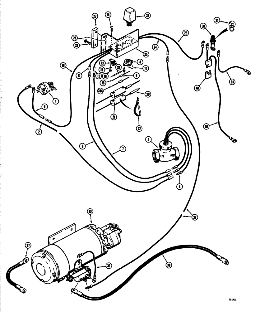
Запчасти Case W26B (384) - EMERGENCY STEERING ELECTRICAL SYSTEM (05) - STEERING

Схема запчастей Case W26B - (384) - EMERGENCY STEERING ELECTRICAL SYSTEM (05) - STEERING
24
18
11
21
5
7
6
25
17
10
36
9
22
23
2
31
15
20
35
16
30
1
14
20
12
33
8
37
3
24a
40
38
34
39
13
29
4
26
28
27
FIT
1:1
100%

Артикул

Название

Примечание

Количество

1

L17820

SWITCH

- ignition

1шт.

2

L59807

WIRE - ignition switch to flow switch

1шт.

3

L58400

PRESSURE SWITCH

SWITCH - flow control, Includes: Ref. 4

1шт.

4

L10051

TERMINAL CONNECTOR,Male

BULLET - Male

3шт.

5

L71398

WIRE - ignition switch to relay assembly

1шт.

6

L59809

WIRE - relay assembly to flow switch

1шт.

7

L59808

WIRE - relay to flow control switch

1шт.

L58968

SOCKET

ASSEMBLY - relay, Includes: Ref. 8 - 25

1шт.

8

L57132

SOCKET

- relay

2шт.

9

151-526

RIVET,Pop, 1/8" x .337"

4шт.

10

L57997

ELECTRICAL WIRE

WIRE - ignition to relay (Terminal 1 on relay)

1шт.

11

L57995

ELECTRICAL WIRE

WIRE - flow switch to relay (Terminal 2 on relay)

1шт.

12

L57996

ELECTRICAL WIRE

WIRE - flow switch to relay (Terminal 6 on relay)

1шт.

13

L70803

CLAMP

- wire

2шт.

14

169-77

SCREW - #8 - 32 NC x 1/2"

2шт.

15

192-6

LOCK WASHER,#8

WASHER, LOCK, #8

2шт.

16

129-6

NUT,#8-32

2шт.

17

L70845

ELECTRICAL WIRE

WIRE - ground

2шт.

18

L70786

RESISTOR

- 47 ohm, 1/2 watt (Termnal 8 to terminal 3)

1шт.

19

L57998

ELECTRICAL WIRE

WIRE - relay to relay (Terminal 1 to terminal 1)

1шт.

20

223-126

SLEEVE

- shrinkable tubing

1шт.

21

L72299

CAPACITOR

- 1000 MFD, 50 volt

1шт.

22

L11541

CABLE TIE,203.2mm L, Nylon

STRAP - wire harness

1шт.

23

L58971

ELECTRICAL WIRE

WIRE - indicator light to relay (Terminal 6)

1шт.

24

L70804

ELECTRICAL WIRE

WIRE - emergency steering pump to relay (Terminal 6)

1шт.

24a

L72692

RESISTOR

- 390 ohm

1шт.

25

L70807

BRACKET

- relay

1шт.

26

L58331

RELAY

- emergency steering

2шт.

27

L10946

PAD - relay assembly mounting

1шт.

28

13-48

BOLT,Hex, 1/4" - 20 x 1/2", Gr 5

2шт.

29

92-4

LOCK WASHER,1/4"

WASHER, LOCK, 1/4"

2шт.

30

L47161

LAMP BASE

SOCKET - indicating light

1шт.

31

P0732978Q

SCREW

BULB - indicating light, #1543

1шт.

32

321-3034

DECAL - emergency steering (Not shown)

1шт.

33

L71415

ELECTRICAL WIRE

WIRE - ground

1шт.

34

L58424

ELECTRICAL WIRE

WIRE - relay assembly to solenoid of emergency steering pump and motor

1шт.

35

L70813

HYDRAULIC STEERING

PUMP AND MOTOR - emergency steering (Parts list figure 386)

1шт.

36

L11780

ELECTRICAL WIRE

WIRE - solenoid ground

1шт.

37

L57536

CABLE

- emergency steering motor ground

1шт.

38

L52371

CABLE - engine starter positive terminal to emergency steering motor solenoid

1шт.

39

L72598

ELECTRICAL WIRE

WIRE - emergency steering, Serial Range: light-buzzer

1шт.

40

L11760

DIODE

- light protecting

1шт.

Выбрано товаров: 42