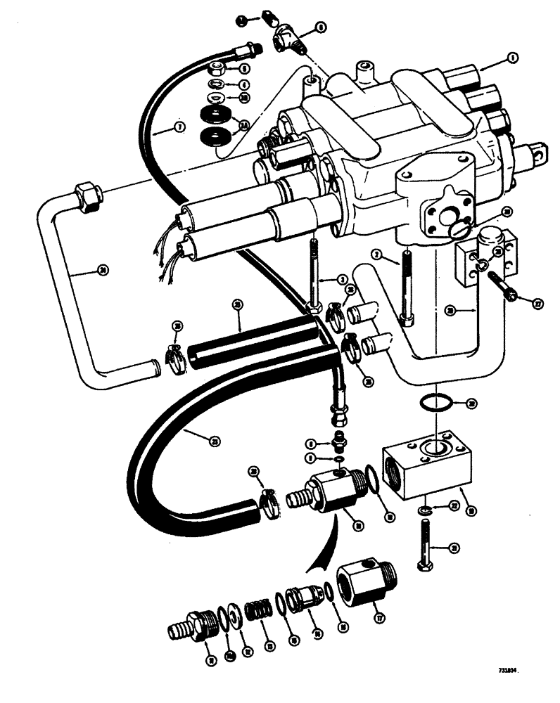
Запчасти Case W26B (390) - D71479 EMERGENCY STEERING MOTOR (05) - STEERING

Схема запчастей Case W26B - (390) - D71479 EMERGENCY STEERING MOTOR (05) - STEERING
16
7
12
11a
3a
30
10
13
3b
1
26
11
3
27
24
8
9
26
2
5
28
17
26
4
26
18
6
22
23
25
14
6a
16
21
19
20
FIT
1:1
100%

Артикул

Название

Примечание

Количество

1

REF

INSTRUCTION

VALVE - hydraulic, loader control (See figures 434 - 438 for proper valve)

1шт.

2

61-896

CAP SCREW - hex. socket head (1/2" - 13 NC x 6")

2шт.

3

13-896

BOLT,Hex, 1/2" - 13 x 6", Gr 5

2шт.

3a

L57117

WASHER

- rubber, valve mounting

8шт.

3b

95-8

WASHER,1/2"

plain 1/2"

4шт.

4

92-8

LOCK WASHER,1/2"

4шт.

5

25-108

NUT,1/2"-13, G5

- hex. (1/2" - 13 NC)

4шт.

6

221-691

TEE

- street (1/4" NPT)

1шт.

6a

221-12

PLUG,Sq Hd, 1/4"-18

- pipe, 1/4" NPT

1шт.

7

L45851

HOSE - high pressure carry-over, 36-1/2" long (927 mm)

1шт.

8

218-5053

HYD CONNECTOR,7/16" - 20 JIC x 7/16" - 20 ORB

CONNECTOR - straight, male, Incl. Ref. 9

1шт.

9

218-5003

O-RING,0.072" Thk x 0.351" ID, -904, Cl 6, 90 Duro

SEAL - "O" ring

1шт.

10

L45278

VALVE

- check, regeneration (When stock is exhausted, order L47380 check valve, listed figure 392), Includes: Ref. 11 - 18

1шт.

11

217-173

FITTING,1" Hose Barb x 1-5/8" - 12 Male ORB

Check valve to manifold hose, Includes Ref. 11A 1" Hose x 1 5/8"-12 ORB, Beaded

1шт.

11a

218-5010

O-RING,0.116" Thk x 1.171" ID, -916, Cl 6, 90 Duro

SEAL - "O" ring

1шт.

12

L33124

WASHER - spring retainer

1шт.

13

L33125

SPRING - poppet

1шт.

14

L33126

POPPET - valve

1шт.

15

L33129

O-RING,1.109" ID x 1.387" OD x 0.139"

SEAL - "O" ring, poppet (Large)

1шт.

16

L33128

O-RING,0.984" ID x 0.139" Width

SEAL - "O" ring, poppet (Small)

1шт.

17

L32876

BODY - valve

1шт.

18

218-5011

O-RING,0.118" Thk x 1.475" ID, -920, Cl 6, 90 Duro

SEAL - "O" ring, check valve body to block

1шт.

19

L46046

BLOCK - mounting, regeneration valve to loader valve

1шт.

20

A7156

O-RING,0.139" Thk x 1.734" ID, -224, Cl 6, 90 Duro

SEAL - "O" ring, block to loader valve

1шт.

21

13-852

BOLT,Hex, 1/2" - 13 x 3-1/4", Gr 5

4шт.

22

92-8

LOCK WASHER,1/2"

4шт.

23

L45763

HOSE ASSY.

HOSE - return, check valve to manifold (When stock is exhausted, order L50030 hose for service)

1шт.

23

L50030

LARGE HOSE

HOSE - return, check, Serial Range: valve-manifold

1шт.

24

L46509

TUBE

- return, main relief to manifold, Serial Range: -9107495

1шт.

24

L50586

TUBE,1" OD

- return, main relief to manifold, on tractors with solenoid detented loader control valve, Start Serial: 9107495

1шт.

25

L46502

HOSE

- return, main relief to manifold (When stock is exhausted, order L48177 hose for service)

1шт.

25

L48177

HOSE

- return, main, Serial Range: relief-manifold

1шт.

26

214-258

HOSE CLAMP,#28, 1.31" - 2.25", Type F Worm

manifold #28, 1.31/2.25 Type F Worm

4шт.

27

61-832

HEX SOC SCREW,1/2"-13 x 2"

CAP SCREW - hex. socket head (1/2" - 13 NC x 2")

4шт.

28

92-8

LOCK WASHER,1/2"

4шт.

29

L46045

TUBE - manifold, valve, Serial Range: return-reservoir

1шт.

30

A14515

O-RING,0.139" Thk x 1.859" ID, -225, Cl 5, 75 Duro

SEAL - "O" ring

1шт.

Выбрано товаров: 37