Запчасти Case W26B (126) - TRANSMISSION, A12713 TRANSMISSION AND TORQUE CONVERTER CHARGING PUMP (06) - POWER TRAIN

Схема запчастей Case W26B - (126) - TRANSMISSION, A12713 TRANSMISSION AND TORQUE CONVERTER CHARGING PUMP (06) - POWER TRAIN
FIT
1:1
100%

Артикул

Название

Примечание

Количество

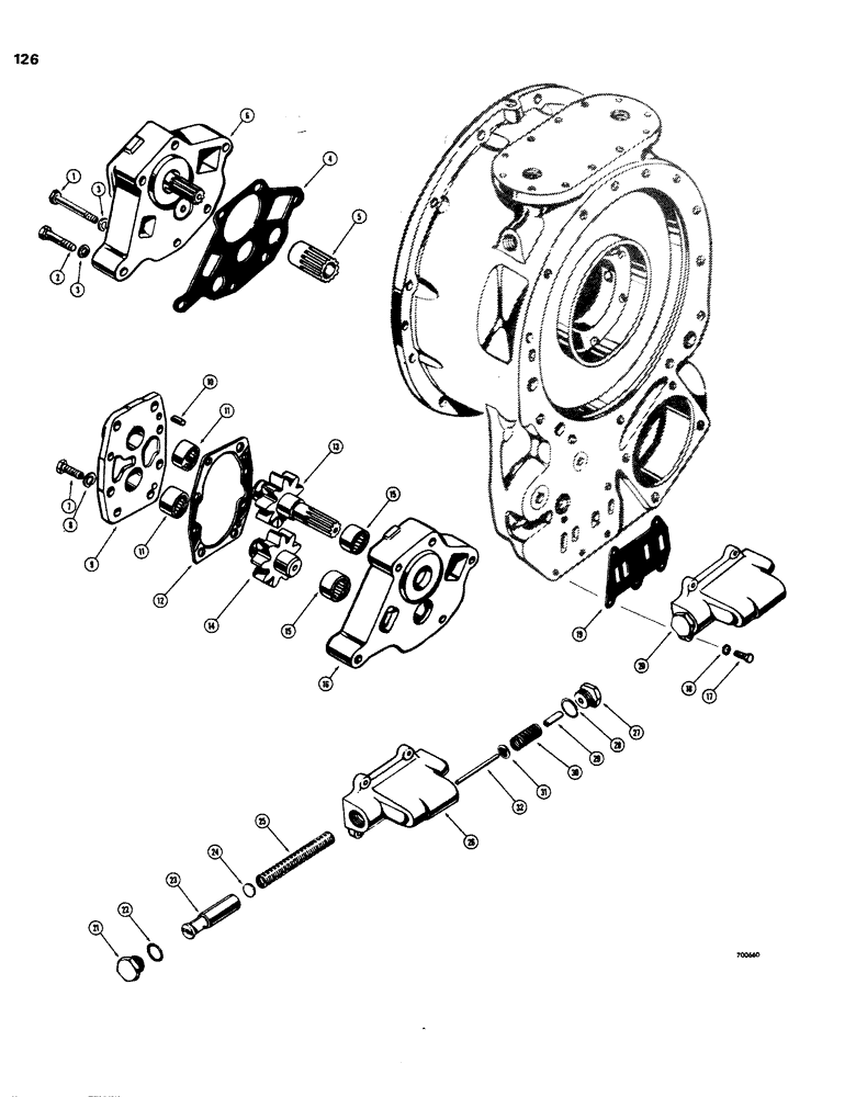
L40100

TRANSMISSION

ASSEMBLY - complete (Before tractor Sn. 9116327), Includes: Ref. 1 - 32

1шт.

L55659

TRANSMISSION

ASSEMBLY - complete (Tractor Sn. 9116327 thru 9123822, Includes: Ref. 1 - 32

1шт.

L73758

CONVERTER

TRANSMISSION ASSEMBLY - complete. tractor Sn. 9123822 and after, Includes: Ref. 1 - 32

1шт.

1

13-636

BOLT,Hex, 3/8" - 16 x 2-1/4", Gr 5

2шт.

2

13-644

BOLT,Hex, 3/8" - 16 x 2-3/4", Gr 5

HHCS - 3/8" - 16 NC x 2-3/4"

4шт.

3

92-6

LOCK WASHER,3/8"

6шт.

4

A12696

GASKET

- pump body to converter housing

1шт.

5

L30304

COUPLING

- pump drive

1шт.

6

A12713

PUMP

ASSEMBLY - transmission and torque converter charging, Includes: Ref. 7 - 16

1шт.

7

13-616

BOLT,Hex, 3/8" - 16 x 1", Gr 5, Full Thd

4шт.

8

92-6

LOCK WASHER,3/8"

4шт.

A12706

COVER ASSEMBLY - pump, Includes: Ref. 9 - 11

1шт.

9

NSS

NOT SOLD SEPARAT

COVER - pump

1шт.

10

NSS

NOT SOLD SEPARAT

PIN - dowel

2шт.

11

A12652

NEEDLE BEARING,1" ID x 1.251" OD x 0.75"

BEARING - cover, needle type

2шт.

12

A12752

RIGID TUBE

GASKET - pump, Serial Range: cover-housing

1шт.

13

A12711

GEAR - drive

1шт.

14

A12710

GEAR - dirven

1шт.

NSS

NOT SOLD SEPARAT

HOUSING ASSEMBLY - pump (Use A12713), Includes: Ref. 15 and 16

1шт.

15

A12652

NEEDLE BEARING,1" ID x 1.251" OD x 0.75"

BEARING - housing

2шт.

16

NSS

NOT SOLD SEPARAT

HOUSING - pump

1шт.

17

13-620

BOLT,Hex, 3/8" - 16 x 1-1/4", Gr 5, Full Thd

Transmission, L32814 pressure regulating valve Hex, 3/8"-16 x 1 1/4", G5, Full Thd

5шт.

18

92-6

LOCK WASHER,3/8"

transmission, L32814 pressure regulating valve 3/8"

5шт.

19

A12720

GASKET

- regulator valve to torque converter housing, transmission, L32814 pressure regulating

1шт.

20

L32814

VALVE ASSEMBLY - pressure regulating, transmission, L32814, Includes: Ref. 21 - 32

1шт.

21

A12701

PLUG

- special, valve housing, transmission, L32814 pressure regulating

1шт.

22

A12651

GASKET - plug, transmission, L32814 pressure regulating valve

1шт.

23

A16778

VALVE

SPOOL - valve, transmission, L32814 pressure regulating

1шт.

24

A15152

SHIM

- pressure regulating, transmission, L32814 valve

1шт.

25

L32815

SPRING - pressure regulating, long, transmission, L32814 valve

1шт.

26

A16779

HOUSING - pressure regulating valve, transmission, L32814

1шт.

27

A12701

PLUG

- special, valve housing, transmission, L32814 pressure regulating

1шт.

28

A12651

GASKET - plug, transmission, L32814 pressure regulating valve

1шт.

29

A16986

TUBE - spring guide, transmission, L32814 pressure regulating valve

1шт.

30

A16985

VALVE SPRING

SPRING - pressure regulating, short, transmission, L32814 valve

1шт.

31

A16984

LOCK VALVE

VALVE - pressure relief, transmission, L32814 regulating

1шт.

32

A16983

PIN - valve guide, transmission, L32814 pressure regulating

1шт.

Выбрано товаров: 37