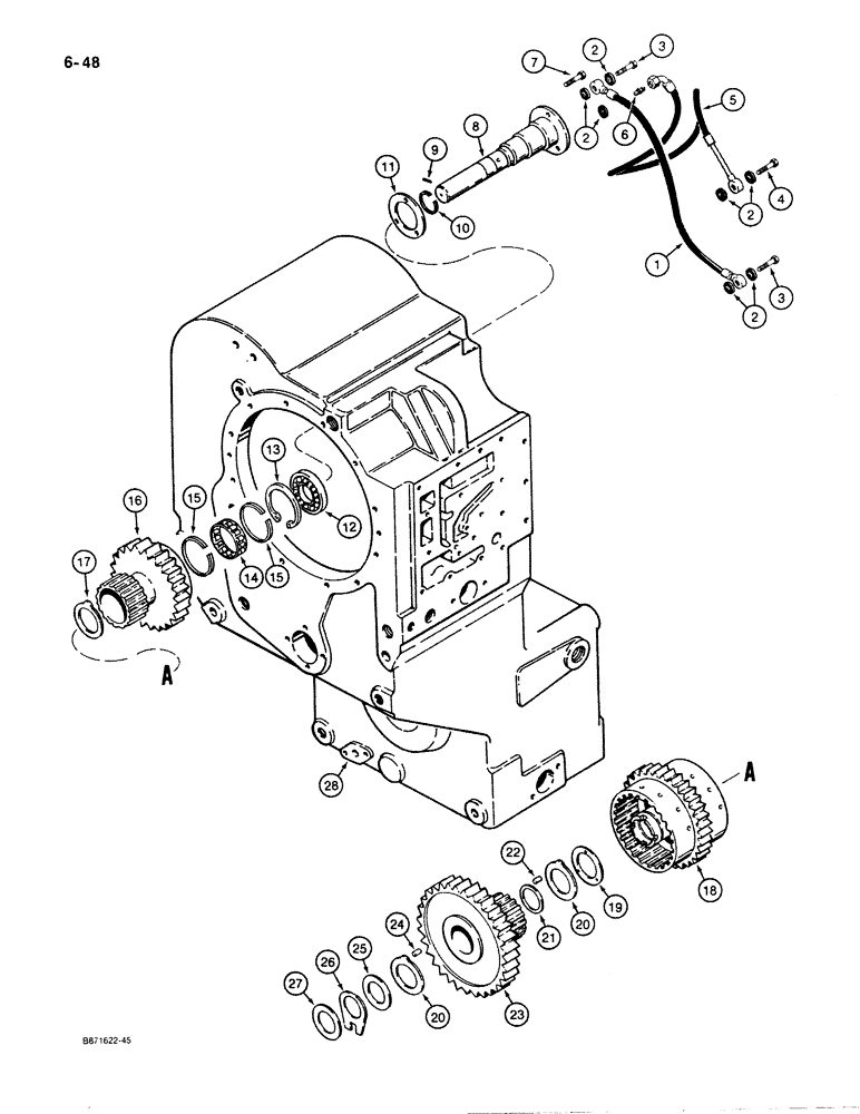
Запчасти Case W30 (6-48) - ZF TRANSMISSION, FORWARD AND LOW CLUTCHES (06) - POWER TRAIN

Схема запчастей Case W30 - (6-48) - ZF TRANSMISSION, FORWARD AND LOW CLUTCHES (06) - POWER TRAIN
FIT
1:1
100%

Артикул

Название

Примечание

Количество

L116979

TRANSMISSION

ASSEMBLY - ZF No. 4644-004-095, see Figures 6-36 through 6-60

1шт.

1

E135162

HOSE

- forward clutch, 516 mm long

1шт.

2

E135038

SEAL

- oil, 16 mm ID x 22 mm OD x 1.5 mm

7шт.

3

E135089

BOLT

CONNECTOR - hose, hex head, forward clutch

2шт.

4

E135149

BOLT

CONNECTER - low clutch hose,hex head

1шт.

5

E135161

HOSE

- low clutch, 818 mm long

1шт.

6

E135091

FITTING

CONNECTER - low clutch hose, axle end

1шт.

7

826-8020

BOLT,Hex, M8 x 1.25 x 20mm, Cl 10.9, Full Thd

- hex head, 8 mm - 1.25 x 20 mm (10.9)

3шт.

E135241

KIT

AXLE ASSEMBLY - forward and low clutches

1шт.

8

NSS

NOT SOLD SEPARAT

AXLE - forward and low clutches

1шт.

9

E135023

DOWEL

PIN - roll, 2.5 mm OD X 10 mm

5шт.

10

E135145

RING,35.2mm ID x 38mm OD x 2mm Thk

- piston, axle shaft

3шт.

11

E135223

GASKET

- axle

1шт.

12

L33515

BALL BEARING

BEARING - ball, 45 mm ID x 75 mm OD x 16 mm

1шт.

13

K24302

RING, SNAP

SNAP RING - internal

1шт.

14

E135148

ROLLER CAGE BEARING,45mm ID x 75mm OD x 28mm W

BEARING - roller

1шт.

15

E135002

PISTON RING,69.6mm ID x 75.8mm OD x 3mm Thk

RING - retaining, internal, bearing

2шт.

16

E135270

GEAR

- low

1шт.

17

E135117

WASHER, THRUST

WASHER - thrust, tabbed

1шт.

18

NSS

NOT SOLD SEPARAT

CLUTCH PACK - low and forward, see Figure 6-50 for components

1шт.

19

E135123

WASHER, THRUST

WASHER - thrust, 35 mm ID x 65 mm OD x 1.5 mm

1шт.

20

E135267

WASHER, THRUST

WASHER - thrust, tabbed

2шт.

21

E135268

WASHER

- 48 mm ID x 54.7 mm OD x 0.8 mm

1шт.

22

E135156

ROLLER

BEARING - needle, 10 mm OD x 17mm long

14шт.

23

E135269

GEAR

- forward

1шт.

24

E135157

ROLLER BEARING

BEARING - needle, 10 mm OD x 20mm long

14шт.

25

E135120

WASHER

- thrust, 35 mm ID x 70 mm OD x 1.5 mm

1шт.

26

E135203

WASHER, THRUST

WASHER - thrust, notched

1шт.

27

E135097

SHIM,35.1mm ID x 70mm OD x 0.2mm Thk

(35.1 mm ID x 70 mm OD) 0.2mm Thk

1шт.

27

E135098

SHIM,0.4mm Thk

(35.1 mm ID x 70 mm OD) 0.4mm Thk

1шт.

27

E135099

SHIM,0.6mm Thk

(35.1 mm ID x 70 mm OD) 0.6mm Thk

1шт.

27

E135100

SHIM,35.1mm ID x 70mm OD x 0.8mm Thk

(35.1 mm ID x 70 mm OD) 0.8mm Thk

1шт.

27

E135101

SHIM,1.0mm Thk

(35.1 mm ID x 70 mm OD) 1.0mm Thk

1шт.

27

E135102

SHIM,1.2mm Thk

(35.1 mm ID x 70 mm OD) 1.2mm Thk

1шт.

27

E135103

SHIM,1.4mm Thk

(35.1 mm ID x 70 mm OD) 1.4mm Thk

1шт.

27

E135104

SHIM,1.6mm Thk

(35.1 mm ID x 70 mm OD) 1.6mm Thk

1шт.

27

E135105

SHIM,1.8mm Thk

(35.1 mm ID x 70 mm OD) 1.8mm Thk

1шт.

27

E135106

SHIM,2.0mm Thk

(35.1 mm ID x 70 mm OD) 2.0mm Thk

1шт.

27

E135107

SHIM,2.2mm Thk

(35.1 mm ID x 70 mm OD) 2.2mm Thk

1шт.

27

E135108

SHIM,2.4mm Thk

(35.1 mm ID x 70 mm OD) 2.4mm Thk

1шт.

27

E135109

SHIM,2.6mm Thk

(35.1 mm ID x 70 mm OD) 2.6mm Thk

1шт.

27

E135110

SHIM,2.8mm Thk

(35.1 mm ID x 70 mm OD) 2.8mm Thk

1шт.

28

E135249

HOUSING

- transmission

1шт.

Выбрано товаров: 43