Запчасти Case W30 (6-56) - ZF TRANSMISSION, THIRD AND FOURTH CLUTCHES (06) - POWER TRAIN

Схема запчастей Case W30 - (6-56) - ZF TRANSMISSION, THIRD AND FOURTH CLUTCHES (06) - POWER TRAIN
FIT
1:1
100%

Артикул

Название

Примечание

Количество

L116979

TRANSMISSION

ASSEMBLY - ZF No. 4644-004-095, see Figures 6-36 through 6-60

1шт.

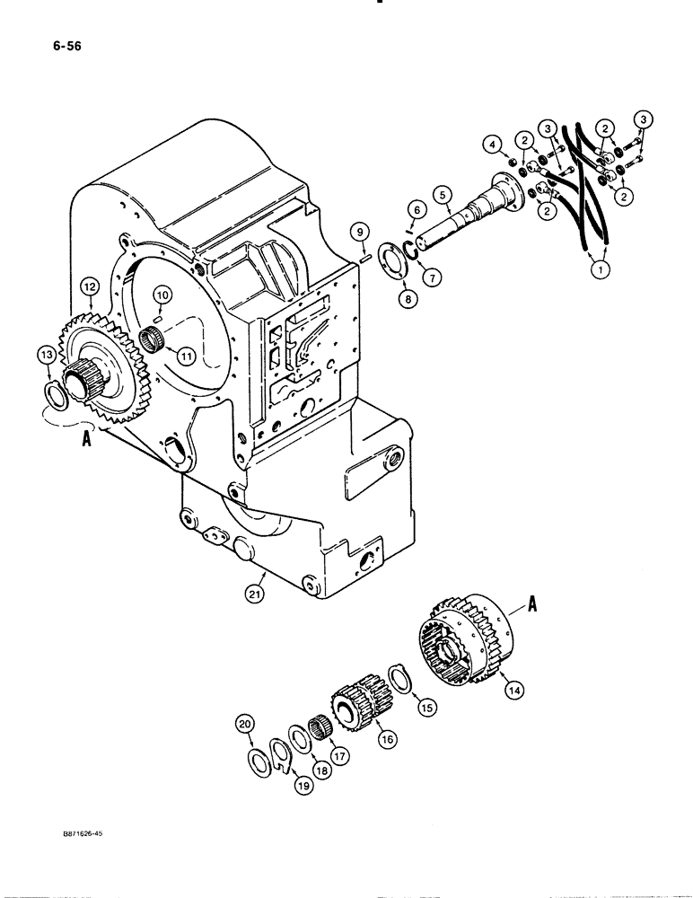
1

E135162

HOSE

- third and fourth clutches, 516 mm long

2шт.

2

E135038

SEAL

- oil, 16 mm ID x 22 mm OD x 1.5 mm

8шт.

3

E135089

BOLT

CONNECTOR - hose, hex head

4шт.

4

825-1408

NUT,M8, Cl 8

3шт.

E135243

KIT

AXLE ASSEMBLY - third and fourth clutches

1шт.

5

NSS

NOT SOLD SEPARAT

AXLE - third and fourth clutches

1шт.

6

E135023

DOWEL

PIN - roll, 2.5 mm OD x 10 mm

3шт.

7

E135145

RING,35.2mm ID x 38mm OD x 2mm Thk

- piston, axle shaft

3шт.

8

E135223

GASKET

- axle

1шт.

Ref #8 - Used on early production units.

1шт.

Ref #8A - S300460 O-Ring used on later units.

1шт.

9

E135084

STUD

- 8 mm - 1.25 x 18 mm

3шт.

10

E135158

BEARING, ROLLER, CYL,Needle, 15.6mm OD x 31mm L

BEARING - needle, 15.6 mm OD x 31mm

12шт.

11

E135152

NEEDLE BEARING CAGE,45mm ID x 53mm OD x 27.8mm W

BEARING - roller, 45 mm ID x 53mm OD x 27.8mm

1шт.

12

E135275

GEAR

- third

1шт.

13

E135121

WASHER, THRUST

WASHER - thrust,tabbed

1шт.

14

NSS

NOT SOLD SEPARAT

CLUTCH PACK - third and fourth, see Figure 6-58 for components

1шт.

15

E135122

WASHER, THRUST

WASHER - thrust, tabbed

1шт.

16

E135263

GEAR

- fourth

1шт.

17

E135147

NEEDLE BEARING CAGE,35mm ID x 50.1mm OD x 30.4mm W

BEARING - roller, 35mm ID x 50.1mm OD x 30.4mm

1шт.

18

E135120

WASHER

- thrust, 35mm ID x 70mm OD x 1.5mm

1шт.

19

E135203

WASHER, THRUST

WASHER - thrust, notched

1шт.

20

E135097

SHIM,35.1mm ID x 70mm OD x 0.2mm Thk

(35.1 mm ID x 70 mm OD) 0.2mm Thk

1шт.

20

E135098

SHIM,0.4mm Thk

(35.1 mm ID x 70 mm OD) 0.4mm Thk

1шт.

20

E135099

SHIM,0.6mm Thk

(35.1 mm ID x 70 mm OD) 0.6mm Thk

1шт.

20

E135100

SHIM,35.1mm ID x 70mm OD x 0.8mm Thk

(35.1 mm ID x 70 mm OD) 0.8mm Thk

1шт.

20

E135101

SHIM,1.0mm Thk

(35.1 mm ID x 70 mm OD) 1.0mm Thk

1шт.

20

E135102

SHIM,1.2mm Thk

(35.1 mm ID x 70 mm OD) 1.2mm Thk

1шт.

20

E135103

SHIM,1.4mm Thk

(35.1 mm ID x 70 mm OD) 1.4mm Thk

1шт.

20

E135104

SHIM,1.6mm Thk

(35.1 mm ID x 70 mm OD) 1.6mm Thk

1шт.

20

E135105

SHIM,1.8mm Thk

(35.1 mm ID x 70 mm OD) 1.8mm Thk

1шт.

20

E135106

SHIM,2.0mm Thk

(35.1 mm ID x 70 mm OD) 2.0mm Thk

1шт.

20

E135107

SHIM,2.2mm Thk

(35.1 mm ID x 70 mm OD) 2.2mm Thk

1шт.

20

E135108

SHIM,2.4mm Thk

(35.1 mm ID x 70 mm OD) 2.4mm Thk

1шт.

20

E135109

SHIM,2.6mm Thk

(35.1 mm ID x 70 mm OD) 2.6mm Thk

1шт.

20

E135110

SHIM,2.8mm Thk

(35.1 mm ID x 70 mm OD) 2.8mm Thk

1шт.

21

E135249

HOUSING

- transmission

1шт.

Выбрано товаров: 38