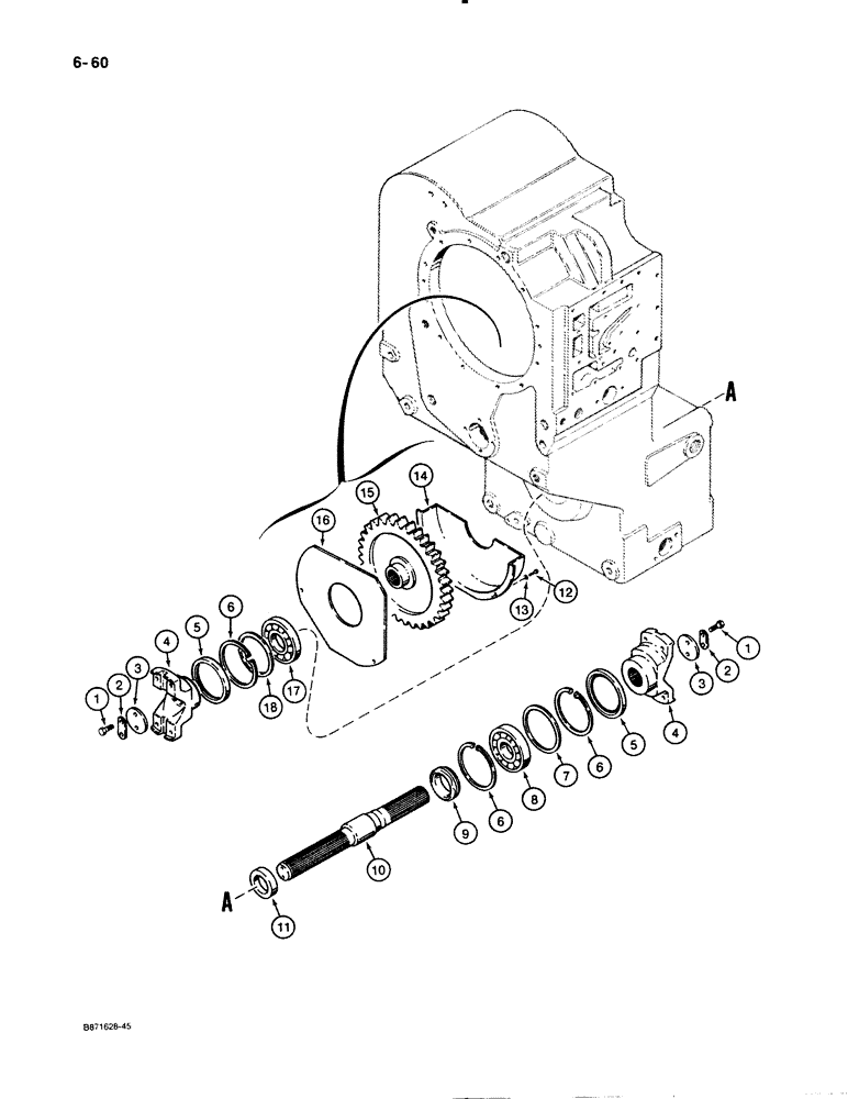
Запчасти Case W30 (6-60) - ZF TRANSMISSION, OUTPUT SHAFT AND GEAR (06) - POWER TRAIN

Схема запчастей Case W30 - (6-60) - ZF TRANSMISSION, OUTPUT SHAFT AND GEAR (06) - POWER TRAIN
FIT
1:1
100%

Артикул

Название

Примечание

Количество

L116979

TRANSMISSION

ASSEMBLY - ZF No. 4644-004-095, see Figures 6-36 through 6-60

1шт.

1

826-10030

BOLT,Hex, M10 x 1.5 x 30mm, Cl 10.9, Full Thd

- hex, M10 x 1.5 x 30 mm

4шт.

2

E135165

PLATE

WASHER - tab

2шт.

3

E135181

WASHER

PLATE - flange cover

2шт.

4

E135254

FLANGE

- output

2шт.

5

E135151

OIL SEAL

- oil, flange

2шт.

6

R32220

SNAP RING,4.331", Int, #433

Ring, Snap, 4.331", Int, #433

3шт.

7

E135096

SHIM,100mm ID x 119.8mm OD x 1.5mm Thk

Bearing 1.5mm Thk

1шт.

7

E135095

SHIM,1.6mm Thk

Bearing 1.6mm Thk

1шт.

7

E135094

SHIM,100mm ID x 119.8mm OD x 1.7mm Thk

Bearing 1.7mm Thk

1шт.

7

E135093

SHIM,100mm ID x 119.8mm OD x 1.8mm Thk

Bearing 1.8mm Thk

1шт.

8

L31494

BALL BEARING

- ball

1шт.

9

E135259

WORM

GEAR - worm

1шт.

10

E135255

SHAFT

- output

1шт.

11

E135112

BUSHING

- output shaft

1шт.

12

813-8016

BOLT,Hex, M8 x 1.25 x 16mm, Cl 8.8, Full Thd

- hex head, 8 mm - 1.25 x 16mm (8.8)

2шт.

13

895-11008

WASHER,9mm ID x 16mm OD x 1.6mm Thk

2шт.

14

E135246

GUARD

COVER - output gear

1шт.

15

E135256

PINION

GEAR - output

1шт.

16

E135245

PLATE

- output gear

1шт.

17

E135049

BEARING, ROLLER, CYL

BEARING - roller

1шт.

18

E135164

RACE

- bearing

1шт.

Выбрано товаров: 22