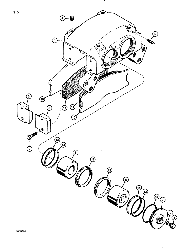
Запчасти Case W30 (7-02) - GOODYEAR BRAKE CALIPER (07) - BRAKES

Схема запчастей Case W30 - (7-02) - GOODYEAR BRAKE CALIPER (07) - BRAKES
FIT
1:1
100%

Артикул

Название

Примечание

Количество

L127645

BRAKE CALIPER

CALIPER ASSEMBLY - brake, was L108853 or L126863

2шт.

L127645R

REMAN-BRAKE ASSY.

W30

2шт.

L127645C

CORE-BRAKE ASSY.

Return Number

2шт.

1

NSS

NOT SOLD SEPARAT

BODY - caliper

1шт.

2

113-2618

BOLT,Hex, 5/8" - 11 x 1-1/2", Gr 8, Full Thd

Hex, 5/8"-11 x 1 1/2", G8

8шт.

3

N7962

PLATE

- lining retaining

4шт.

4

221-841

PLUG

- body

4шт.

5

N7966

BLEEDER

VALVE - bleeder

2шт.

6

N7963

PISTON

- brake

4шт.

7

N7965

COVER

HEAD - piston

2шт.

8

129998

PLUG,1/2" - 20 ORB

Piston Hex Hd, 1/2"-20 ORB

2шт.

S300718

SET

KIT - brake shoe and lining, was N7961

1шт.

10

NSS

NOT SOLD SEPARAT

SHOE - brake

2шт.

11

NSS

NOT SOLD SEPARAT

LINING - brake

2шт.

N7964

SEAL KIT

KIT - seal, brake caliper

1шт.

12

NSS

NOT SOLD SEPARAT

WIPER - piston

4шт.

13

NSS

NOT SOLD SEPARAT

O-RING - piston

4шт.

14

NSS

NOT SOLD SEPARAT

BACKUP RING - piston O-ring

4шт.

15

NSS

NOT SOLD SEPARAT

O-RING - head

2шт.

9

218-5004

O-RING,0.072" Thk x 0.414" ID, -905, Cl 6, 90 Duro

5-1, 90 Duro, .414" ID x .072" Thk, plug

1шт.

Выбрано товаров: 20