Запчасти Case W30 (9-14) - CLAM BUCKET (09) - CHASSIS/ATTACHMENTS

Схема запчастей Case W30 - (9-14) - CLAM BUCKET (09) - CHASSIS/ATTACHMENTS
FIT
1:1
100%

Артикул

Название

Примечание

Количество

REF

INSTRUCTION

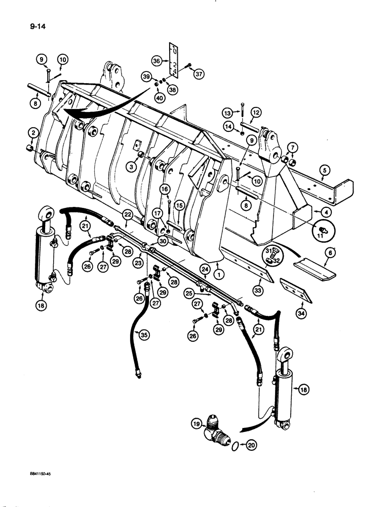
BUCKET ASSEMBLY - clam, order from the machinery price list

1шт.

1

L112872

BLADE

ASSEMBLY - bucket

1шт.

2

D30933

BUSHING,38.41mm ID x 47.63mm OD x 31.75mm L

- clam cylinder mounting, closed end

2шт.

3

D51545

BUSHING,63.75mm ID x 76.2mm OD x 38.1mm L

- bucket ear

8шт.

L112874

BUCKET

CLAM ASSEMBLY - bucket

1шт.

4

NSS

NOT SOLD SEPARAT

CLAM - bucket

1шт.

5

L112839

EDGE, CUTTING

CUTTING EDGE - clam, front

1шт.

6

L112857

PLATE

- wear, clam, rear

1шт.

7

D31140

BUSHING,38.33mm ID x 47.63mm OD x 25.4mm L

- clam hinge

4шт.

8

D50727

PIN

-, Serial Range: blade-clam

2шт.

9

D47252

PIN

CLEVIS PIN - special

2шт.

10

132-48

COTTER PIN,1/8" x 1"

Pin, Split (Cotter), 1/8" x 1"

2шт.

11

219-1

LUBE NIPPLE,1/8" - 27 NPTF

GREASE FITTING - straight, 1/8" NPT

2шт.

12

D50435

PIN,38.1mm OD x 124.46mm L

- clam cylinder retaining, rod end

2шт.

13

13-668

BOLT,Hex, 3/8" - 16 x 4-1/4", Gr 5

- hex head, 3/8" - 16 NC x 4-1/4"

2шт.

14

131-206

NUT,3/8"-16

NUT - hex, self-locking, 3/8" - 16 NC

2шт.

15

D51244

AXLE PIN,38.1mm OD x 99.06mm L

PIN - clam cylinder retaining, closed end

2шт.

16

13-852

BOLT,Hex, 1/2" - 13 x 3-1/4", Gr 5

2шт.

17

131-473

HARDWARE

NUT - hex, self-locking, 1/2" - 13 NC

2шт.

18

G101281

CYLINDER,Double Acting, 50.8mm Rod, 266.7mm Stroke

- clam, parts list Figure 8-84

2шт.

19

218-5107

90 ELBOW,90 Degree Elbow, 7/8" - 14 Male JIC x 7/8" - 14 Male ORB

- 90 degree, adjustable

4шт.

20

237-6010

O-RING,0.097" Thk x 0.755" ID, -910, Cl 6, 90 Duro

- elbow

1шт.

21

L114613

HOSE,12.7 mm ID x 622.00 mm, SAE 100R12

4шт.

22

L112866

PIPE,15.88 mm OD x 972.2 mm L

TUBE - left-hand clam cylinder, rod end to tee

1шт.

23

L112864

PIPE,15.88 mm OD x 620.9, 56.4 mm L

TUBE - left-hand clam cylinder, closed end to tee

1шт.

24

L112870

PIPE,15.88 mm OD x 565.8 mm L

TUBE - right-hand clam cylinder, rod end to tee

1шт.

25

L112868

PIPE,15.88 mm OD

TUBE - right-hand clam cylinder, closed end to tee

1шт.

26

13-524

BOLT,Hex, 5/16" - 18 x 1-1/2", Gr 5

- hex head, 5/16"- 18 NC x 1-1/2"

3шт.

27

92-5

LOCK WASHER,5/16"

3шт.

28

D76209

SPACER

- tube

3шт.

29

D33316

CLAMP

- tube

3шт.

30

218-605

TEE,37 Degree, 7/8"-14 x 1 1/16"-12, Br

- hydraulic, at bucket

2шт.

31

118-503

PLOW BOLT,3/4"-10 x 2 1/4", G8

- 3/4 NC x 2 inch, if used

19шт.

31

L126993

BOLT

- dome, 3/4 NC x 2 inch, if used, not shown

19шт.

32

129-138

NUT,3/4"-10, G8

19шт.

33

L112845

EDGE, CUTTING

CUTTING EDGE - blade, center

1шт.

34

S80476

EDGE

CUTTING EDGE - blade, end

2шт.

35

L108881

HOSE,19 mm ID x 1600.00 mm, SAE 100R12

- lift frame to bucket, 63" (1600 mm) long

2шт.

36

L114181

DECAL

PLATE - clam opening

1шт.

37

182-204

SCREW,Sl Pan Hd, 1/4" - 20 x 3/4"

CARRIAGE BOLT - 1/4" - 20 NC x 3/4"

2шт.

38

95-4

WASHER,1/4"

- flat, 1/4"

2шт.

39

92-4

LOCK WASHER,1/4"

WASHER, LOCK, 1/4"

2шт.

40

25-104

NUT,1/4"-20, G5

2шт.

Выбрано товаров: 0