Запчасти Case W30 (9-38) - SEAT AND MOUNTING PARTS (09) - CHASSIS/ATTACHMENTS

Схема запчастей Case W30 - (9-38) - SEAT AND MOUNTING PARTS (09) - CHASSIS/ATTACHMENTS
FIT
1:1
100%

Артикул

Название

Примечание

Количество

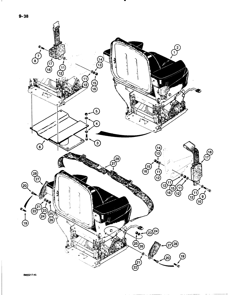
1

L101788

SEAT ASSY.

SEAT - suspension, vinyl, cab or canopy, parts list Figure 9-42, if used, mounting

1шт.

2

L106683

SEAT

- suspension, cloth, cab only, parts list Figure 9-42, if used, not shown, mounting

1шт.

3

328-616

BOLT,Hex, 3/8" - 24 x 1", Gr 8

Seat mounting Hex, 3/8"-24 x 1", G8, Full Thd

4шт.

4

L105055

WASHER

- special, seat mounting

8шт.

5

129-524

NUT,3/8"-24, G8

Seat mounting 3/8"-24, G8

4шт.

6

L61337

SUPPORT

- suspension seat mounting

1шт.

7

413-620

BOLT,Hex, 3/8" - 16 x 1-1/4", Gr 5

- hex, 3/8 NC x 1-1/4 inch, if used, retractable seat belts and mounting parts

1шт.

8

414-720

BOLT,Hex, 7/16" - 20 x 1-1/4", Gr 5

- hex, 7/16 NF x 1-1/4 inch, if used, retractable seat belts and mounting parts

1шт.

9

413-632

BOLT,Hex, 3/8" - 16 x 2", Gr 5

If used, Retractable seat belts and mounting parts Hex, 3/8"-16 x 2", G5

1шт.

10

414-732

BOLT,Hex, 7/16" - 20 x 2", Gr 5

- hex, 7/16 NF x 2 inch, if used, retractable seat belts and mounting parts

1шт.

11

495-21044

WASHER,3/8"

(flat, 7/16 x 1 x 5/64 inch), if used, retractable seat belts and mounting parts 3/8"

6шт.

12

495-21050

WASHER,7/16"

- flat, 1/2 x 1-1/4 x .083 inch, if used, retractable seat belts and mounting parts

6шт.

13

492-11038

LOCK WASHER,3/8"

if used, retractable seat belts and mounting parts 3/8"

2шт.

14

492-11044

LOCK WASHER,7/16"

WASHER, LOCK, , If used, retractable seat belts and mounting parts 7/16"

2шт.

15

425-106

NUT,3/8"-16, Cl 5

If used, retractable seat belts and mounting parts 3/8"-16, G5

3шт.

16

425-117

NUT,7/16"-20, G5

- hex, 7/16 inch NF, if used, retractable seat belts and mounting parts

3шт.

17

L126953

SAFETY BELT

SAFETY BELT, Retractable, 2 inch (51 mm) wide, and mounting parts

1шт.

18

NSS

NOT SOLD SEPARAT

BELT - seat, retractable, 3 inch (76 mm) wide, and mounting parts

1шт.

19

113-242

BOLT

BOLT - hex, 3/8 NC x 1-1/4 inch, if used, non-retractable seat belts and mounting parts

2шт.

20

F42236

STEP BOLT

BOLT - shoulder, 7/16 NF x 1-1/4 inch, if used, non-retractable seat belts and mounting parts

2шт.

21

495-21044

WASHER,3/8"

(flat, 7/16 x 1 x 5/64 inch), if used, non-retractable seat belts and mounting parts 3/8"

2шт.

22

495-21050

WASHER,7/16"

- flat, 1/2 x 1-1/4 x .083 inch, if used, non-retractable seat belts and mounting parts

2шт.

23

492-11038

LOCK WASHER,3/8"

if used, non-retractable seat belts and mounting parts 3/8"

2шт.

24

492-11044

LOCK WASHER,7/16"

WASHER, LOCK, , If used, non-retractable seat belts and mounting parts 7/16"

2шт.

25

425-106

NUT,3/8"-16, Cl 5

If used, non-retractable seat belts and mounting parts 3/8"-16, G5

2шт.

26

425-117

NUT,7/16"-20, G5

- hex, 7/16 inch NF, if used, non-retractable seat belts and mounting parts

2шт.

27

L117002

SAFETY BELT

SAFETY BELT, Non-retractable, 2 inch (51 mm) wide, optional, and mounting parts

1шт.

28

D85816

SAFETY BELT

BELT - seat, non-retractable, 3 inch (76 mm) wide, optional, and mounting parts

1шт.

Выбрано товаров: 0