Запчасти Case W30 (9-46) - SUSPENSION SEATS (09) - CHASSIS/ATTACHMENTS

Схема запчастей Case W30 - (9-46) - SUSPENSION SEATS (09) - CHASSIS/ATTACHMENTS
FIT
1:1
100%

Артикул

Название

Примечание

Количество

REF

INSTRUCTION

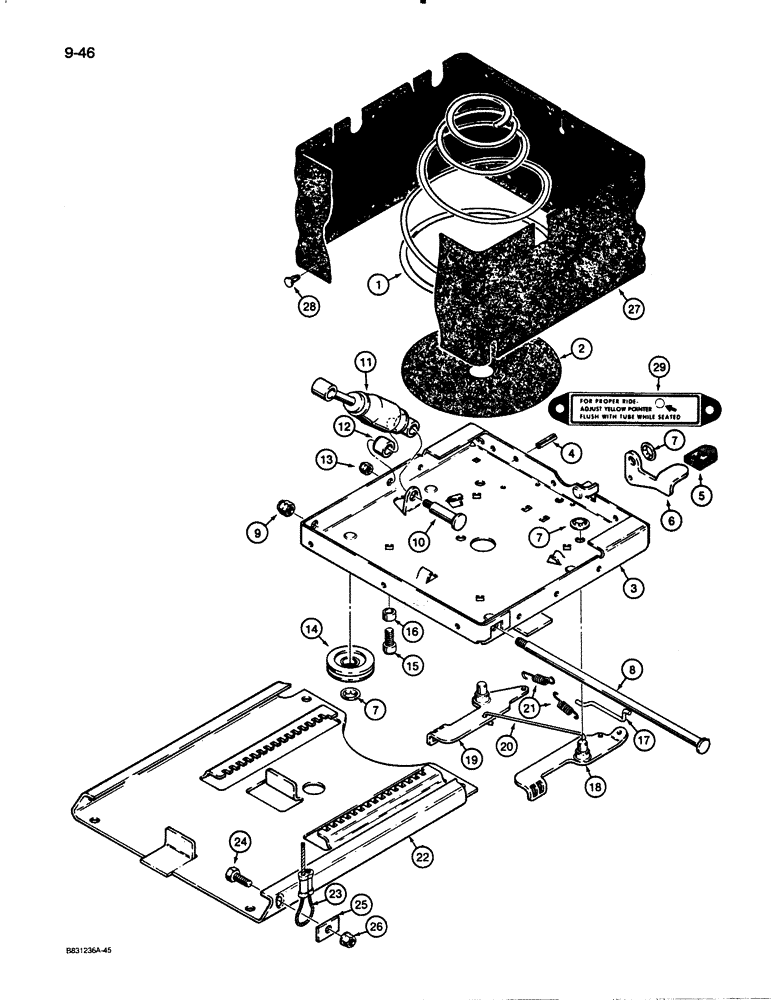
SEAT ASSEMBLY - suspension, includes parts on Figures 9-42 and 9-44

1шт.

1

A45497

SPRING

- seat

1шт.

2

A45530

PAD

- spring base

1шт.

3

N6858

HOUSING

- lower

1шт.

4

138-134

LOCK PIN,1/4" x 1", Slotted

PIN, 1/4" x 1", Slotted

1шт.

5

D82819

CAP

AND DECAL - slide lever

1шт.

6

D82817

LEVER

- slide

1шт.

7

131-425

PUSH-ON NUT,Push, 1/2"

NUT, LOCK, Push, 1/2"

7шт.

8

A47762

SHAFT

- lower housing

1шт.

9

131-1402

THIN NUT,1/2"-13, GB, Thin

NUT, LOCK, 1/2"-13, GB, Thin

1шт.

10

A45056

STEP BOLT

BOLT - shoulder

1шт.

11

D82835

SHOCK ABSORBER

- seat

1шт.

12

A45501

BUSHING,0.504" ID x 0.87" OD x 1.417"

BEARING - shock absorber

1шт.

13

131-542

LOCK NUT,3/8"-16

NUT - hex, self-locking, 3/8" - 16 NC

1шт.

14

N8674

ROLLER

- slide track

4шт.

15

165-181

BOLT,1/2" - 13 x 7/8"

- hex socket head, 1/2" - 13 NC x 7/8"

1шт.

16

N6713

SPACER

- bolt

1шт.

17

D82814

ROD

- latch

1шт.

18

D82813

LATCH

- right-hand

1шт.

19

D82812

LATCH

- left-hand

1шт.

20

D82816

LINK

- latch

1шт.

21

D82815

SPRING

- latch

2шт.

22

N9206

TRACK CHAIN

PLATE AND TRACK - seat

1шт.

23

REF

INSTRUCTION

CABLE - plate, see page 389

2шт.

24

413-616

BOLT,Hex, 3/8" - 16 x 1", Gr 5

2шт.

25

N6874

WASHER

- special

2шт.

26

131-542

LOCK NUT,3/8"-16

NUT - hex, self-locking, 3/8" - 16 NC

2шт.

27

N6295

BOOT

COVER - vinyl

1шт.

28

151-705

CLIP,Rd 1/2" Hd, 1/4" Hole

FASTENER - button

21шт.

29

A47778

DECAL

- For Proper Ride

1шт.

Выбрано товаров: 0