Запчасти Case W30 (4-46) - ELECTRICAL SYSTEM, REAR LAMPS (04) - ELECTRICAL SYSTEMS

Схема запчастей Case W30 - (4-46) - ELECTRICAL SYSTEM, REAR LAMPS (04) - ELECTRICAL SYSTEMS
FIT
1:1
100%

Артикул

Название

Примечание

Количество

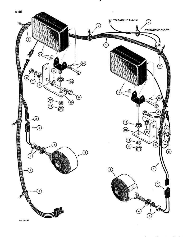
1

L114601

HARNESS

- rear lamps

1шт.

2

L18337

CABLE TIE,9.95"-12.1" lg

STRAP - tie, 15 inch, nylon

1шт.

3

223-173

CONNECTOR, ELEC

CONNECTOR - wire

2шт.

4

193-87

LOCK WASHER,Ext-Int Tooth, 1/2"

WASHER, LOCK, Ext-Int Tooth, 1/2"

2шт.

5

L114617

LAMP

- stop and tail, parts list Figure 4-58

2шт.

6

13-620

BOLT,Hex, 3/8" - 16 x 1-1/4", Gr 5, Full Thd

4шт.

7

92-6

LOCK WASHER,3/8"

4шт.

8

25-106

NUT,3/8"-16, G5

- hex, 3/8" - 16 NC

4шт.

9

193-72

LOCK WASHER

- external-internal tooth lock, 3/8"

8шт.

10

L113346

BRACKET

- mounting, rear flood lamp

2шт.

11

25-108

NUT,1/2"-13, G5

- hex, 1/2" - 13 NC

2шт.

12

92-8

LOCK WASHER,1/2"

2шт.

13

193-87

LOCK WASHER,Ext-Int Tooth, 1/2"

WASHER, LOCK, Ext-Int Tooth, 1/2"

2шт.

14

L113373

LIGHT ASSY.

LAMP - flood, parts list Figure 4-56

2шт.

Выбрано товаров: 14