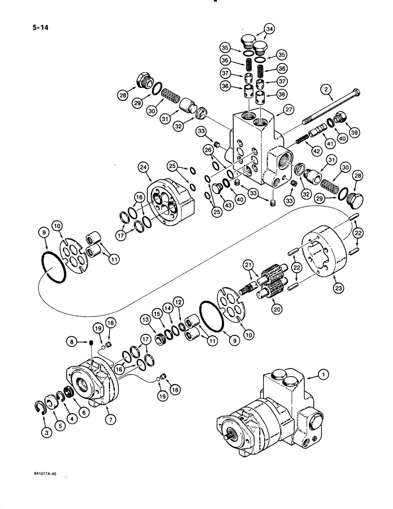
Запчасти Case W30 (5-14) - AUXILIARY STEERING PUMP, MODELS WITH ALLISON TRANSMISSION (05) - STEERING

Схема запчастей Case W30 - (5-14) - AUXILIARY STEERING PUMP, MODELS WITH ALLISON TRANSMISSION (05) - STEERING
FIT
1:1
100%

Артикул

Название

Примечание

Количество

1

L106442

PUMP

ASSEMBLY - auxiliary steering, no longer available, order (4) 14-8124 bolts, N14455 pump assembly, and N8173 valve assembly

1шт.

2

14-8124

BOLT,Hex, 1/2" - 20 x 7-3/4", Gr 5

- hex head, 1/2" - 20 NF x 7-3/4"

4шт.

N8172

PUMP

ASSEMBLY - auxiliary steering, no longer available, order N14455 pump assembly

1шт.

N14455

PUMP

ASSEMBLY - auxiliary steering

1шт.

3

T28736

SNAP RING,1.562", Int, #156

Ring, Snap, , brg 1.562", Int, #156

1шт.

4

R22120

SNAP RING,1.312", Int, #131

Ring, Snap, , seal 1.312", Int, #131

1шт.

N8226

BALL BEARING,0.7503" ID x 1.5748" OD x 0.4724"

BEARING - shaft, not shown, no longer available, order N14456 lip seal

1шт.

5

N8223

SEAL

- shaft

1шт.

6

N14456

WIPER

SEAL - lip, shaft

1шт.

7

NSS

NOT SOLD SEPARAT

COVER - shaft end

1шт.

8

221-849

PLUG,Hex Soc, 1/8"-27

- hex socket head, 1/8" NPT

1шт.

9

S300391

SEALING RING,3.859" ID x 4.068" OD x 0.139"

SEAL - O-ring

2шт.

10

D32078

PLATE

- wear

2шт.

11

N8227

BEARING

ROLLER BEARING - shaft

4шт.

12

N8222

RING

SEAL RING - drive shaft

1шт.

13

N8221

BUSHING

- drive shaft

1шт.

14

343900R1

O-RING,1.051" ID x 0.07" Width

- bushing

1шт.

15

T24414

BACK-UP RING,0.768" ID x 7" OD x 0.045" Width

BACKUP RING - O-ring

1шт.

16

N8225

O-RING

- wear plate seal

4шт.

17

N8224

O-RING

BACKUP RING - O-ring

4шт.

18

NSS

NOT SOLD SEPARAT

RETAINER - ball

2шт.

19

NSS

NOT SOLD SEPARAT

BALL - steel

2шт.

20

N8220

SHAFT

GEAR - driven

1шт.

21

N8219

SHAFT

GEAR - drive

1шт.

22

NLS

NO LONGER SERVICED

DOWEL PIN - pump

4шт.

23

N8218

HOUSING

- gear

1шт.

24

NSS

NOT SOLD SEPARAT

COVER - closed end

1шт.

N8173

VALVE, CHECK

VALVE ASSEMBLY - auxiliary steering pump

1шт.

25

H755975

O-RING,0.103" Thk x 0.612" ID, -114, Cl 6, 90 Duro

- seal, bolt hole

4шт.

26

D54277

O-RING,0.103" Thk x 1.049" ID, -121, Cl 6, 90 Duro

- seal, valve

2шт.

27

NSS

NOT SOLD SEPARAT

HOUSING - valve

1шт.

28

N8180

CAP

- check valve

2шт.

29

218-5010

O-RING,0.116" Thk x 1.171" ID, -916, Cl 6, 90 Duro

- cap

2шт.

30

N8184

SPRING

- check valve

2шт.

31

N8178

VALVE, CHECK

CHECK VALVE - auxiliary steering valve

2шт.

32

N8175

SEAT

- check valve

2шт.

33

221-841

PLUG

- hex socket head, 1/4"

4шт.

34

N8181

CAP

- check valve

2шт.

35

218-5009

O-RING,0.116" Thk x 1.048" ID, -914, Cl 6, 90 Duro

- cap

2шт.

36

N8183

SPRING

- check valve

2шт.

37

N8177

VALVE, CHECK

CHECK VALVE - auxiliary steering valve

2шт.

38

N8174

SEAT

- check valve

2шт.

39

N8179

CAP

- plunger

1шт.

40

L31749

O-RING,0.612" ID x 0.818" OD x 0.103"

SEAL - cap

2шт.

41

N8176

PLUNGER

- auxiliary steering valve

1шт.

42

N8185

SPRING

- plunger

1шт.

43

N8182

CAP

- plunger

1шт.

Выбрано товаров: 47