Запчасти Case W36 (6-274) - TRANSMISSION, CONTROL VALVE (06) - POWER TRAIN

Схема запчастей Case W36 - (6-274) - TRANSMISSION, CONTROL VALVE (06) - POWER TRAIN
FIT
1:1
100%

Артикул

Название

Примечание

Количество

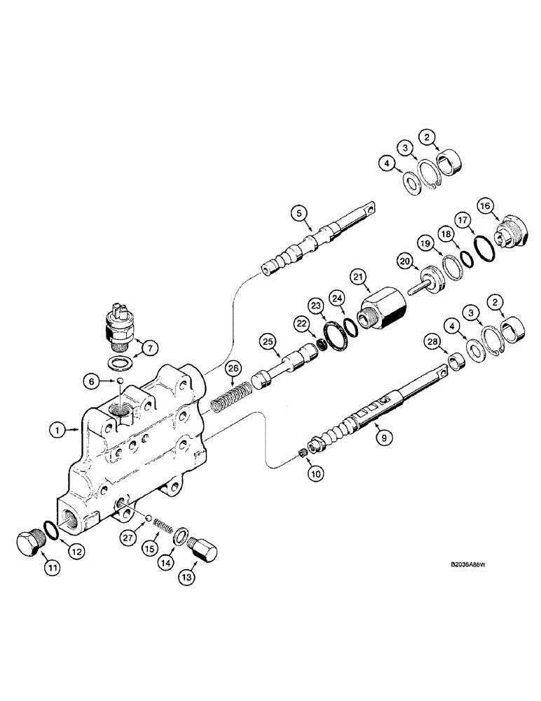
N9971

HOUSING

CONTROL VALVE - transmission, Includes: Ref. 1 - 12

1шт.

1

NSS

NOT SOLD SEPARAT

BODY - valve

1шт.

2

D77000

OIL SEAL,14.28mm ID x 28.7mm OD x 13.87mm Thk

OIL SEAL - spool

2шт.

3

L33563

RING

SNAP RING - spool

2шт.

4

L33562

WASHER

- spool

2шт.

5

L33558

SPOOL

- forward and reverse

1шт.

6

211-210

BALL,3/8" Dia

- meter 3/8" Dia

1шт.

7

D78316

SWITCH

- neutral start

1шт.

8

RESERVED

1шт.

9

N9972

SPOOL

- speed selection, Includes: Ref. 9

1шт.

10

221-850

PLUG,Hex Soc, 1/16"-27

- hex socket, 1/16" NPT

1шт.

11

86512512

PLUG,7/8" - 14 ORB

Incl. Ref. 12 Hex Hd, 7/8"-14 ORB

1шт.

12

237-6010

O-RING,0.097" Thk x 0.755" ID, -910, Cl 6, 90 Duro

- plug

1шт.

13

D77007

PLUG

- special

1шт.

14

D77008

WASHER

- plug

1шт.

15

L33549

SPRING

- detent

1шт.

D77009

VALVE

ASSEMBLY - clutch cutout, Includes: Ref. 16 - 24

1шт.

16

NSS

NOT SOLD SEPARAT

PLUG - special

1шт.

17

237-6016

O-RING,0.116" Thk x 1.171" ID, -916, Cl 6, 90 Duro

16-1, 90 Duro, 1.171" ID x .118" Thk, Large

1шт.

18

A58602

O-RING,0.103" Thk x 0.924" ID, -119, Cl 5, 75 Duro

- small

1шт.

19

D77013

OIL SEAL

RING - piston

1шт.

20

D77010

PISTON

- valve

1шт.

21

NSS

NOT SOLD SEPARAT

HOUSING - valve

1шт.

Ref. 21 - 100401A1 Housing

1шт.

22

D87168

OIL SEAL

- small

1шт.

23

L30394

SEAL,23.02mm ID x 27mm OD x 6.35mm Thk

- large

1шт.

24

F62114

O-RING,0.103" Thk x 0.674" ID, -115, Cl 5, 75 Duro

- housing

1шт.

25

S89736

SPOOL

- clutch cutout

1шт.

26

L33550

SPRING

- clutch cutout

1шт.

27

211-210

BALL,3/8" Dia

- meter 3/8" Dia

1шт.

28

S89735

BUSHING

SPACER - stop

1шт.

Выбрано товаров: 0