Запчасти Case W36 (8-422) - L70875 AND L70876 LOADER CONTROL VALVE, D76984 BUCKET SECTION (08) - HYDRAULICS

Схема запчастей Case W36 - (8-422) - L70875 AND L70876 LOADER CONTROL VALVE, D76984 BUCKET SECTION (08) - HYDRAULICS
FIT
1:1
100%

Артикул

Название

Примечание

Количество

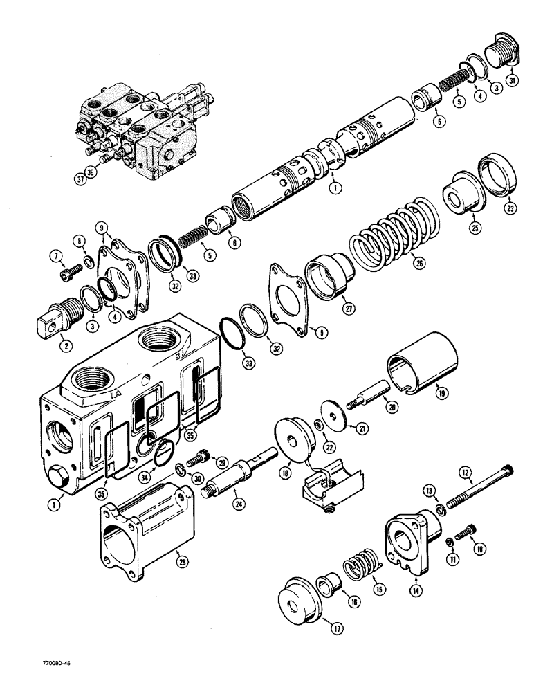
D76984

HYDRAULIC VALVE

BUCKET SECTION - control valve, Includes: Ref. 1 - 37

1шт.

1

NSS

NOT SOLD SEPARAT

BODY AND SPOOL - valve section

1шт.

2

D77403

PLUNGER

EYE - spool

1шт.

3

D77420

RING

BACKUP RING - o-ring

2шт.

4

D54806

O-RING,0.139" Thk x 1.046" ID, -215, Cl 5, 75 Duro

- spool seal

2шт.

5

D77402

SPRING

- check

2шт.

6

D77401

VALVE POPPET

POPPET - check

2шт.

7

61-510

HEX SOC SCREW,5/16"-18 x 5/8"

SCREW - hex socket head, 5/16" - 18 NC x 5/8"

4шт.

8

192-404

LOCK WASHER,5/16"

WASHER, LOCK, 5/16"

4шт.

9

D77405

PLATE

- seal retainer

3шт.

10

61-416

HEX SOC SCREW,1/4"-20 x 1"

SCREW - hex socket head, 1/4" - 20 NC x 1"

2шт.

11

95-4

WASHER,1/4"

- flat, 1/4"

2шт.

12

61-668

HEX SOC SCREW,3/8"-16 x 4 1/4"

SCREW - hex socket head, 3/8" - 16 NC x 4-1/4"

2шт.

13

80680

LOCK WASHER,3/8 0.381 CST ZND

WASHER, LOCK, 3/8"

2шт.

14

D77419

CAP

- magnet assembly

1шт.

15

D77412

SPRING

- detent, if used

1шт.

16

D77411

GUIDE

- spring, if used

1шт.

17

D77417

STOP

- magnet

1шт.

18

D77416

MAGNETO

MAGNET ASSEMBLY - return-to-dig

1шт.

19

D77418

TUBE

- magnet assembly

1шт.

20

D77410

SHAFT

BOLT - special

1шт.

21

D77413

PLATE

WASHER - detent

1шт.

22

D77414

SPACER

- washer

1шт.

23

D77415

SPACER

- centering spring

1шт.

24

D77409

BOLT

- special

1шт.

25

D77407

GUIDE

- spring

1шт.

26

D77408

SPRING

CENTERING SPRING - spool

1шт.

27

D77406

GUIDE

- spring

1шт.

28

D77422

CAP

COVER - valve spool

1шт.

29

61-520

HEX SOC SCREW,5/16"-18 x 1 1/4"

SCREW - hex socket head, 5/16" - 18 NC x 1-1/4"

4шт.

30

192-404

LOCK WASHER,5/16"

WASHER, LOCK, 5/16"

4шт.

31

D77404

BOLT

- special

1шт.

32

D77421

OIL SEAL

BACKUP RING - o-ring

2шт.

33

D27878

O-RING,1.609" ID x 1.887" OD

- spool seal

2шт.

34

D77400

SEAL,36.17mm ID x 41.27mm OD x 2.38mm Thk

- small

1шт.

35

D77399

SEAL,63.17mm ID x 68.26mm OD x 2.38mm Thk

- large

3шт.

36

D76991

VALVE

- relief, parts list Fig. 8-436

1шт.

37

D59129

VALVE

- relief, parts list Fig. 8-436

1шт.

Выбрано товаров: 0