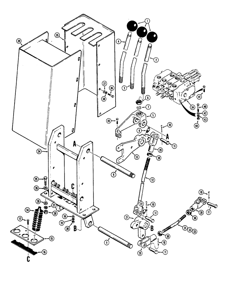
Запчасти Case W36 (8-440) - LOADER CONTROL VALVE AND LEVERS, 3 SPOOL, WITHOUT REMOTE HYDRAULICS (08) - HYDRAULICS

Схема запчастей Case W36 - (8-440) - LOADER CONTROL VALVE AND LEVERS, 3 SPOOL, WITHOUT REMOTE HYDRAULICS (08) - HYDRAULICS
FIT
1:1
100%

Артикул

Название

Примечание

Количество

1

L56064

KNOB

- control lever

3шт.

2

L59087

LEVER

- lift control

1шт.

3

L59089

LEVER

- bucket control

1шт.

4

L59088

LEVER

- clam control

1шт.

5

L78254

CLEVIS

BELLCRANK - upper

3шт.

6

86637932

JAM NUT,Jam, 5/8"-18, G5

- hex, 5/8" - 18 NF

3шт.

7

193-50

LOCK WASHER,Ext-Int Tooth, 5/8"

WASHER - external tooth lock, 5/8"

3шт.

8

219-38

LUBE NIPPLE,45 Degree Elbow, 1/4" - 28 NPTF

GREASE FITTING - 45 degrees, 1/4" taper

3шт.

9

L102849

SHAFT,19.05mm OD x 195.58mm L

- lever pivot

2шт.

10

132-48

COTTER PIN,1/8" x 1"

Pin, Split (Cotter), 1/8" x 1"

12шт.

11

141-6

CLEVIS PIN,1/2" x 1.360"

- 1/2"

12шт.

12

L78278

LINK

ROD - connecting

3шт.

13

L78218

LEVER

BELLCRANK - valve actuating

3шт.

14

L59927

SEAL

- cab models

3шт.

15

L76911

PLATE

- cab models

1шт.

16

L59978

SEALING STRIP

- plate, cab models

1шт.

17

163-12

SCREW,Hex, #10 - 24 x 3/4"

MACHINE SCREW - hex head, no. 10 - 24 NC x 3/4"

4шт.

18

195-3

WASHER

- flat, no. 10

4шт.

19

92-3

LOCK WASHER,#10

WASHER, LOCK, #10

4шт.

20

129-7

NUT,Hex, #10 - 24

- hex, no. 10 - 32 NF

4шт.

21

L78272

ARM ASSY.

BELLCRANK - lower

3шт.

22

219-55

LUBE NIPPLE,90 Degree Elbow, 1/8" - 27 NPTF

NIPPLE, LUBE, 90º, 1/8" NPT x .84" lg

3шт.

23

RESERVED

1шт.

24

L102946

SUPPORT

CONSOLE - control

2шт.

25

13-620

BOLT,Hex, 3/8" - 16 x 1-1/4", Gr 5, Full Thd

4шт.

26

95-6

WASHER,3/8"

- flat, 3/8"

8шт.

27

92-6

LOCK WASHER,3/8"

4шт.

28

25-106

NUT,3/8"-16, G5

- hex, 3/8" - 16 NC

4шт.

29

213-6

ADJUSTABLE CLEVIS,1/2"-20 x 3"

CLEVIS - connecting link

9шт.

30

25-158

JAM NUT,Jam, 1/2"-20, G5

JAM NUT - hex, 1/2" - 20 NF

9шт.

31

L70794

ROD

LINK - lift spool

1шт.

32

L70795

ROD

LINK - bucket spool

1шт.

33

L70793

ROD

LINK - clam spool

1шт.

34

L70876

VALVE

- 3 spool, parts list Fig. 8-416

1шт.

35

L78744

COVER

- ROPS models

1шт.

36

13-516

BOLT,Hex, 5/16" - 18 x 1", Gr 5

8шт.

37

95-5

WASHER,3/8" x 7/8" x .083"

- flat, 5/16"

8шт.

38

92-13

WASHER - lock, 5/16"

8шт.

39

L78746

COVER

- side, ROPS models

1шт.

40

13-840

BOLT,Hex, 1/2" - 13 x 2-1/2", Gr 5

- hex head, 1/2" - 13 NC x 2-1/2"

2шт.

41

13-828

BOLT,Hex, 1/2" - 13 x 1-3/4", Gr 5

- hex head, 1/2" - 13 NC x 1-3/4"

1шт.

42

95-8

WASHER,1/2"

flat 1/2"

3шт.

43

92-8

LOCK WASHER,1/2"

3шт.

44

25-108

NUT,1/2"-13, G5

- hex, 1/2" - 13 NC

3шт.

45

L79096

BOLT

- special

3шт.

Выбрано товаров: 0