Запчасти Case W36 (2-32) - CRANKSHAFT AND FLYWHEEL, 504BDTI ENGINE (02) - ENGINE

Схема запчастей Case W36 - (2-32) - CRANKSHAFT AND FLYWHEEL, 504BDTI ENGINE (02) - ENGINE
FIT
1:1
100%

Артикул

Название

Примечание

Количество

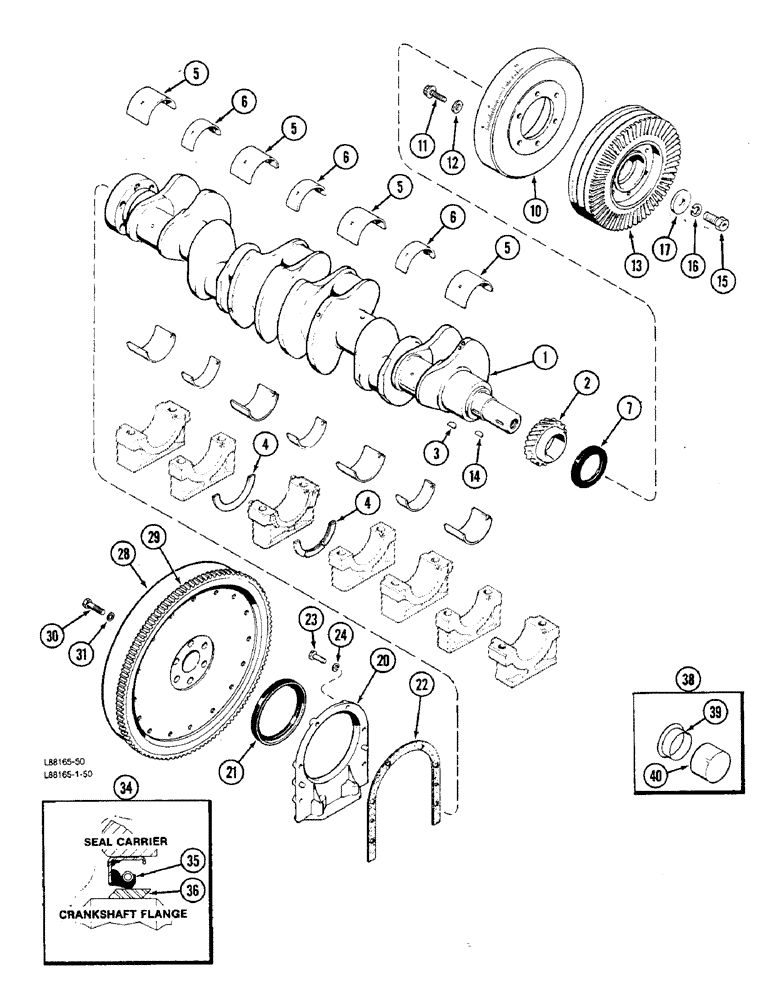
1

A77270

CRANKSHAFT

ASSEMBLY - standard, Includes: Ref. 2 and 3

1шт.

2

A66404

GEAR

- crankshaft

1шт.

3

126-129

WOODRUFF KEY,#C, 5/16" x 1 1/8", HT

Gear to crankshaft #C, 5/16" x 1 1/8", HT

1шт.

4

A58565

WASHER

- thrust (Standard) 0.156 inch

2шт.

4

A42447

WASHER

- thrust (Oversize) 0.162 inch

2шт.

5

A43090

BEARING LINER

INSERT - main bearing, wide (Standard) (Set of 2)

4шт.

5

A43124

LINING

INSERT - main bearing, wide, 0.002 inch undersize (Set of 2)

4шт.

5

A43125

CRANKSHAFT BEARING

INSERT - main bearing, wide, 0.010 inch undersize (Set of 2)

4шт.

5

A43126

LINING

INSERT - main bearing, wide, 0.020 inch undersize (Set of 2)

4шт.

5

A43127

LINING

INSERT - main bearing, wide, 0.030 inch undersize (Set of 2)

4шт.

6

A43089

BEARING LINER

INSERT - main bearing, narrow (Standard) (Set of 2)

3шт.

6

A43120

LINING

INSERT - main bearing, narrow, 0.002 inch undersize (Set of 2)

3шт.

6

A43121

SET OF CONN ROD BRGS STD

INSERT - main bearing, narrow, 0.010 inch undersize (Set of 2)

3шт.

6

A43122

LINING

INSERT - main bearing, narrow, 0.020 inch undersize (Set of 2)

3шт.

6

A43123

SET OF CONN ROD BRGS STD

INSERT - main bearing, narrow, 0.030 inch undersize (Set of 2)

3шт.

7

A157044

OIL SEAL,63.78mm ID x 92.2mm OD x 9.91mm Thk

- oil, front

1шт.

10

A157010

HITCH DAMPER

DAMPER - pulley (Replaces A150029)

1шт.

Ref. 10 - (Does not have timing marks)

1шт.

11

26-620

BOLT,Hex, 3/8" - 16 x 1-1/4", Gr 8

damper Hex, 3/8"-16 x 1 1/4", G8, Full Thd

6шт.

12

A50820

WASHER

- damper, hardened, 3/8 inch

6шт.

13

A166051

PULLEY

- crankshaft (Replaces A76657)

1шт.

REF. 13 - A76657 HAS A 4.75 BOLT CIRCLE, AND A166051 HAS A 3.75 BOLT CIRCLE.

1шт.

Ref. 13 - (Does have timing marks)

1шт.

14

126-129

WOODRUFF KEY,#C, 5/16" x 1 1/8", HT

Pulley #C, 5/16" x 1 1/8", HT

1шт.

15

114-613

BOLT,Hex, 5/8" - 18 x 1-1/2", Gr 5

- pulley, hex, 5/8 NF x 1-1/2 inch (Replaces A28028)

1шт.

16

92-10

LOCK WASHER,5/8"

WASHER, LOCK, 5/8"

1шт.

17

A156428

WASHER

- 21/32 x 2-1/8 x 23/64 inch (Replaces A27903)

1шт.

20

A57457

RETAINER

- rear oil seal

1шт.

21

A62050

OIL SEAL

- oil, rear, 4-3/4 x 5-3/4 x 1/2 inch (See Ref. 34)

1шт.

22

A32830

GASKET

- retainer

1шт.

23

193-554

SCREW,SEMS, Hex Hd, 3/8"-16 x 1 1/4", G5

BOLT - retainer, hex, Sems, 3/8 NC x 1-1/4 inch

6шт.

24

492-11038

LOCK WASHER,3/8"

6шт.

28

A137485

FLYWHEEL

ASSEMBLY, Includes: Ref. 29

1шт.

29

A27920

GEAR

- ring, starter

1шт.

30

28-1024

BOLT,Hex, 5/8" - 18 x 1-1/2", Gr 8

- flywheel to crankshaft, hex, 5/8 NF x 1-1/2 inch

6шт.

31

A58629

BEARING WASHER,16.66mm ID x 25.4mm OD x 3.04mm Thk

WASHER - 5/8 x 1 x 1/8 inch

6шт.

34

A43194

KIT

WEAR SEAL KIT - oil, crankshaft, rear, Includes: Ref. 35 and 36

1шт.

35

NSS

NOT SOLD SEPARAT

SEAL - oil, rear, 4-7/8 x 5-3/4 x 1/2 inch, wear kit

1шт.

36

NSS

NOT SOLD SEPARAT

SLEEVE - wear, 4-3/4 x 4-7/8 x 9/16 inch, seal kit

1шт.

38

A154684

SLEEVE

WEAR SLEEVE KIT - crankshaft pulley, Includes: Ref. 39 and 40

1шт.

39

NSS

NOT SOLD SEPARAT

SLEEVE - wear, kit

1шт.

40

NSS

NOT SOLD SEPARAT

TOOL - installation, wear sleeve kit

1шт.

Выбрано товаров: 42