Запчасти Case W36 (3-66) - INJECTION PUMP DRIVE, 504BDTI ENGINE (03) - FUEL SYSTEM

Схема запчастей Case W36 - (3-66) - INJECTION PUMP DRIVE, 504BDTI ENGINE (03) - FUEL SYSTEM
FIT
1:1
100%

Артикул

Название

Примечание

Количество

1

REF

INSTRUCTION

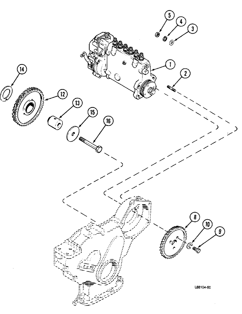
PUMP ASSEMBLY - fuel injection (See Figure 3-66)

1шт.

2

A59077

STUD

- pump mounting, 3/8 NC-NF x 1-15/16 inch (Without hole)

3шт.

2

A142092

STUD

- pump mounting, 3/8 inch NC x 1-7/8 inch (With hole for anti-tamper wire)

1шт.

3

A57470

WASHER

- 3/8 x 11/16 x 16 gauge

4шт.

4

193-68

LOCK WASHER,Int Tooth, 3/8"

WASHER, LOCK, Int Tooth, 3/8"

4шт.

5

129-103

NUT,Hex, 3/8" - 16, Gr 5

NUT, (Used with A59077 stud) 3/8"-16, G5

3шт.

5

25-126

SLOTTED NUT,3/8"-16, G5

NUT - slotted, 3/8 inch NC (Used with A142092 stud)

1шт.

8

A58693

GEAR

- injection pump drive

1шт.

9

113-207

BOLT,Hex, 3/8" - 16 x 1", Gr 5

Gear to hub Hex, 3/8"-16 x 1", G5, Full Thd

3шт.

10

492-11038

LOCK WASHER,3/8"

3шт.

2

A62542

GEAR

ASSEMBLY - idler, with bushing

1шт.

13

A58690

SHAFT

- idler gear

1шт.

14

A58691

WASHER

- thrust, idler shaft

1шт.

15

A58692

PLATE

- thrust, idler shaft

1шт.

16

413-868

BOLT,Hex, 1/2" - 13 x 4-1/4", Gr 5

- idler gear, hex, 1/2 NC x 4-1/2 inch

1шт.

Выбрано товаров: 15