Запчасти Case W36 (3-82) - L59901 ALTERNATOR, 40 AMPERE - 24 VOLT (03) - FUEL SYSTEM

Схема запчастей Case W36 - (3-82) - L59901 ALTERNATOR, 40 AMPERE - 24 VOLT (03) - FUEL SYSTEM
FIT
1:1
100%

Артикул

Название

Примечание

Количество

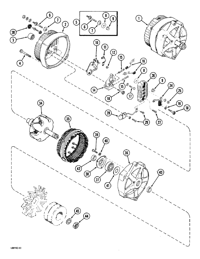
1

A47484

ALTERNATOR

ALTERNATOR ASSEMBLY - remanufactured, Includes: Ref. 2 - 45

1шт.

1

A47485

CORE-ALTERNATOR

RETURN NUMBER - Use this part number to return alternator core for credit

1шт.

1

L59901

ALTERNATOR

ALTERNATOR ASSEMBLY (40 ampere - 24 volt) (Delco-Remy no. 1102348) (Without fan and pulley), Includes: Ref. 2 - 45

1шт.

2

A47988

FUNNEL

FRAME FRAME ASSEMBLY - slip ring end (Replaces A45217), Includes: Ref. 3

1шт.

3

A45218

BEARING ASSY

BEARING - roller

1шт.

4

163-6

SCREW,Hex, #10 - 24 x 1 3/4"

BOLT - hex head with washer, no. 10-24 x 1-3/4 inch

4шт.

5

A45225

MULTIPOLE CONNECTOR

TERMINAL KIT - battery, Includes: Ref. 6 - 9

1шт.

6

NSS

NOT SOLD SEPARAT

STUD - terminal

1шт.

7

NSS

NOT SOLD SEPARAT

INSULATOR - terminal stud, outer

1шт.

8

NSS

NOT SOLD SEPARAT

INSULATOR - terminal stud, inner

1шт.

9

NSS

NOT SOLD SEPARAT

NUT - terminal stud

1шт.

10

A46890

REGULATOR

REGULATOR ASSEMBLY - voltage (Replaces A45372)

1шт.

11

A45369

ELECTRICAL WIRE

WIRE LEAD - regulator stud to brush holder screw

1шт.

12

A45368

NUT

NUT - lead to regulator stud

1шт.

A45222

BRUSH, COMMUTATOR

BRUSH BRUSH HOLDER ASSEMBLY (Includes brushes), Includes: Ref. 14 - 16

1шт.

14

NSS

NOT SOLD SEPARAT

HOLDER - brush

1шт.

15

A47989

SPRING

SPRING - brush tension

2шт.

16

NSS

NOT SOLD SEPARAT

BRUSH ASSEMBLY

2шт.

17

A45224

SCREW,0.164" - 32 x 1 7/64"

SCREW - brush holder, grounded

2шт.

18

A45223

SCREW,Spcl, #8 - 32 x 1 1/8"

SCREW - brush holder, insulated

2шт.

19

A45367

WASHER

WASHER - insulated screw (Spring type)

2шт.

24

A48339

DIODE

DIODE - trio (Replaces A45219)

1шт.

25

129-16

NUT,#8-32

NUT, #8-32

3шт.

26

A45394

RECTIFIER

RECTIFIER ASSEMBLY - bridge

1шт.

27

A45221

SCREW,Hex Wshr Hd, #8 - 32 x 0.99"

SCREW - rectifier bridge, no. 8-32 x 1 inch

1шт.

28

A47734

CAPACITOR

CAPACITOR ASSEMBLY (Replaces A45017)

1шт.

29

A45228

SELF-TAP SCREW,Hex Wash Hd, #8-32 x .59", Spc

SCREW - capacitor bracket and lead, no. 8-32 x 3/8 inch

2шт.

30

A45537

INSULATOR

BOOT - voltage terminal

1шт.

34

A47050

TORQ CONV IMPELLER

ROTOR ASSEMBLY - (Includes slip rings) (Replaces A45371)

1шт.

35

A45233

STATOR

STATOR ASSMBLY - alternator

1шт.

36

A49473

FRAME

FRAME - drive end

1шт.

37

4A5230

BEARING - ball, drive end

1шт.

38

A44433

PLATE

PLATE - bearing retainer

1шт.

39

173-210

SCREW,Sl Rnd Hd, #10 - 24 x 3/8"

SCREW - bearing plate, round head, no. 10-24 x 3/8 inch

3шт.

40

A45367

WASHER

WASHER - 3/16 x 7/16 x 1/16 inch

4шт.

41

A45232

WASHER

WASHER - grease slinger, bearing

1шт.

42

A44522

COLLAR

COLLAR - rotor shaft, inside 11/16 x 15/16 x 3/8 inch

1шт.

43

A72047

COLLAR

COLLAR - rotor shaft, ouer, 11/16 x 7/8 x 3/16 inch

1шт.

44

A25546

NUT

NUT - pulley and fan retaining

1шт.

45

R16171

SPRING WASHER

WASHER - lock

1шт.

Выбрано товаров: 40