Запчасти Case W36 (4-114) - FRONT HARNESS TO INSTRUMENT PANEL, P.I.N. 9156438 AND AFTER (04) - ELECTRICAL SYSTEMS

Схема запчастей Case W36 - (4-114) - FRONT HARNESS TO INSTRUMENT PANEL, P.I.N. 9156438 AND AFTER (04) - ELECTRICAL SYSTEMS
FIT
1:1
100%

Артикул

Название

Примечание

Количество

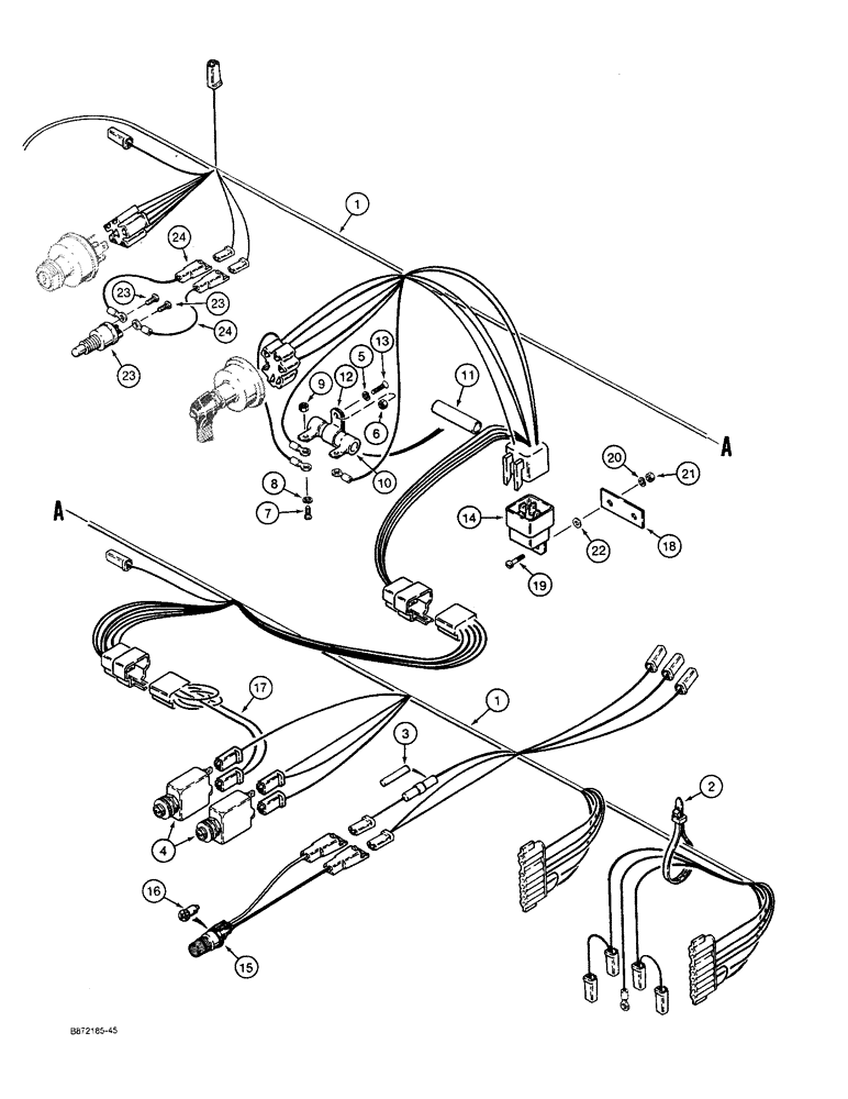
1

L114856

HARNESS

- front

1шт.

2

L18337

CABLE TIE,9.95"-12.1" lg

STRAP - tie, 15 inch, nylon

1шт.

3

L73576

RESISTOR

- 40 ohm

1шт.

4

L59970

BREAKER

CIRCUIT BREAKER - 5 amp

2шт.

5

192-15

LOCK WASHER,Helical Spring, #6, 0.145" ID, CST, ZND

Washer, Lock, #6

1шт.

6

129-15

NUT,#6-32

1шт.

7

182-82

SCREW,Slotted Pan Hd, #8-32 x 1/4"

MACHINE SCREW - pan head slotted, no. 8-32 NC x 1/4"

2шт.

8

192-16

LOCK WASHER,Helical Spring, #8, 0.17" ID, CST, ZND

Washer, Lock, #8

2шт.

9

129-16

NUT,#8-32

2шт.

10

L113617

RESISTOR

- 15 ohm, 25 watt

1шт.

11

223-125

TUBE

SLEEVE - heat shrink

2шт.

12

L70217

CLAMP

- resistor, light switch

1шт.

13

171-61

SCREW,Sl Flat Hd, #6 - 32 x 1/2"

- machine, flat head slotted, no. 6 - 32 NC x 1/2"

1шт.

14

L118429

RELAY

- lamps, metal

1шт.

H371849

INDICATOR

LAMP - hydraulic filter restriction indicator, Includes: Ref. 15 and 16

1шт.

15

NSS

NOT SOLD SEPARAT

BODY - lamp

1шт.

16

B50213

BULB

- lamp, no. 53

1шт.

17

L114427

HARNESS

JUNCTION - harness

1шт.

18

L118454

BRACKET

- relay mounting, if used

1шт.

19

182-524

SCREW,Cross Pan Hd, #10 - 24 x 5/8"

MACHINE SCREW - pan head slotted, no. 10 - 24 NC x 5/8"

1шт.

20

492-11010

LOCK WASHER,#10

WASHER, LOCK, #10

1шт.

21

129-17

NUT,Hex, #10 - 24

NUT - hex, no. 10 - 24 NC, plated

1шт.

22

495-21025

WASHER

- flat, no. 10, plated

1шт.

23

L72776

SWITCH

ASSEMBLY - cold start, includes hardware

1шт.

24

L114446

HARNESS

WIRE - jumper, cold start, Serial Range: switch-harness

2шт.

Выбрано товаров: 0