Запчасти Case W36 (4-140) - 40 AMP ALTERNATOR AND MOUNTING PARTS (04) - ELECTRICAL SYSTEMS

Схема запчастей Case W36 - (4-140) - 40 AMP ALTERNATOR AND MOUNTING PARTS (04) - ELECTRICAL SYSTEMS
FIT
1:1
100%

Артикул

Название

Примечание

Количество

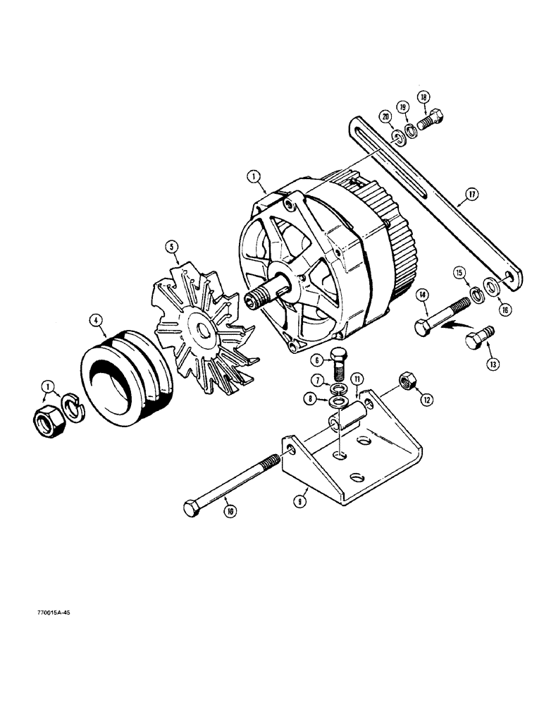
1

L59901

ALTERNATOR

ALTERNATOR - 24V, 40 amp, Delco Remy no. 1102348, parts list Fig. 3-82

1шт.

1

L78103

ALTERNATOR

ALTERNATOR - 24V, 40 amp, Delco Remy no. 1102918, parts list Fig. 3-80

1шт.

1

L101465

ALTERNATOR

ALTERNATOR - 24V, 40 amp, Delco Remy no. 1103123, requires metric hardware, parts list Fig. 3-78

1шт.

1

A167152

ALTERNATOR

ALTERNATOR - 24V, 40 amp, Delco Remy no. 1105510, metric hardware, parts list Fig. 3-86

1шт.

1

104260A1R

REMAN-ALTERNATOR

Remanufactured Alternator, 24 volt 40 ampere

1шт.

1

104260A1C

CORE-ALTERNATOR

Return Number

1шт.

1

A186124

ALTERNATOR

ALTERNATOR - 24V, 40 amp, Bosch no. 120402296, type K1-28V 3/45A, parts list Fig. 3-76

1шт.

1

AR186124

REMAN-ALTERNATOR

ALTERNATOR - 24V, 45A

1шт.

1

AC186124

CORE-ALTERNATOR

Return Number

1шт.

2

RESERVED

1шт.

3

RESERVED

1шт.

4

L59716

PULLEY

PULLEY - alternator

1шт.

5

A43384

FAN

FAN - alternator, Delco

1шт.

5

221425R1

FAN

FAN - alternator, Bosch

1шт.

6

13-616

BOLT,Hex, 3/8" - 16 x 1", Gr 5, Full Thd

BOLT, Hex, 3/8"-16 x 1", G5, Full Thd

3шт.

7

92-6

LOCK WASHER,3/8"

LOCK WASHER, , if used 3/8"

3шт.

8

196-1

WASHER,13/32" x 13/16" x .089", HDN

WASHER - special

3шт.

9

L71416

BRACKET

BRACKET - mount

1шт.

10

26-688

BOLT,Hex, 3/8" - 16 x 5-1/2", Gr 8

BOLT - hex head, 3/8" - 16 NC x 5-1/2", grade 8

1шт.

11

L78594

SPACER

SPACER - 3/8" x 2-1/4"

1шт.

12

131-652

LOCK NUT,3/8"-16, GB

NUT - hex, self-locking, 3/8" - 16 NC

1шт.

13

13-616

BOLT,Hex, 3/8" - 16 x 1", Gr 5, Full Thd

BOLT, Hex, 3/8"-16 x 1", G5, Full Thd

1шт.

14

13-660

BOLT,Hex, 3/8" - 16 x 3-3/4", Gr 5

BOLT - hex head, 3/8" - 16 NC x 3-3/4", if used

1шт.

15

92-6

LOCK WASHER,3/8"

LOCK WASHER, 3/8"

1шт.

16

95-6

WASHER,3/8"

WASHER - flat, 3/8"

1шт.

17

R40121

STRAP

STRAP - adjusting

1шт.

18

13-516

BOLT,Hex, 5/16" - 18 x 1", Gr 5

BOLT, , Used with L59901 and L78103 alternators Hex, 5/16"-18 x 1", G5, Full Thd

1шт.

18

814-8025

BOLT,Hex, M8 x 1.25 x 25mm, Cl 8.8, Full Thd

BOLT - hex head, 8 mm - 1.25 x 25 mm (8.8) used with L101465, A167152 and A186124 alternators

1шт.

19

92-5

LOCK WASHER,5/16"

LOCK WASHER, , used with L59901 and L78103 alternators 5/16"

1шт.

19

892-1108

LOCK WASHER,M8

LOCK WASHER, , used with L101465, A167152 and A186124 alternators M8

1шт.

20

95-5

WASHER,3/8" x 7/8" x .083"

WASHER - flat, 5/16", used with L59901 and L78103 alternators

1шт.

Выбрано товаров: 0