Запчасти Case W36 (4-170) - ROTATING BEACON, USED ON MODELS WITH CAB (04) - ELECTRICAL SYSTEMS

Схема запчастей Case W36 - (4-170) - ROTATING BEACON, USED ON MODELS WITH CAB (04) - ELECTRICAL SYSTEMS
FIT
1:1
100%

Артикул

Название

Примечание

Количество

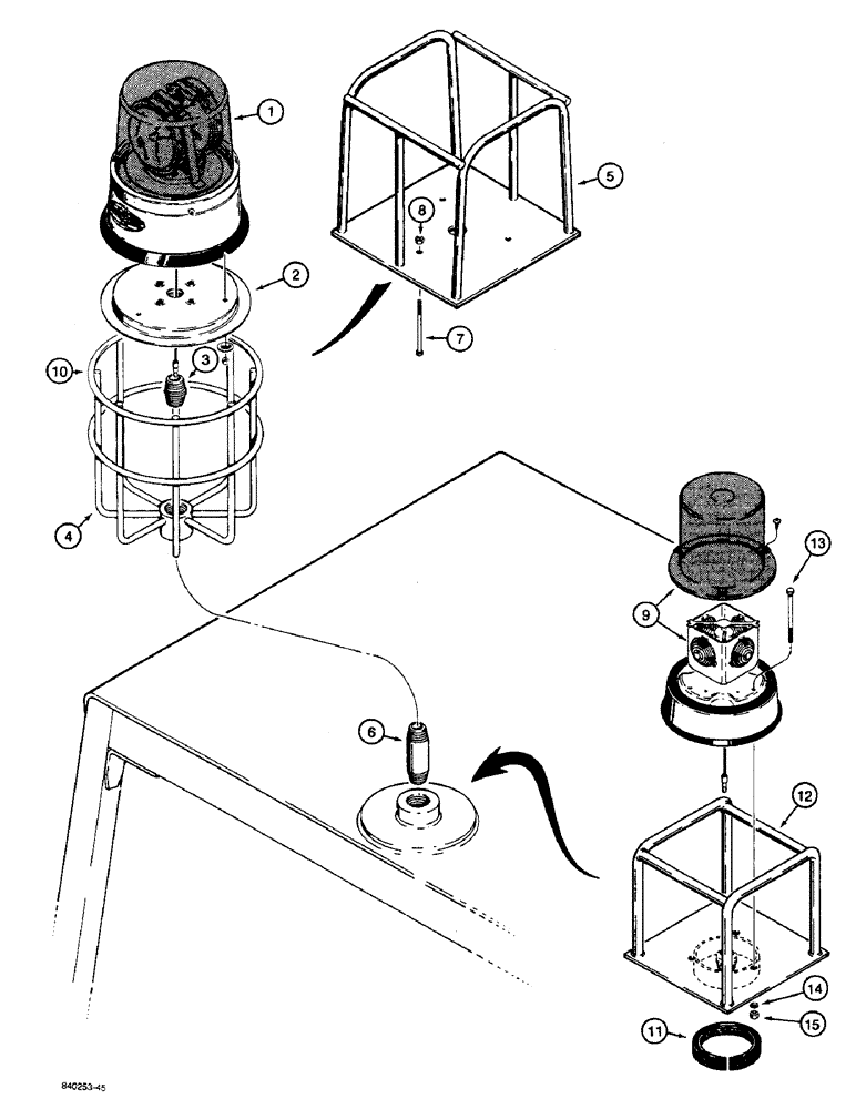
1

L16100

BEACON

ROTATING BEACON - 360 degree, amber lens, Do-Ray no. 4002, parts list Fig. 4-174

1шт.

1

L16676

BEACON

ROTATING BEACON - 360 degree, red lens, Do-Ray no. 4002, parts list Fig. 4-174

1шт.

2

L16101

MOUNT - beacon

1шт.

3

221-236

PIPE,Nipple, 1" NPT x 1 1/2"

NIPPLE - 1" NPT

1шт.

4

L16615

CAGE

- beacon, order L104480

1шт.

5

L104480

CAGE

- beacon, used with L16100 and L16676 beacons

1шт.

6

221-244

NIPPLE - 1" NPT

1шт.

7

113-49

BOLT,Hex, 1/4" - 20 x 4", Gr 5

- hex head, 1/4" - 20 NC x 4", used with L104480 cage

3шт.

8

131-650

NUT,1/4"-20, GB

NUT - hex, self-locking, 1/4" - 20 NC, used with L104480 cage

3шт.

9

L110648

LAMP

ROTATING BEACON - 360 degree, amber lens, parts list Fig. 4-176

1шт.

10

L110647

CAGE

- beacon, no longer available, order L114301 cage

1шт.

11

L109042

GASKET

TRIM - edge

1шт.

12

L114301

CAGE

- beacon, used with L110648 beacon

1шт.

13

169-111

SCREW,Sl Fil Hd, #10 - 24 x 3"

MACHINE SCREW - slotted head, no. 10 - 24 NC x 3", used with L114301 cage

3шт.

14

92-3

LOCK WASHER,#10

WASHER, LOCK, , Used with L114301 cage #10

3шт.

15

129-7

NUT,Hex, #10 - 24

- hex, no. 10 - 24 NC, used with L114301 cage

3шт.

16

193-70

LOCK WASHER,Ext-Int Tooth, #10

WASHER, LOCK, , If used, not shown Ext-Int Tooth, #10

3шт.

127158A1

LENS

blue, available for the A187528 and A187985 beacons

1шт.

Выбрано товаров: 0