Запчасти Case W36 (4-172) - LAMPS AND ROTATING BEACON, USED ON MODELS WITH CANOPY (04) - ELECTRICAL SYSTEMS

Схема запчастей Case W36 - (4-172) - LAMPS AND ROTATING BEACON, USED ON MODELS WITH CANOPY (04) - ELECTRICAL SYSTEMS
FIT
1:1
100%

Артикул

Название

Примечание

Количество

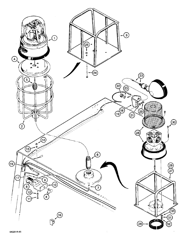
1

L16100

BEACON

ROTATING BEACON - 360 degree, amber lens, Do-Ray no. 4002, parts list Fig. 4-174

1шт.

1

L16676

BEACON

ROTATING BEACON - 360 degree, red lens, Do-Ray no. 4002, parts list Fig. 4-174

1шт.

2

L16615

CAGE

- beacon, order L104480

1шт.

3

L104480

CAGE

- beacon, used with L16100 and L16676 beacons

1шт.

4

L16101

MOUNT - beacon

1шт.

5

221-236

PIPE,Nipple, 1" NPT x 1 1/2"

NIPPLE - 1" NPT

1шт.

6

221-244

NIPPLE - 1" NPT

1шт.

7

L70707

ELECTRICAL WIRE

WIRE ASSEMBLY - beacon to switch, Serial Range: -9156438

1шт.

7

L114447

HARNESS

WIRE ASSEMBLY - beacon to switch, Start Serial: 9156438

1шт.

L16099

SWITCH

- rotating beacon, includes fuse, Includes: Ref. 8 and 9

1шт.

8

NSS

NOT SOLD SEPARAT

SWITCH - without fuse

1шт.

9

223-20

FUSE,20 Amp, Type SFE

- 20 amp, SFE

1шт.

10

L114146

BRACKET

- switch mount

1шт.

11

13-412

BOLT,Hex, 1/4" - 20 x 3/4", Gr 5, Full Thd

2шт.

12

95-4

WASHER,1/4"

- flat, 1/4"

2шт.

13

92-4

LOCK WASHER,1/4"

WASHER, LOCK, 1/4"

2шт.

14

25-104

NUT,1/4"-20, G5

2шт.

15

L76549

HARNESS

- canopy, Serial Range: -9156438

1шт.

15

L114413

HARNESS

- canopy, Start Serial: 9156438

1шт.

16

L100659

CLIP

- harness

1шт.

17

L73339

ELECTRICAL WIRE

WIRE - harness to switch, Serial Range: -9156438

1шт.

17

L114446

HARNESS

WIRE - harness to switch, Start Serial: 9156438

1шт.

18

L74686

BRACKET

- flood lamp, right-hand

1шт.

19

L74687

BRACKET

- flood lamp, left-hand

1шт.

20

13-612

BOLT,Hex, 3/8" - 16 x 3/4", Gr 5, Full Thd

2шт.

21

92-6

LOCK WASHER,3/8"

2шт.

22

REF

INSTRUCTION

FLOOD LAMP - front, parts list Figs. 4-156 and 4-158

2шт.

23

193-48

LOCK WASHER,Ext-Int Tooth, 1/2"

WASHER, LOCK, Ext-Int Tooth, 1/2"

2шт.

24

113-49

BOLT,Hex, 1/4" - 20 x 4", Gr 5

- hex head, 1/4" - 20 NC x 4", used with L104480 cage

3шт.

25

131-650

NUT,1/4"-20, GB

NUT - hex, self-locking, 1/4" - 20 NC, used with L104480 cage

3шт.

26

L110648

LAMP

ROTATING BEACON - 360 degree, amber lens, Signal Stat no. 378Y106, parts list Fig. 4-176

1шт.

27

L110647

CAGE

- beacon, used with L110648 beacon, no longer available order L114301 cage

1шт.

28

L109042

GASKET

TRIM - edge

1шт.

29

L114301

CAGE

- beacon, used with L110648 beacon

1шт.

30

182-138

SCREW,Sl Pan Hd, #10 - 24 x 3"

MACHINE SCREW - slotted head, no 10 - 24 NC x 3", used with L114301 cage

3шт.

31

492-11010

LOCK WASHER,#10

WASHER, LOCK, , Used with L114301 cage #10

3шт.

32

129-17

NUT,Hex, #10 - 24

NUT - hex, no. 10 - 24 NC, plated, used with L114301 cage

3шт.

33

193-70

LOCK WASHER,Ext-Int Tooth, #10

WASHER, LOCK, Ext-Int Tooth, #10

3шт.

127158A1

LENS

blue, available for the A187528 and A187985 beacons

1шт.

Выбрано товаров: 0