Запчасти Case W36 (4-182) - CAB WIPER (04) - ELECTRICAL SYSTEMS

Схема запчастей Case W36 - (4-182) - CAB WIPER (04) - ELECTRICAL SYSTEMS
FIT
1:1
100%

Артикул

Название

Примечание

Количество

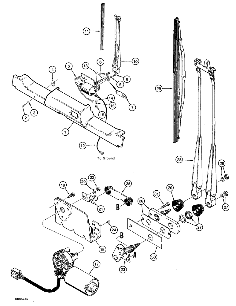
1

L111751

COVER

- wiper, motor, with raised center panel, does not include ashtray, see Fig. 9-512 for optional cover and ashtrays

1шт.

2

187-1099

SELF-TAP SCREW,Cross Oval Hd, #10 x 1 1/4"

SCREW - self-tapping, Phillips oval head, no. 10 - 16 NC x 1-1/4", black

4шт.

3

F43576

WASHER

- black nylon, no. 10

4шт.

4

131-645

NUT,Tinn, U, #10

- U-type, no. 10 - 16 NC

4шт.

5

REF

INSTRUCTION

MOTOR - front wiper, parts list Fig. 4-186, included in cab prior to, Start Serial: 52650

1шт.

6

L35753

ADAPTER

- panograph wiper, front, included in cab prior to, Start Serial: 52650

1шт.

7

D70646

BUSHING

SPACER - adapter, front wiper, included in cab prior to, Start Serial: 52650

1шт.

8

14-412

BOLT,Hex, 1/4" - 28 x 3/4", Gr 5, Full Thd

- hex head, 1/4" - 20 NC x 3/4", front wiper, included in cab prior to, Start Serial: 52650

2шт.

9

192-19

LOCK WASHER,Helical Spring, 0.256" ID, CST, ZND

WASHER, LOCK, , Front wiper, included in cab prior to 1/4", Start Serial: 52650

2шт.

10

L35263

ARM

- wiper, 18" (458 mm) long, front, included in cab prior to, Start Serial: 52650

1шт.

11

F42214

WIPER

BLADE - wiper, 18" (458 mm) long, front, included in cab prior to, Start Serial: 52650

1шт.

12

L40793

ELECTRICAL WIRE

WIRE - ground, front wiper, included in cab prior to, Start Serial: 52650

1шт.

13

113-335

BOLT,Hex, 7/16" - 14 x 3/4", Gr 5, Full Thd

Front wiper, included in cab prior to Hex, 7/16"-14 x 3/4", G5, Full Thd, Start Serial: 52650

1шт.

14

95-7

WASHER,7/16"

- flat, , front wiper, included in cab prior to 7/16", Start Serial: 52650

1шт.

15

92-7

LOCK WASHER,7/16"

front wiper, included in cab prior to 7/16", Start Serial: 52650

1шт.

16

25-107

NUT,7/16"-14, G5

- hex, 7/16" - 14 NC, front wiper, included in cab prior to, Start Serial: 52650

1шт.

17

F96877

WIPER MOTOR

MOTOR - front wiper, included in cab and after, Serial Range: 52650-9156438

1шт.

18

N8359

SUPPORT

BRACKET - wiper, front, included in cab and after, Serial Range: 52650-9156438

1шт.

19

N8362

CAPTIVE WASHER SCREW,Hex, M6 x 18.50mm, Gr 10.9

SCREW AND WASHER - special, front wiper, included in cab and after, Serial Range: 52650-9156438

1шт.

20

N8361

SPRING WASHER

- wave, front wiper, included in cab and after, Serial Range: 52650-9156438

1шт.

21

N8360

SUPPORT

ARM - drive, front wiper, included in cab and after, Serial Range: 52650-9156438

1шт.

22

825-1408

NUT,M8, Cl 8

Front wiper, Included in cab and after M8, Cl 8, Serial Range: 52650-9156438

1шт.

23

N8357

PIVOT ASSY.

PIVOT - wiper, front, included in cab and after, Serial Range: 52650-9156438

1шт.

24

N8356

SCREW,Phillips Drive, Flat HD, M5 x 8mm

- special, front wiper, included in cab and after, Serial Range: 52650-9156438

4шт.

25

N8358

LINK

LINK - wiper, front, included in cab and after, Serial Range: 52650-9156438

1шт.

26

N8354

SET OF PARTS

KIT - adapter, pantograph, front wiper, included in cab and after, Serial Range: 52650-9156438

1шт.

27

N8355

SET OF PARTS

KIT - mounting, front wiper, included in cab and after, Serial Range: 52650-9156438

1шт.

28

N8353

WIPER ARM

ARM - wiper, front, included in cab and after, Serial Range: 52650-9156438

1шт.

29

N8352

WIPER BLADE

BLADE - wiper, front, included in cab and after, Serial Range: 52650-9156438

1шт.

30

N8636

SPACER

- pantograph, front wiper, included in cab and after, Serial Range: 52650-9156438

1шт.

31

114-1

BOLT,Hex, 1/4" - 28 x 1", Gr 5

Front wiper, included in cab and after Hex, 1/4"-28 x 1", G5, Serial Range: 52650-9156438

1шт.

Выбрано товаров: 0