Запчасти Case W36 (4-186) - FRONT WIPER MOTOR (04) - ELECTRICAL SYSTEMS

Схема запчастей Case W36 - (4-186) - FRONT WIPER MOTOR (04) - ELECTRICAL SYSTEMS
FIT
1:1
100%

Артикул

Название

Примечание

Количество

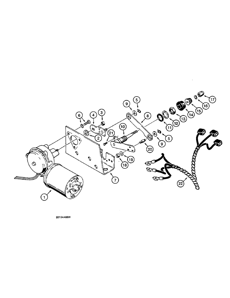
L35259

WIPER MOTOR

MOTOR - wiper, front, bullet connectors, use F93654 motor and N7016 jumper wire

1шт.

F93654

WIPER MOTOR

MOTOR ASSEMBLY - windshield wiper, Includes: Ref. 1 - 3

1шт.

1

NSS

NOT SOLD SEPARAT

MOTOR - 24V

1шт.

2

D71411

WASHER

- wave

1шт.

3

F44452

LOCK NUT

AND EXTERNAL WASHER - 1/4" - 28 NF

1шт.

3a

N6029

GEAR

DRIVE GEAR - plastic, not shown

1шт.

4

A36091

ARM

- drive

1шт.

5

D71414

CLIP

- spring

2шт.

6

D72849

SCREW

AND WASHER - no. 10 - 32 NF

3шт.

7

D72850

BRACKET

- motor

1шт.

8

D71427

LINK,85.85mm L

- wiper

1шт.

9

A22431

WASHER

SPACER - washer

2шт.

D72848

SHAFT

AND PIVOT - wiper, Includes: Ref. 10 - 20

1шт.

10

NSS

NOT SOLD SEPARAT

SHAFT

1шт.

11

D71417

SPECIAL WASHER

WASHER - felt

1шт.

12

D71418

WASHER

- flat

1шт.

13

D71419

NUT

- shaft

1шт.

14

D71420

CAP

BOOT - rubber

1шт.

15

D71421

TOOL

DRIVER - knurled

1шт.

16

193-9

LOCK WASHER,Ext Tooth, 5/16"

WASHER, LOCK, Ext Tooth, 5/16"

1шт.

17

D71422

NUT

- cap

1шт.

18

425-154

JAM NUT,Jam, 1/4"-28, G5

1шт.

19

193-60

LOCK WASHER,Int Tooth, 1/4"

WASHER - flat, 1/4", plated

1шт.

20

D73642

PIN

- special

1шт.

21

F44456

SCREW,0.19" - 32 x 3 3/4"

- round head slotted, no. 10 - 32 NF x 3/8", plated

2шт.

22

N7016

ELECTRICAL WIRE

HARNESS - jumper wire, if used

1шт.

Выбрано товаров: 0