Запчасти Case W36 (1-12) - PICTORIAL INDEX, BASIC HYDRAULIC CIRCUIT (00) - PICTORIAL INDEX

Схема запчастей Case W36 - (1-12) - PICTORIAL INDEX, BASIC HYDRAULIC CIRCUIT (00) - PICTORIAL INDEX
FIT
1:1
100%

Артикул

Название

Примечание

Количество

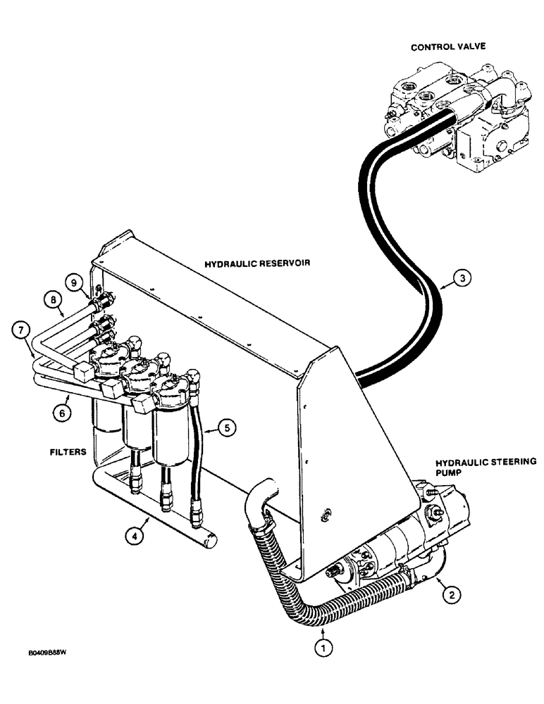
1

Hose from hydraulic reservoir to tube at steering pump, Page 8-263

1шт.

2

Tube from supply hose to reservoir steering pump, Page 8-263

1шт.

3

Hose from control valve to tube at reservoir, Page 8-265

1шт.

4

Tube from return hose from control valve to hoses at filters, Page 8-265

1шт.

5

Hose from return tube to filter, Page 8-265

1шт.

6

Tube from right-hand filter to short hose at reservoir, Page 8-265

1шт.

7

Tube from center filter to short hose at reservoir, Page 8-265

1шт.

8

Tube from left-hand filter to short hose at reservoir, Page 8-265

1шт.

9

Hose from tube to reservoir, Page 8-265

1шт.

Выбрано товаров: 9