Запчасти Case W36 (9-340) - SUSPENSION SEAT (09) - CHASSIS/ATTACHMENTS

Схема запчастей Case W36 - (9-340) - SUSPENSION SEAT (09) - CHASSIS/ATTACHMENTS
FIT
1:1
100%

Артикул

Название

Примечание

Количество

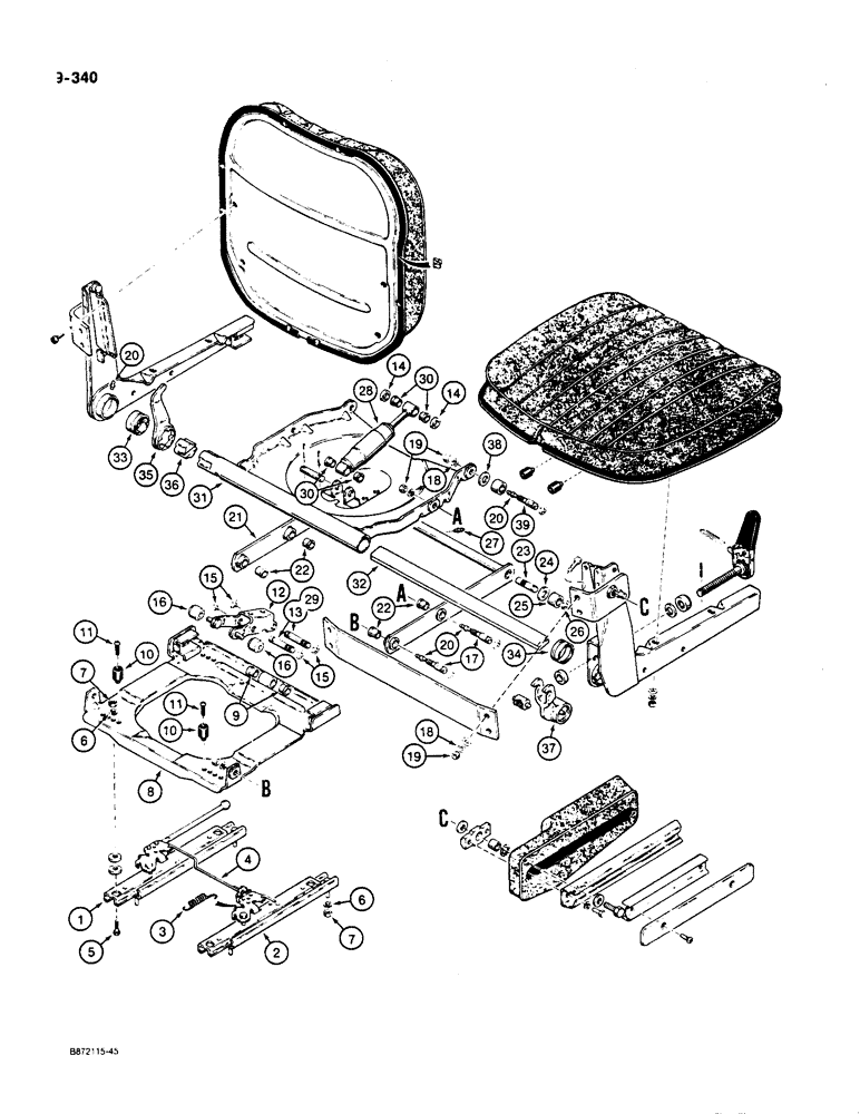
L112057

SEAT ASSY.

SEAT ASSEMBLY - suspension, Includes: Ref. 1 - 39 and Ref. 40 - 78 on Figure 8-342

1шт.

D64865

KIT

- slide rail, Includes: Ref. 1 - 4

1шт.

1

NSS

NOT SOLD SEPARAT

RAIL - left-hand, with handle

1шт.

2

NSS

NOT SOLD SEPARAT

RAIL - right-hand

1шт.

3

NSS

NOT SOLD SEPARAT

SPRING - side rail

1шт.

4

D64866

BAR

KIT - latch wire

1шт.

5

13-516

BOLT,Hex, 5/16" - 18 x 1", Gr 5

4шт.

6

192-20

LOCK WASHER,Helical Spring, 0.318" ID, CST, ZND

WASHER, LOCK, 5/16"

8шт.

7

9635082

NUT,5/16" - 18, Gr 5

8шт.

D74519

BASE

ASSEMBLY - seat, Includes: Ref. 8 and 9

1шт.

8

NSS

NOT SOLD SEPARAT

BASE - seat, serial number attached

1шт.

9

D64843

FLANGED BEARING,0.508" ID x 0.753" OD x 0.562"

BEARING - flanged

2шт.

10

N7911

BUMPER

- rear

2шт.

11

182-509

SCREW,Cross Pan Hd, 5/16" - 18 x 1"

MACHINE SCREW - Phillips head, 5/16" - 18 NC x 1"

2шт.

D64853

LEVER

ASSEMBLY KIT - shock absorber, Includes: Ref. 12 and 13

1шт.

12

NSS

NOT SOLD SEPARAT

LEVER - shock absorber

1шт.

13

D64854

SHAFT

- hinge, shock, also included with D64855 shock absorber kit

2шт.

14

195-2066

WASHER,33/64" x 7/8" x .180"

- flat, 1/2", plated

2шт.

15

D66299

SNAP RING,#50, .392" Dia, E-Type

Ring, Retaining, , shaft #50, .392" Dia, E-Type

4шт.

16

D64864

ROLLER

- nylon

2шт.

17

D66298

STUD

- lever assembly

4шт.

18

92-6

LOCK WASHER,3/8"

10шт.

19

25-106

NUT,3/8"-16, G5

- hex, 3/8" - 16 NC

10шт.

20

219-411

LUBE NIPPLE,3/16" NPTF

GREASE FITTING - straight, 3/16"

8шт.

D64844

LEVER

ASSEMBLY - outer, Includes: Ref. 21 - 23

1шт.

21

NSS

NOT SOLD SEPARAT

LEVER - outer

1шт.

22

D64845

FLANGED BEARING,0.504" ID x 0.763" OD x 0.687"

BEARING - flanged

4шт.

23

D64846

AXLE PIN

PIN - drive

2шт.

24

195-533

WASHER,1/2", SAE

- flat, 1/2"

2шт.

25

D66297

BEARING ASSY

BEARING - roller

2шт.

26

D66299

SNAP RING,#50, .392" Dia, E-Type

Ring, Retaining, , drive pin #50, .392" Dia, E-Type

2шт.

27

219-4

LUBE NIPPLE,1/8" - 27 NPTF

GREASE FITTING - special extra short, 1/8" NPT

1шт.

D64855

SHOCK ABSORBER

ASSEMBLY KIT - seat, Includes: Ref. 28 - 30

1шт.

28

NSS

NOT SOLD SEPARAT

SHOCK ABSORBER - seat

1шт.

29

D64854

SHAFT

- hinge, shock

1шт.

30

D64856

FLANGED BEARING,0.503" ID x 0.625" OD x 0.5"

BEARING - flanged

4шт.

D64847

BASE

LEVER ASSEMBLY KIT - center, Includes: Ref. 31 - 35

1шт.

31

NSS

NOT SOLD SEPARAT

LEVER - center

1шт.

32

D64851

BAR

TORSION BAR - set of two

1шт.

33

D64848

HOUSING

- bearing, left-hand

1шт.

34

D64849

HOUSING

- bearing, right-hand

1шт.

35

D64850

LEVER

INDICATOR - ride level

1шт.

36

D64857

RETAINER

- T bar

1шт.

37

D64858

ADJUSTER

- yoke

1шт.

38

195-533

WASHER,1/2", SAE

- flat, 1/2"

2шт.

39

D66298

STUD

- lever assembly

2шт.

Выбрано товаров: 46