Запчасти Case W36 (4-086) - STARTER (04) - ELECTRICAL SYSTEMS

Схема запчастей Case W36 - (4-086) - STARTER (04) - ELECTRICAL SYSTEMS
FIT
1:1
100%

Артикул

Название

Примечание

Количество

REF

INSTRUCTION

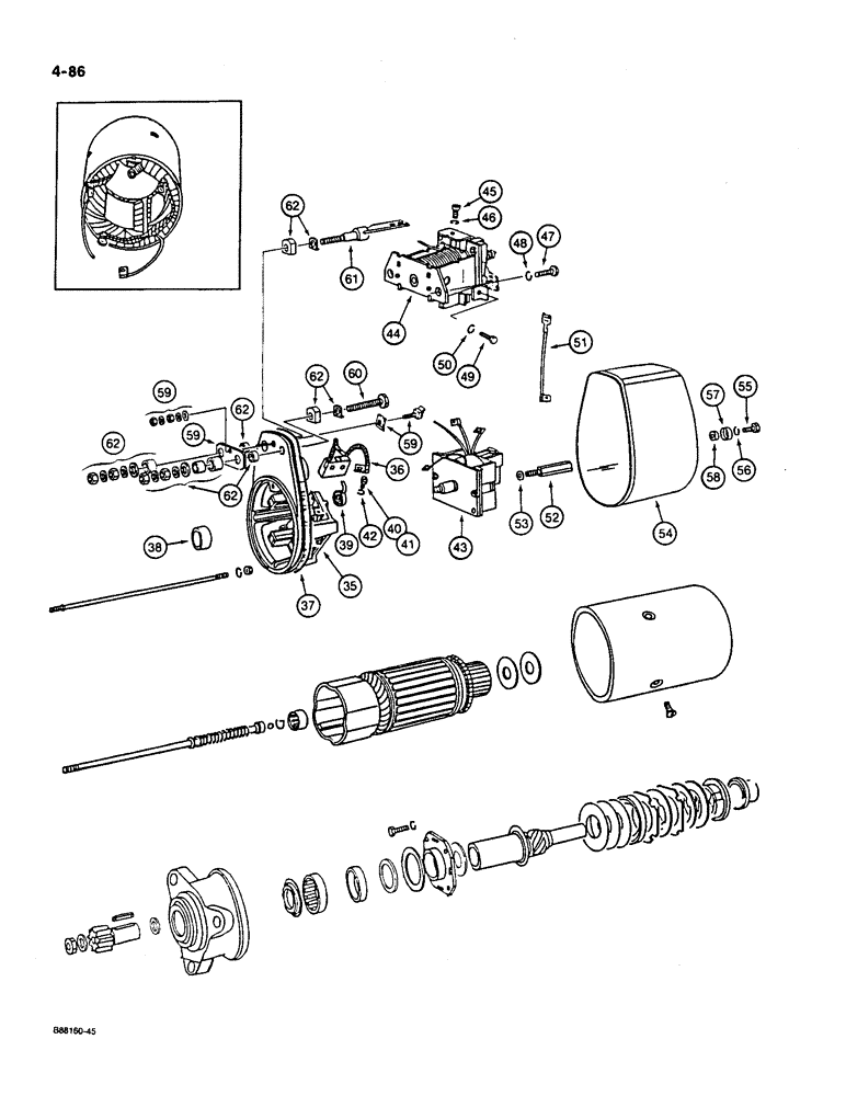
STARTER ASSEMBLY - 24 volt, continued from Figure 4-084, Includes: Ref. 35 - 62 and 1 - 34 on Figure 4-84

1шт.

35

E67200

HOUSING

TERMINAL ASSEMBLY - brush holder and brushes, Includes: Ref. 36 and 37

1шт.

36

E67187

BRUSH ASSY.

KIT - brush

1шт.

37

E67197

O-RING

SEAL- terminal assembly

1шт.

38

NSS

NOT SOLD SEPARAT

BUSHING - brush holder

1шт.

Part of repair kit P/N E67190.

1шт.

39

NSS

NOT SOLD SEPARAT

SPRING - brush holder

4шт.

Part of repair kit P/N E67190.

1шт.

40

NSS

NOT SOLD SEPARAT

SCREW - brush terminal

2шт.

Part of repair kit P/N E67190.

1шт.

41

NSS

NOT SOLD SEPARAT

SCREW - brush terminal

2шт.

Part of repair kit P/N E67190.

1шт.

42

NSS

NOT SOLD SEPARAT

WASHER - lock, brush terminal screws

4шт.

Part of repair kit P/N E67190.

1шт.

43

E67191

RELAY

SOLENOID - magnetic switch

1шт.

44

E67192

RELAY

- starter control

1шт.

45

NSS

NOT SOLD SEPARAT

SCREW - battery connector, used with bolt, Ref. 61

1шт.

Part of repair kit P/N E67190.

1шт.

46

NSS

NOT SOLD SEPARAT

WASHER - lock

1шт.

Part of repair kit P/N E67190.

1шт.

47

NSS

NOT SOLD SEPARAT

BOLT - relay mounting

2шт.

Part of repair kit P/N E67190.

1шт.

48

NSS

NOT SOLD SEPARAT

WASHER - lock, relay mounting bolt

2шт.

Part of repair kit P/N E67190.

1шт.

49

NSS

NOT SOLD SEPARAT

BOLT - relay

3шт.

Part of repair kit P/N E67190.

1шт.

50

NSS

NOT SOLD SEPARAT

WASHER - lock

3шт.

Part of repair kit P/N E67190.

1шт.

51

NSS

NOT SOLD SEPARAT

WIRE - relay

1шт.

Part of repair kit P/N E67190.

1шт.

52

E67193

PIN

BOLT - special, end cover attaching

2шт.

53

NSS

NOT SOLD SEPARAT

WASHER - flat

2шт.

Part of repair kit P/N E67190.

1шт.

54

E67194

COVER

- end, brush holder

1шт.

55

NSS

NOT SOLD SEPARAT

BOLT - brush holder end cover to special bolt, Ref. 52

2шт.

Part of repair kit P/N E67190.

1шт.

56

NSS

NOT SOLD SEPARAT

WASHER - lock

2шт.

Part of repair kit P/N E67190.

1шт.

57

NSS

NOT SOLD SEPARAT

WASHER - seal

2шт.

Part of repair kit P/N E67190.

1шт.

58

NSS

NOT SOLD SEPARAT

SEAL - cover

2шт.

Part of repair kit P/N E67190.

1шт.

60

E67198

BOLT

BOLT - hex head, brush holder

1шт.

61

E67199

BOLT

- connector, battery, attaches to Ref. 45 screw

1шт.

62

E67188

KIT

- repair, includes insulators and outer mounting hardware

1шт.

E67190

REPAIR KIT

KIT - repair, Includes: Ref. 38 - 42, 45 - 51, 53 and 55 - 58 on this Figure and Ref. 3, 9, 10, 12, 13 and 26 on Figure 4-084

1шт.

Выбрано товаров: 46