Запчасти Case W36 (4-110) - OPERATORS COMPARTMENT, WIRING AND ELECTRICAL ACCESSORIES (04) - ELECTRICAL SYSTEMS

Схема запчастей Case W36 - (4-110) - OPERATORS COMPARTMENT, WIRING AND ELECTRICAL ACCESSORIES (04) - ELECTRICAL SYSTEMS
FIT
1:1
100%

Артикул

Название

Примечание

Количество

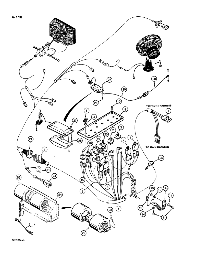
1

L115622

HARNESS

- lower, cab

1шт.

2

A42622

SWITCH

- blower

1шт.

3

L111292

SWITCH

- wiper

1шт.

4

A42561

JAM NUT,Hex, 7/16" - 28, RH Thd

- switches

3-6шт.

5

L74694

KNOB

- switches

2-6шт.

6

L114358

HARNESS

WIRE - jumper

2-6шт.

7

L59972

BREAKER

CIRCUIT BREAKER - 15 amp

1шт.

8

L76726

BREAKER

CIRCUIT BREAKER - 3 amp

1шт.

9

L111337

PANEL

- accessory

1шт.

10

187-1921

SELF-TAP SCREW,Cross Oval Hd, #10 x 3/4"

SCREW - Phillips, No. 10 - 16 NC x 3/4"

6шт.

11

413-616

BOLT,Hex, 3/8" - 16 x 1", Gr 5

- hex head, 3/8" - 16 NC x 3/4", plated

2шт.

12

492-11038

LOCK WASHER,3/8"

2шт.

13

425-106

NUT,3/8"-16, Cl 5

2шт.

14

193-72

LOCK WASHER

- internal-external tooth lock, 3/8", plated

2шт.

14a

D120366

STRAP

- ground, cab

1шт.

15

223-154

CONNECTOR, ELEC

CONNECTOR - male

2шт.

16

L70872

SWITCH

- beacon and defroster

1-2шт.

17

F43510

BREAKER

CIRCUIT BREAKER - 10 amp

1шт.

18

F43509

BREAKER

CIRCUIT BREAKER - 6 amp

1шт.

19

L73646

SWITCH

- air conditioning

1шт.

20

L104586

REMOTE CONTROL

SWITCH - heater control, with cable

1шт.

21

L100659

CLIP

- wire

1шт.

23

22-48

SELF-TAP SCREW,Hex, 1/4" - 20 x 1/2", Gr 2

SCREW - self-tapping, 1/4" - 20 NC x 1/2"

8шт.

24

L114298

HARNESS

- cab

1шт.

25

L18337

CABLE TIE,9.95"-12.1" lg

STRAP - tie, 15 inch, nylon

1шт.

26

171-245

SCREW,Cross Flat Hd, #8 - 32 x 1/2"

MACHINE SCREW, flat head Phillips, No. 8 - 32 NC x 1/2", plated

4шт.

Included in N13648 headliner assembly shown on figure 9-358.

1шт.

27

129-16

NUT,#8-32

4шт.

Included in N13648 headliner assembly shown on figure 9-358.

1шт.

28

L115619

HARNESS

WIRE -, Serial Range: ground,-headliner

1шт.

Included in N13648 headliner assembly shown on figure 9-358.

1шт.

29

L115618

HARNESS

WIRE - ground, to dome lamp

1шт.

Included in N13648 headliner assembly shown on figure 9-358.

1шт.

Выбрано товаров: 33