Запчасти Case W36 (6-168) - TRANSMISSION MOUNTING AND DIPSTICK (06) - POWER TRAIN

Схема запчастей Case W36 - (6-168) - TRANSMISSION MOUNTING AND DIPSTICK (06) - POWER TRAIN
FIT
1:1
100%

Артикул

Название

Примечание

Количество

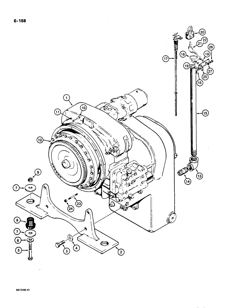
1

E156848

TRANSMISSION

- parts list Figure 6-172

1шт.

2

E97005

BRACKET

- transmission mount

1шт.

3

26-1232

BOLT,Hex, 3/4" - 10 x 2", Gr 8

4шт.

4

L79179

WASHER

- hardened

4шт.

5

113-714

BOLT,Hex, 3/4" - 10 x 5", Gr 5

2шт.

6

L79179

WASHER

- hardened

2шт.

7

L100884

WASHER

- special

4шт.

8

BHBE96654

CUSHION

MOUNT - transmission, rubber

4шт.

9

131-657

LOCK NUT,3/4"-10, GB

NUT - hex, self-locking, 3/4" - 10 NC, plated

2шт.

10

826-10055

BOLT,Hex, M10 x 1.5 x 55mm, Cl 10.9

- hex head, 10 mm - 1.5 x 55 mm (10.9)

8шт.

11

892-1110

LOCK WASHER,M10

WASHER - lock, 10 mm, plated

12шт.

12

391-502

LOCKWIRE - bolt, 14 gauge x 7" long, if used

8шт.

13

221-388

ELBOW,90 Degree, 1 1/4" x 1" NPT

- 90 degree

1шт.

14

221-239

SUN VISOR,Nipple, 1" NPT x 2"

NIPPLE - pipe, 2" x 1" NPT

1шт.

15

L71098

TUBE,1.66" OD x 27.5" L

PIPE - transmission filler

1шт.

16

L55049

SUPPORT

BRACKET - lock, weld on

1шт.

17

L77884

DIPSTICK,647.7mm L

- transmission oil gauge

1шт.

18

L14262

CLAMP

ASSEMBLY - includes hardware

1шт.

19

195-103

WASHER,5/16"

- flat, , plated 5/16"

2шт.

20

D93753

PADLOCK

- includes keys, if used, Includes: Ref. 21 and 22

1шт.

21

D93751

SET OF 2 KEYS

KEY - for Yale padlock only, if used

2шт.

22

R29555

KEY

- for Master padlock only, if used

2шт.

23

A140924

STUD

- special

4шт.

Ref. 23 - Should be E156007

1шт.

24

825-1010

NUT,M10, Cl 8

- hex, 10 mm - 1.5

4шт.

25

E97108

SUPPORT

BRACKET - mounting, filler tube

1шт.

26

113-312

BOLT,Hex, 7/16" - 14 x 1-1/4", Gr 5

1шт.

27

192-22

LOCK WASHER,7/16"

WASHER, LOCK, 7/16"

1шт.

Выбрано товаров: 0