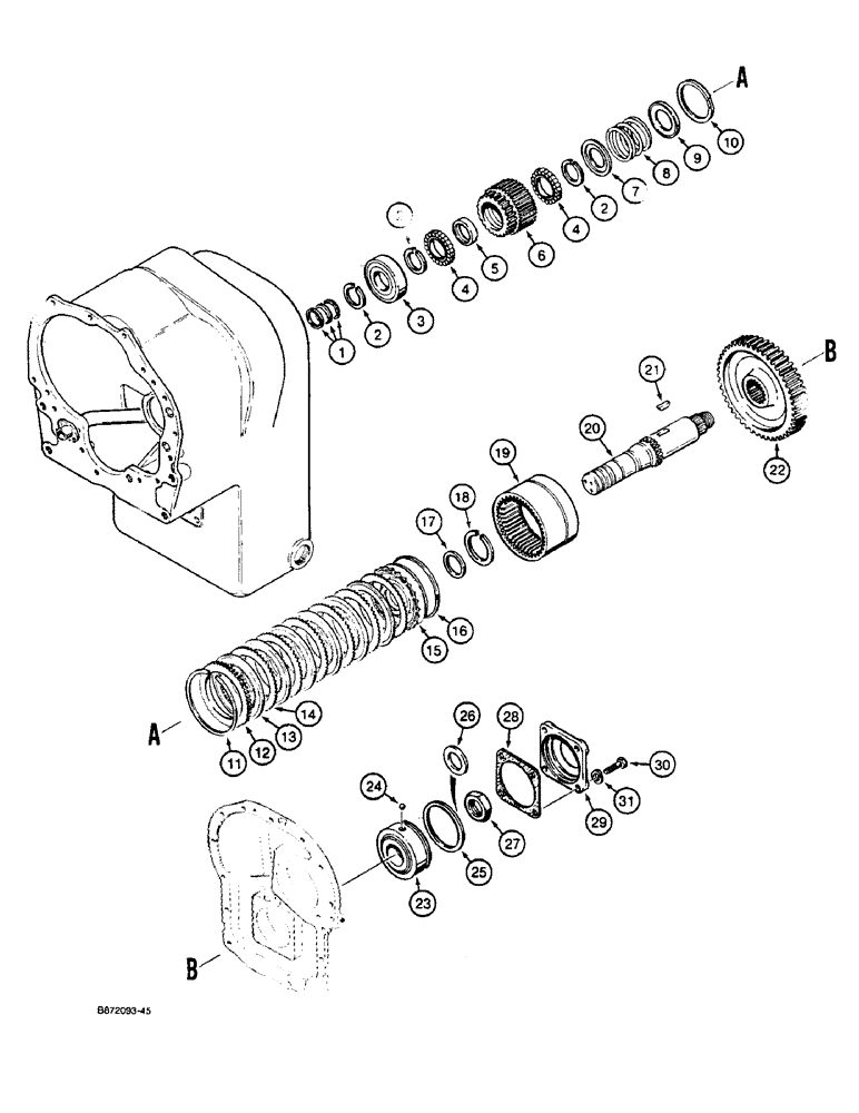
Запчасти Case W36 (6-186) - TRANSMISSION ASSEMBLY, FOURTH CLUTCH SHAFT PARTS (06) - POWER TRAIN

Схема запчастей Case W36 - (6-186) - TRANSMISSION ASSEMBLY, FOURTH CLUTCH SHAFT PARTS (06) - POWER TRAIN
FIT
1:1
100%

Артикул

Название

Примечание

Количество

1

D77016

RING

PISTON RING - shaft

3шт.

2

S89656

RING

SNAP RING - bearing

3шт.

3

D77018

BEARING, ROLLER, CYL,49.99mm ID x 90mm OD x 20mm W

BEARING - ball, rear

1шт.

4

D77034

BEARING, ROLLER, CYL,49.99mm ID x 72.1mm OD x 16mm W

BEARING - roller, fourth gear

2шт.

5

D77041

SPACER

- bearing

1шт.

6

N8874

GEAR

- fourth

1шт.

7

L33488

RETAINER

SEAT - spring, rear

1шт.

8

L33487

VALVE SPRING

SPRING - return

1шт.

9

S89661

RETAINER

SEAT - spring, front

1шт.

10

L33512

RING

- oil baffle

1шт.

11

A17918

RING

SNAP RING - backing plate

1шт.

12

A17919

PLATE

- backing

1шт.

13

D55252

DISC,107.72mm ID x 148.84mm OD x 2.62mm Thk

- with inner teeth

6шт.

14

A17921

DISC

- with outer teet teethh

6шт.

N13957

PISTON ASSY.

PISTON ASSEMBLY - clutch, Includes: Ref. 15 and 16

1шт.

15

NSS

NOT SOLD SEPARAT

PISTON - clutch

1шт.

16

N13959

SEAL

- outer

1шт.

17

L33485

SEAL,50.32mm ID x 62.56mm OD x 3.97mm Thk

- inner, clutch

1шт.

18

N8866

RING

SNAP RING - drum

1шт.

19

N8867

DRUM

AND HUB ASSEMBLY - clutch

1шт.

20

N8868

SHAFT

- idler

1шт.

21

N8869

KEY

- idler shaft

1шт.

22

N8870

GEAR

- idler

1шт.

23

N8871

BEARING CAP,60.337mm ID x 104.800mm OD x 44.50mm

BEARING - roller, dual tapered

1шт.

24

211-213

BALL,15/32" Dia

- 15/32", grade 25, chrome alloy steel

1шт.

25

S89674

RING

- bearing

1шт.

26

N8872

WASHER

- idler shaft

1шт.

27

S89676

NUT

- special

1шт.

28

D77022

GASKET

- cover

1шт.

29

N8873

COVER

- bearing

1шт.

30

113-515

BOLT,Hex, 9/16" - 12 x 1-1/4", Gr 5, Full Thd

4шт.

31

192-24

LOCK WASHER,9/16"

WASHER, LOCK, 9/16"

4шт.

Выбрано товаров: 32