Запчасти Case W4 (074) - VARIABLE DISPLACEMENT PUMP (06) - POWER TRAIN

Схема запчастей Case W4 - (074) - VARIABLE DISPLACEMENT PUMP (06) - POWER TRAIN
FIT
1:1
100%

Артикул

Название

Примечание

Количество

H626903

PUMP

ASSEMBLY - variable displacement, Sunstrand No. 18-2064, new, does not have circuit relief valves, may order rebuilt pump H654327 for service, if used, Includes: Ref. 1-46

1шт.

H654327

PUMP

ASSEMBLY - variable displacement, rebuilt, same as H626903, if used, Includes: Ref. 1-46

1шт.

H660399

PUMP

ASSEMBLY - variable displacement, Sundstrand No. 18-2071, new, includes circuit relief valves, may order rebuilt pump H667964 for service, if used, Includes: Ref. 1-46

1шт.

H667964

CORE-HYDRAULIC PUMP

PUMP ASSEMBLY - variable displacement, rebuilt, same as H660399, if used, Includes: Ref. 1-46

1шт.

Should be H667956.

1шт.

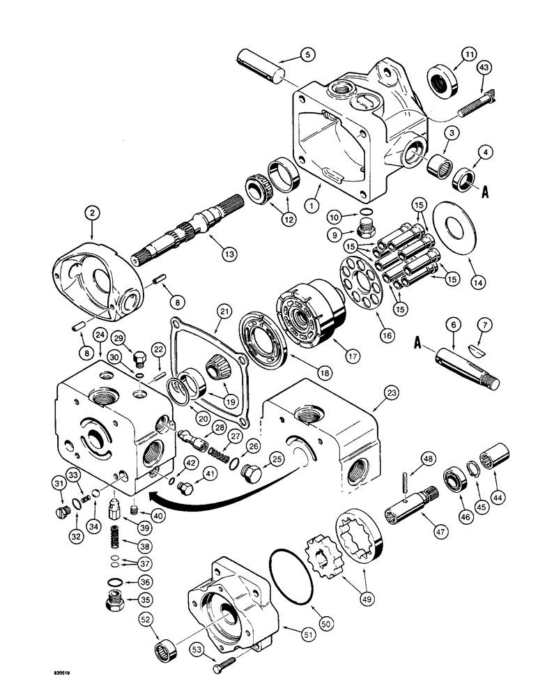
1

N7974

HOUSING

- input shaft end

1шт.

2

N7975

LARGE PLATE

SWASH PLATE - pistons

1шт.

3

A12652

NEEDLE BEARING,1" ID x 1.251" OD x 0.75"

- control shaft

2шт.

4

H354001

SEAL ASSY.

SEAL - lip, bearing

2шт.

5

H351429

SHAFT

- trunnion, with pin hole

1шт.

6

H387662

SHAFT

- trunnion, tapered and threaded

1шт.

7

126-32

WOODRUFF KEY,#21, 1/4" x 1 1/4"

1шт.

8

138-2069

PIN,5/16" x 3/4", Coiled

Trunnion shafts 5/16" x 3/4", Coiled

4шт.

9

214389

PLUG,3/4" - 16 ORB

Housing, Includes Ref. 10 Hex Hd, 3/4"-16 ORB

1шт.

10

218-5006

O-RING,0.087" Thk x 0.644" ID, -908, Cl 6, 90 Duro

8-1, 90 Duro, .644" ID x .087" Thk, plug

1шт.

11

H756296

SEAL

- lip, input shaft

1шт.

12

H632505

CUP

BEARING KIT - input shaft, outer

1шт.

13

H387654

SHAFT

INPUT SHAFT - pump

1шт.

14

H351379

PLATE, THRUST

PLATE - thrust

1шт.

H632489

BLOCK

CYLINDER BLOCK ASSEMBLY - pump, Includes: Ref. 15-17

1шт.

15

NSS

NOT SOLD SEPARAT

PISTON - pump

9шт.

16

NSS

NOT SOLD SEPARAT

RETAINER - piston

1шт.

17

NSS

NOT SOLD SEPARAT

BLOCK - piston

1шт.

18

H351387

LARGE PLATE

PLATE - valve

1шт.

19

H636497

BEARING

KIT - shaft, inner

1шт.

20

N9525

SHIM,.010" Thk

Spacer, if used, not serviced separately .010" Thk

1шт.

21

H305441

GASKET

- housing

1шт.

22

H351445

PIN

- valve plate alignment

1шт.

23

N8026

CAP

END CAP - pump, does not use circuit relief valves, Ref. 25 thru 30, used as part of H626903 and H654327 pump assemblies only, if used

1шт.

24

N7976

CAP

END CAP - pump, uses circuit relief valves, Ref. 25 thru 30, used as part of N660399 and H667964 pump assemblies only, if used

1шт.

Replaced by 108175A1.

1шт.

24a

Replaced by 108194A1, not shown

1шт.

N7979

KIT

RELIEF VALVE ASSEMBLY - high pressure, used with N7976 end cap only, if used, Includes: Ref. 25-28

2шт.

25

H387696

PLUG

- relief valve

1шт.

26

218-5006

O-RING,0.087" Thk x 0.644" ID, -908, Cl 6, 90 Duro

8-1, 90 Duro, .644" ID x .087" Thk, plug

1шт.

27

N7980

SPRING

- relief valve

1шт.

28

N7981

KIT

RELIEF VALVE - high pressure

1шт.

29

9672438

PLUG,7/16" - 20 ORB

High pressure gauge port, Incl. Ref. 30 Hex Hd, 7/16"-20 ORB

2шт.

30

218-5003

O-RING,0.072" Thk x 0.351" ID, -904, Cl 6, 90 Duro

- plug

1шт.

H591537

KIT

CHECK VALVE ASSEMBLY - end cap, Includes: Ref. 31-34

2шт.

31

D63410

PLUG

- check valve

1шт.

32

D63409

VALVE SPRING

O-RING - plug

1шт.

O-ring should be P/N 237-6005.

1шт.

33

D63409

VALVE SPRING

SPRING - check valve

1шт.

34

211-12

BALL,7/16 Dia

- steel check valve

1шт.

H591545

LOCK VALVE

RELIEF VALVE ASSEMBLY - charge pump, Includes: Ref. 35-39

1шт.

35

H387696

PLUG

- relief valve

1шт.

36

218-5006

O-RING,0.087" Thk x 0.644" ID, -908, Cl 6, 90 Duro

8-1, 90 Duro, .644" ID x .087" Thk, plug

1шт.

37

N7977

BLOCK

SHIM KIT - relief valve

2шт.

38

H387688

SPRING

- relief valve

1шт.

39

H387670

VALVE POPPET

POPPET - charge pump

1шт.

40

F23137

PLUG

- pipe

2шт.

41

9672438

PLUG,7/16" - 20 ORB

End cap, Incl. Ref. 42 Hex Hd, 7/16"-20 ORB

2шт.

42

218-5003

O-RING,0.072" Thk x 0.351" ID, -904, Cl 6, 90 Duro

- plug

1шт.

43

61-736

HEX SOC SCREW,7/16"-14 x 2 1/4"

BOLT - hex socket head, 7/16" - 14 NC x 2-1/4"

4шт.

44

H387639

COUPLING

- pump shaft to charge pump shaft

1шт.

45

D46211

SNAP RING,#78, Ext

Ring, Snap, , bearing #78, Ext

1шт.

46

H758458

BALL BEARING

- charge pump shaft, inner

1шт.

47

H387647

SHAFT

- charge pump, Includes: Ref. 48-53

1шт.

N7978

PUMP

KIT - charge pump assembly, Includes: Ref. 48

1шт.

Charge pump kit has a cover plate, gasket, and 4 bolts not used in this application.

1шт.

48

H758441

PIN

- shaft

1шт.

49

H387738

ROTOR ASSY.

GEROTOR ASSEMBLY - complete

1шт.

50

H756650

O-RING

- housing to end cap

1шт.

51

H387704

HOUSING

- charge pump

1шт.

52

K620039

NEEDLE BEARING

- charge pump shaft, outer

1шт.

53

113-104

BOLT,Hex, 5/16" - 18 x 1-1/4", Gr 5

4шт.

Выбрано товаров: 0