Запчасти Case W4 (086) - HYDROSTATIC PUMP CONTROLS, NEUTRAL CENTERING LINKAGE, WITH 5/16 INCH CABLE & HYDRO-BACK CYLINDER (06) - POWER TRAIN

Схема запчастей Case W4 - (086) - HYDROSTATIC PUMP CONTROLS, NEUTRAL CENTERING LINKAGE, WITH 5/16 INCH CABLE & HYDRO-BACK CYLINDER (06) - POWER TRAIN
FIT
1:1
100%

Артикул

Название

Примечание

Количество

1

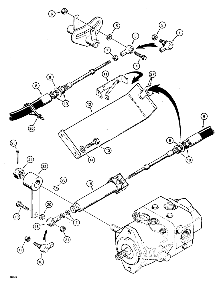
H289652

BALL JOINT,5/16" - 24 x 1-3/8" L

JOINT - pivot to cable, 5/16" - 24 NF, if used, service with Ref. 3

1шт.

2

131-1169

LOCK NUT,5/16"-24, GA

NUT, LOCK, , If used 5/16"-24, GA

1шт.

3

A76685

BALL JOINT

- pivot to cable, 5/16" - 24 NF, if used

1шт.

4

113-175

BOLT,Hex, 5/16" - 18 x 1-1/2", Gr 8

- hex head, 5/16" - 18 NC x 1-1/2", grade 8, if used

1шт.

5

195-525

WASHER,3/8", SAE

- flat, 5/16", if used

1шт.

6

131-1251

LOCK NUT,3/4"-16, GC

NUT - hex, self-locking, 5/16" - 18 NC, grade C, if used

1шт.

7

86637933

JAM NUT,5/16" - 24, Gr 5

3шт.

8

H383430

CABLE

- control, pivot to Hydro-Back, 5/16" - 24 NF ends, Includes: Ref. 9 & 10

1шт.

See Figure 90 for correct forward and reverse pedal assembly pivot.

1шт.

9

193-101

LOCK WASHER,Int Tooth, 11/16"

WASHER - internal tooth lock, 11/16"

2шт.

10

25-1511

JAM NUT - hex, 11/16" - 16 NF

4шт.

11

REF

INSTRUCTION

BRACKET - cable support, used on some tractors before SN 1205402 except 1205397, see Figure 84 for complete bracket and mounting hardware, items 7 thru 16

1шт.

This neutral centering linkage has been replaced by the system on Figure 88. For modification to the current system on figure 88, order kit H669077.

1шт.

12

H408864

BRACKET

- cable support, used on tractor SN 1205397, 1205402 and after

1шт.

13

814-10035

BOLT,Hex, M10 x 1.5 x 35mm, Cl 8.8, Full Thd

- hex, 10 mm - 1.5 x 35 mm (8.8)

2шт.

14

892-1110

LOCK WASHER,M10

WASHER - lock, 10 mm

2шт.

15

H411413

NEUTRAL CENTERING ASSEMBLY - Hydro-Back

1шт.

16

H289652

BALL JOINT,5/16" - 24 x 1-3/8" L

JOINT - cable to pump lever, 5/16" - 24 NF, if used, service with Ref. 18

1шт.

17

131-1169

LOCK NUT,5/16"-24, GA

NUT, LOCK, , If used 5/16"-24, GA

1шт.

18

A76685

BALL JOINT

- cable to pump lever, 5/16" - 24 NF, if used

1шт.

19

113-175

BOLT,Hex, 5/16" - 18 x 1-1/2", Gr 8

- hex head, 5/16" - 18 NC x 1-1/2, grade 8, if used

1шт.

20

195-525

WASHER,3/8", SAE

- flat, 5/16", if used

1шт.

21

131-1251

LOCK NUT,3/4"-16, GC

NUT - hex, self-locking, 5/16" - 18 NC, grade C, if used

1шт.

22

H658682

LEVER - pump control

1шт.

23

126-28

WOODRUFF KEY,#18, 1/4" x 1 1/8"

Lever to pump shaft #18, 1/4" x 1 1/8"

1шт.

24

86632554

SLOTTED NUT,3/4"-16, G5

CASTLE NUT - hex, 3/4" - 16 NF

1шт.

25

132-345

COTTER PIN,3/16" x 1 1/2"

PIN, SPLIT (COTTER), , Nut 3/16" x 1 1/2"

1шт.

26

L18331

CABLE TIE,375.9mm L, Nylon, Black

TIE STRAP - cable

1шт.

27

195-545

WASHER,3/4", SAE

- flat, 3/4", used for cable adjustment, if used

2шт.

Выбрано товаров: 29