Запчасти Case W4 (102) - DRIVE SHAFT AND DISC BRAKE (06) - POWER TRAIN

Схема запчастей Case W4 - (102) - DRIVE SHAFT AND DISC BRAKE (06) - POWER TRAIN
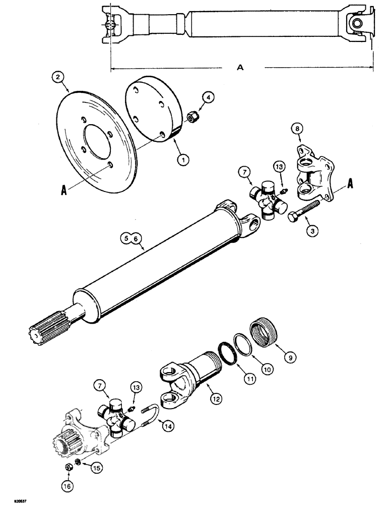
FIT
1:1
100%

Артикул

Название

Примечание

Количество

1

H336404

SPACER

- drive shaft

1шт.

2

H336412

BRAKE DISC

DISC - brake

1шт.

See Figure 114 for brake actuator.

1шт.

3

26-740

BOLT,Hex, 7/16" - 14 x 2-1/2", Gr 8

- hex head, 7/16" - 14 NC x 2-1/2, grade 8

4шт.

4

131-1129

LOCK NUT,7/16"-14, GA

NUT - hex, self-locking, 7/16" - 14 NC

4шт.

H627380

DRIVE ASSY.

DRIVE SHAFT ASSEMBLY - used with H627422 two speed transmission (Parts list Figure 104), uses ref. 5 (H643650) drive shaft, dimension "A" collapsed length is 25.69" (652.5 MM) long, Includes: Ref. 5-12

1шт.

H648501

DRIVE SHAFT

ASSEMBLY - used with H647503 two speed transmission (Parts list Figure 106), uses Ref. 6 (H653402) drive shaft, dimension "A" collapsed length is 25.31" (642.9 MM) long, Includes: Ref. 5-12

1шт.

5

H643650

SHAFT ASSY.

DRIVE SHAFT - used with H627422 transmission, part of H627380 drive shaft assembly

1шт.

6

H653402

SHAFT

DRIVE SHAFT - used with H647503 transmission, part of H648501 drive shaft assembly, not shown

1шт.

7

D70629

U-JOINT SPIDER

KIT - bearing and cross

2шт.

8

H380493

YOKE

- flange

1шт.

9

H223875

CYLINDER END CAP

CAP - dust

1шт.

10

H223891

WASHER

- steel

1шт.

11

H223883

WASHER

- cork, seal

1шт.

12

H223867

YOKE

- slip

1шт.

13

219-12

LUBE NIPPLE,1/4" - 32

GREASE FITTING - straight, bearing cross

2шт.

H183566

BOLT

U-BOLT ASSEMBLY - joint retaining, Includes: Ref. 14-16

2шт.

14

NSS

NOT SOLD SEPARAT

U-BOLT

1шт.

15

195-2026

WASHER,.328" x 5/8" x .065"

- lock, 5/16"

2шт.

16

9635082

NUT,5/16" - 18, Gr 5

2шт.

Выбрано товаров: 0