Запчасти Case W4 (196) - SEAT AND SEAT MOUNTING (09) - CHASSIS/ATTACHMENTS

Схема запчастей Case W4 - (196) - SEAT AND SEAT MOUNTING (09) - CHASSIS/ATTACHMENTS
FIT
1:1
100%

Артикул

Название

Примечание

Количество

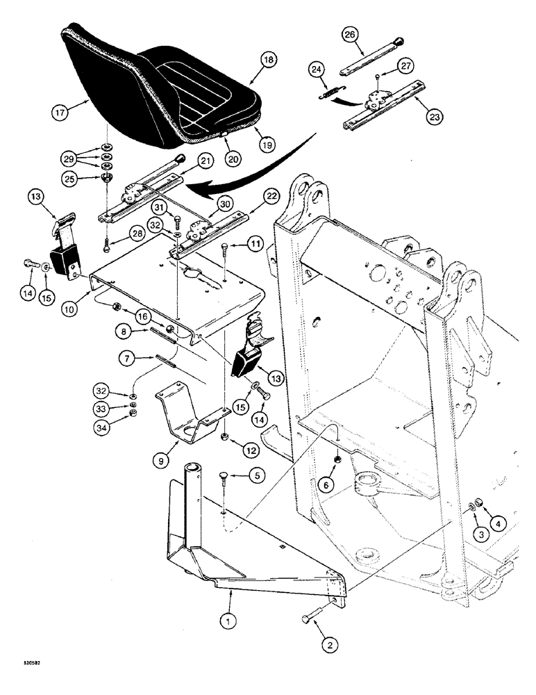
1

H627307

SUPPORT - rear floor

1шт.

2

113-412

BOLT,Hex, 1/2" - 13 x 1-3/4", Gr 5

4шт.

3

95-8

WASHER,1/2"

flat 1/2"

4шт.

4

131-1182

LOCK NUT,1/2"-13, GA

NUT - hex, self-locking, 1/2" - 13 NC

4шт.

5

111-421

CARRIAGE BOLT,Short NK, 7/16"-14 x 1 1/2", G2

BOLT, CARRIAGE, Short NK, 7/16"- 14 x 1 1/2", G2

2шт.

6

131-1129

LOCK NUT,7/16"-14, GA

NUT - hex, self-locking, 7/16" - 14 NC

2шт.

7

138-181

LOCK PIN,3/8" x 2 1/2", Slotted

ROLL PIN - seat retaining, 3/8" x 2-3/4"

1шт.

8

138-186

LOCK PIN,3/8" x 4", Slotted

Pin, , seat retaining 3/8" x 4", Slotted

1шт.

9

H336180

LARGE PLATE

PLATE - seat support

1шт.

10

H336222

PLATE

- seat mounting

1шт.

11

113-207

BOLT,Hex, 3/8" - 16 x 1", Gr 5

4шт.

12

230-4216

LOCK NUT,3/8"-16, GA

NUT - hex, self-locking, 3/8" - 16 NC

4шт.

13

H651646

SAFETY BELT ,45.70 mm W

Retractable, If used 45.70 mm W

1шт.

13

D75997

SAFETY BELT ,1.80" W

Non-retractable, If used, Not shown 1.80" W

1шт.

13

H594564

SAFETY BELT ,3.00" W

Non-retractable, If used, Not shown 3.00" W

1шт.

14

114-301

BOLT,Hex, 7/16" - 20 x 1", Gr 5, Full Thd

2шт.

15

195-105

WASHER,7/16"

- special

2шт.

16

131-1170

LOCK NUT,7/16"-20, GA

NUT, LOCK, 7/16"-20, GA

2шт.

H643064

SEAT

ASSEMBLY, Includes: Ref. 17-30

1шт.

17

NSS

NOT SOLD SEPARAT

SHELL - seat

1шт.

18

NSS

NOT SOLD SEPARAT

CUSHION - seat

1шт.

19

NSS

NOT SOLD SEPARAT

TRIM - cushion mounting

1шт.

20

N6674

CLIP

- trim

1шт.

21

S115780

SLIDE

- left-hand, with handle, includes items 22 thru 27.

1шт.

22

S115781

SLIDE

- right-hand, Includes: Ref. 23-25

1шт.

23

NSS

NOT SOLD SEPARAT

SLIDE

1шт.

24

L35503

SPRING

- latch return

1шт.

25

S115782

BUSHING

WASHER - special, cup spacer

2шт.

26

S115783

HANDLE

1шт.

27

151-538

RIVET,Pop, 3/16" x .575"

- handle

2шт.

28

113-103

BOLT,Hex, 5/16" - 18 x 1", Gr 5

4шт.

29

195-524

WASHER,5/16"

- flat, x 1-1/8" OD, replaces single 3/16" thick washer on some models 5/16"

12шт.

30

H381673

ROD - latch

1шт.

31

113-103

BOLT,Hex, 5/16" - 18 x 1", Gr 5

4шт.

32

195-521

WASHER,5/16", SAE

- flat, 5/16"

8шт.

33

192-20

LOCK WASHER,Helical Spring, 0.318" ID, CST, ZND

WASHER, LOCK, 5/16"

4шт.

34

9635082

NUT,5/16" - 18, Gr 5

4шт.

Выбрано товаров: 0