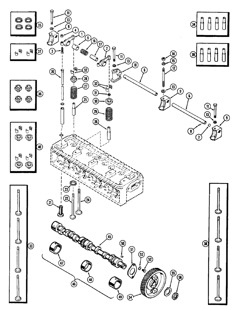
Запчасти Case W5 (020) - VALVE MECHANISM AND CAMSHAFT, (164) SPARK IGNITION ENGINE (02) - ENGINE

Схема запчастей Case W5 - (020) - VALVE MECHANISM AND CAMSHAFT, (164) SPARK IGNITION ENGINE (02) - ENGINE
FIT
1:1
100%

Артикул

Название

Примечание

Количество

1

A28399

ARM

ASSY. - rocker, R.H. (Incl. ref. 3, 4 & 5)

4шт.

2

A28400

ARM

ASSY. - rocker, L.H. (Incl. ref. 3, 4 & 5)

4шт.

3

A31056

ADJUSTMENT SCREW,5/16" - 24 x 1 11/32"

SCREW - adjusting

1шт.

4

25-155

JAM NUT,Jam, 5/16"-24, G5

- jam, 5/16" N.F. hex.

1шт.

5

A31055

BUSHING

- rocker shaft

1шт.

6

A29444

SHAFT

- rocker arm

2шт.

7

A26796

PLUG

- shaft, rocker arm

2шт.

8

139-205

PIN - rocker shaft (Type "00" x 3/4" taper) 2/0 x 3/4", Tapered

2шт.

9

O5753AB1

BRACKET - rocker arm shaft

4шт.

10

A28857

BRACKET - center, rocker arm shaft

1шт.

11

13-644

BOLT,Hex, 3/8" - 16 x 2-3/4", Gr 5

- bracket, 3/8 x 2-3/4" N.C. hex.

3шт.

12

A29447

STUD - bracket & cover (3/8" N.C. x 4-3/4")

2шт.

13

A29277

WASHER

- bracket nut (13/32 x 1 x 1/8")

2шт.

14

25-106

NUT,3/8"-16, G5

- 3/8" N.C. hex.

2шт.

15

92-6

LOCK WASHER,3/8"

5шт.

16

A30007

SPRING

- rocker arm shaft

4шт.

17

A30008

SPACER

- rocker arm shaft

2шт.

20

A30259

PUSH ROD

ROD - push

8шт.

21

A30006

TAPPET

LIFTER - push rod

8шт.

22

NSS

NOT SOLD SEPARAT

VALVE - exhaust (Order ref. 33)

4шт.

23

NSS

NOT SOLD SEPARAT

INSERT - exhaust valve seat (Order ref. 35)

4шт.

24

NSS

NOT SOLD SEPARAT

VALVE - intake (Order ref. 38)

4шт.

25

NSS

NOT SOLD SEPARAT

GUIDE - exhaust valve stem (Order ref. 34)

4шт.

26

NSS

NOT SOLD SEPARAT

GUIDE - intake valve stem (Order ref. 39)

4шт.

27

G10004

SPRING

- exhaust valve

4шт.

28

NSS

NOT SOLD SEPARAT

ROTO-CAP - exhaust valve (Order ref. 36)

4шт.

29

A30025

SPRING

- intake valve

4шт.

30

NSS

NOT SOLD SEPARAT

RETAINER - intake valve spring (Order ref. 40)

4шт.

31

G46851

SEAL

- oil, intake valve stem

4шт.

32

NSS

NOT SOLD SEPARAT

LOCK - valve spring (Order ref. 37)

16шт.

33

G11863

KIT

VALVES - exhaust (Set of 4)

1шт.

34

G11861

GUIDE

S - exhaust valve stem (Set of 4)

1шт.

35

G11932

KIT

INSERTS - exhaust valve seat (Set of 4)

1шт.

36

G11928

CAP

ROTO-CAPS - exhaust valve (Set of 4)

1шт.

37

G11929

LOCK

S - valve spring (Set of 4)

4шт.

38

G11893

KIT

VALVES - intake (Set of 4)

1шт.

39

G10269

KIT

GUIDES - intake valve stem (Set of 4)

1шт.

40

G11927

RETAINER

S - intake valve spring (Set of 4 w/locks)

1шт.

45

G2003

CAMSHAFT

1шт.

46

A41225

KIT

BUSHING SET - camshaft (Replaces A30346), Includes: Ref. 47 - 49

1шт.

47

NSS

NOT SOLD SEPARAT

BUSHING - rear (1-3/16" wide)

1шт.

48

NSS

NOT SOLD SEPARAT

BUSHING - center (23/32" wide)

1шт.

49

NSS

NOT SOLD SEPARAT

BUSHING - front (1-5/16" wide)

1шт.

50

126-12

WOODRUFF KEY,#6, 5/32" x 5/8"

Camshaft gear #6, 5/32" x 5/8"

1шт.

51

A29290

PLATE

- thrust, camshaft

1шт.

52

A30056

SCREW,Hex, 5/16" - 18 x 1/2"

- thrust plate

2шт.

53

193-9

LOCK WASHER,Ext Tooth, 5/16"

WASHER, LOCK, Ext Tooth, 5/16"

2шт.

54

G37066

GEAR

- camshaft (Includes governor weight)

1шт.

55

A29438

LOCK NUT

LOCK - camshaft nut

1шт.

56

A30063

NUT

- camshaft

1шт.

Выбрано товаров: 0