Запчасти Case W5 (028) - ENGINE COOLING SYSTEM, (164) SPARK IGNITION ENGINE (02) - ENGINE

Схема запчастей Case W5 - (028) - ENGINE COOLING SYSTEM, (164) SPARK IGNITION ENGINE (02) - ENGINE
FIT
1:1
100%

Артикул

Название

Примечание

Количество

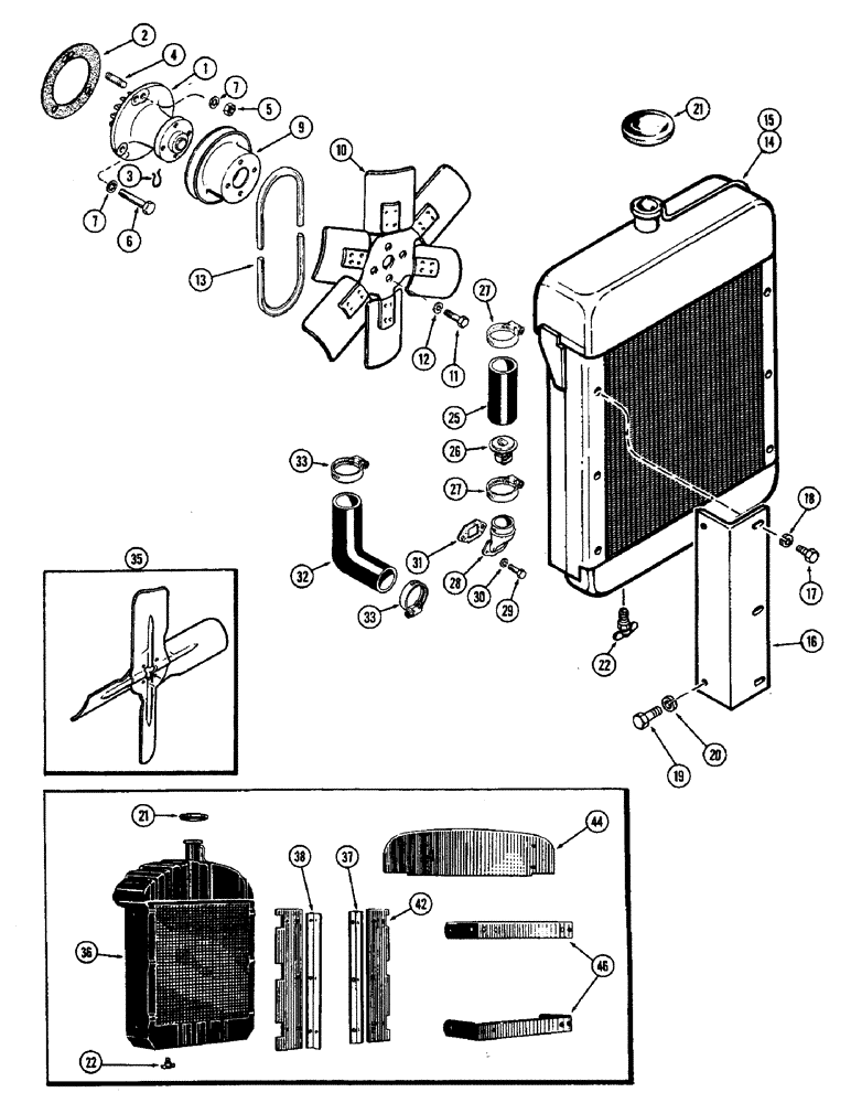
1

G11956

WATER PUMP

PUMP ASSY. - water, Includes: Ref. 2 and 3

1шт.

1

A48364

REMAN-WATER PUMP

Remanufactured Water Pump

1шт.

1

A48325

CORE-WATER PUMP

Return Number, Water Pump

1шт.

2

A30899

GASKET

GASKET -, Serial Range: pump-cover

1шт.

3

A30067

RING

RING - retainer

1шт.

4

A29433

STUD

STUD - pump mounting (3/8" N.C. x 1")

2шт.

5

25-106

NUT,3/8"-16, G5

NUT - 3/8" N.C. hex.

2шт.

6

13-644

BOLT,Hex, 3/8" - 16 x 2-3/4", Gr 5

BOLT - 3/8 x 2-3/4" N.C. hex.

1шт.

7

92-6

LOCK WASHER,3/8"

LOCK WASHER, 3/8"

3шт.

9

A30568

PULLEY

PULLEY - belt drive, fan

1шт.

10

A15478

SPARE PART FAN - suction type (1st used loader SN8150195)

1шт.

10

A15480

FAN

FAN - pusher type (1st used loader SN8150195)

1шт.

11

13-512

BOLT,Hex, 5/16" - 18 x 3/4", Gr 5

BOLT, Hex, 5/16"-18 x 3/4", G5, Full Thd

4шт.

12

92-5

LOCK WASHER,5/16"

LOCK WASHER, 5/16"

4шт.

13

G46234

V-BELT,0.78" W

Drive, Fan

1шт.

14

A15476

RADIATOR

RADIATOR ASSY. - (1st used loader SN8150195), Includes: Ref. 15

1шт.

15

A22943

SHROUD - fan

1шт.

16

A15611

ANGLE

SUPPORT - radiator, R.H. & L.H. (1st used loader SN8150195)

1шт.

17

14-510

SCREW,Hex, 5/16" - 24 x 5/8", Gr 5, Full Thd

BOLT, Hex, 5/16"-24 x 5/8", G5, Full Thd

6шт.

18

92-5

LOCK WASHER,5/16"

LOCK WASHER, 5/16"

6шт.

19

14-620

BOLT,Hex, 3/8" - 24 x 1-1/4", Gr 5

BOLT - 3/8 x 1-1/4" N.F. hex.

4шт.

20

92-6

LOCK WASHER,3/8"

LOCK WASHER, 3/8"

4шт.

21

A21389

CAP

CAP - radiator (1st used loader SN8150195)

1шт.

22

A23655

VALVE

VALVE - drain, radiator

1шт.

25

A13510

SPARE PART HOSE - upper, radiator

1шт.

26

G10235

THERMOSTAT

THERMOSTAT - (148 degrees to 153 degrees F)

1шт.

27

214-260

HOSE CLAMP,#36, 1.81" - 2.75", Type F Worm

HOSE CLAMP, #36, 1.81/2.75 Type F Worm

2шт.

28

G11087

SPARE PART ELBOW - engine outlet

1шт.

29

13-620

BOLT,Hex, 3/8" - 16 x 1-1/4", Gr 5, Full Thd

BOLT, Hex, 3/8"-16 x 1 1/4", G5, Full Thd

2шт.

30

92-6

LOCK WASHER,3/8"

LOCK WASHER, 3/8"

2шт.

31

A30003

GASKET

GASKET -, Serial Range: elbow-head

1шт.

32

A13511

SPARE PART HOSE - lower, radiator

1шт.

33

214-258

HOSE CLAMP,#28, 1.31" - 2.25", Type F Worm

HOSE CLAMP, #28, 1.31/2.25 Type F Worm

2шт.

35

G45244

FAN

FAN - suction type (Used prior to loader SN8150195)

1шт.

35

11290

FAN

FAN - pusher type (Use prior to loader SN8150195)

1шт.

36

A13503

RADIATOR

RADIATOR - (Used prior to loader SN8150195) (See A15479 kit below)

1шт.

When ordering A15479 kit specify either suction or pusher type fan.

1шт.

37

NS

NOT SERVICED

SUPPORT - radiator, R.H. (Used prior to loader SN8150195)

1шт.

38

NS

NOT SERVICED

SUPPORT - radiator, L.H. (Used prior to loader SN8150195)

1шт.

14-828

BOLT,Hex, 1/2" - 20 x 1-3/4", Gr 5

BOLT - 1/2 x 1-3/4" N.F. hex.

2шт.

14-832

BOLT,Hex, 1/2" - 20 x 2", Gr 5

BOLT - 1/2 x 2" N.F. hex.

4шт.

13-820

BOLT,Hex, 1/2" - 13 x 1-1/4", Gr 5, Full Thd

BOLT, Hex, 1/2"-13 x 1 1/4", G5, Full Thd

2шт.

42

NS

NOT SERVICED

BAFFLE - side (Used prior to loader SN8150195)

2шт.

92-8

LOCK WASHER,1/2"

LOCK WASHER, 1/2"

8шт.

14-516

BOLT,Hex, 5/16" - 24 x 1", Gr 5, Full Thd

BOLT - 5/16 x 1" N.F. hex.

4шт.

44

NS

NOT SERVICED

BAFFLE - top (Used prior to loader SN8150195)

1шт.

14-410

SCREW,Hex, 1/4" - 28 x 5/8", Gr 5

BOLT - 1/4 x 5/8" N.F. hex.

8шт.

46

NS

NOT SERVICED

SUPPORT - cross member (Used prior to loader SN815095)

2шт.

14-624

BOLT,Hex, 3/8" - 24 x 1-1/2", Gr 5

BOLT - 3/8 x 1-1/2" N.F. hex.

8шт.

A15479

KIT

RADIATOR KIT - replacement (Includes ref. 10, 14 & 16) (Can use to replace A13503)

1шт.

When ordering A15479 kit specify either suction or pusher type fan.

1шт.

Выбрано товаров: 0