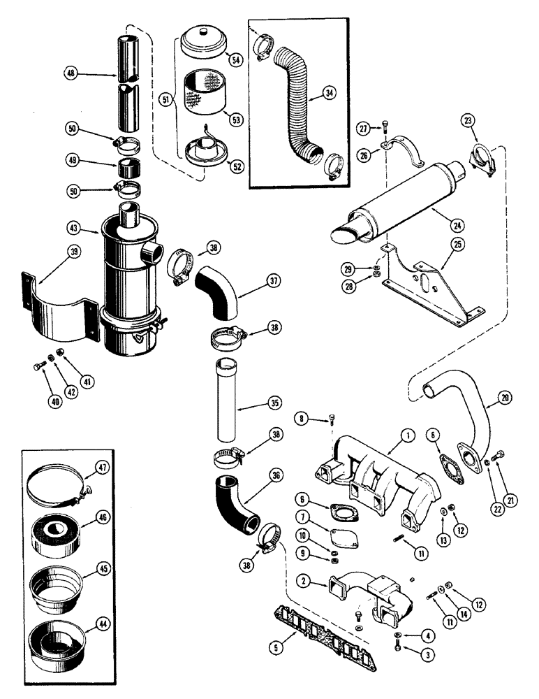
Запчасти Case W5 (030) - AIR CLEANER - MANIFOLD MUFFLER, (164) SPARK IGNITION ENGINE (02) - ENGINE

Схема запчастей Case W5 - (030) - AIR CLEANER - MANIFOLD MUFFLER, (164) SPARK IGNITION ENGINE (02) - ENGINE
FIT
1:1
100%

Артикул

Название

Примечание

Количество

1

G2009

MANIFOLD

- exhaust

1шт.

2

G2008

MANIFOLD - intake

1шт.

3

13-640

BOLT,Hex, 3/8" - 16 x 2-1/2", Gr 5

- 3/8 x 2-1/2" N.C. hex.

2шт.

4

92-6

LOCK WASHER,3/8"

2шт.

5

A30030

GASKET

-, Serial Range: manifold-head

1шт.

6

G11201

GASKET

- exhaust manifold outlet

2шт.

7

G1067

COVER - exhaust manifold outlet

1шт.

8

13-616

BOLT,Hex, 3/8" - 16 x 1", Gr 5, Full Thd

2шт.

9

131-903

NUT,3/8"-16

NUT - 3/8" N.C. hex. Seez-Pruf

2шт.

10

195-25

WASHER,3/8"

- plain, 13/32 x 13/16 x 1/16"

2шт.

11

A29431

STUD

- manifold to head (3/8" N.C. x 1-3/4")

7шт.

12

131-903

NUT,3/8"-16

NUT - 3/8" N.C. hex. Seez-Pruf

7шт.

13

A30058

WASHER

- stud (13/32 x 7/8 x 1/8")

4шт.

14

95-6

WASHER,3/8"

- stud, 7/16 x 1 x 5/64"

3шт.

20

A13596

PIPE - exhaust, Serial Range: manifold-muffler

1шт.

21

13-618

BOLT,Hex, 3/8" - 16 x 1-1/8", Gr 5

2шт.

22

92-6

LOCK WASHER,3/8"

2шт.

23

L14262

CLAMP

- pipe to muffler (2-3/16")

1шт.

24

A13594

MUFFLER - exhaust

1шт.

25

A13591

BRACKET - support, muffler

1шт.

26

A13595

CLAMP -, Serial Range: muffler-support

1шт.

27

14-516

BOLT,Hex, 5/16" - 24 x 1", Gr 5, Full Thd

- 5/16 x 1" N.F. hex.

2шт.

28

25-115

NUT,5/16"-24, G5

- 5/16" NF hex

2шт.

29

92-5

LOCK WASHER,5/16"

2шт.

34

NS

NOT SERVICED

HOSE - flexible, air cleaner (Order ref. 35, 36, 37 & 38)

1шт.

35

A14924

INTAKE AIR HOSE,57.20 mm ID x 88.90 mm, SAE 10R4 Class SC

715 - Carburetor to air cleaner 57.20 mm ID x 88.90 mm, SAE 10R4 Class SC

1шт.

36

A14922

HOSE -, Serial Range: carburetor-tube

1шт.

37

A14923

HOSE - tube to air cleaner

1шт.

38

214-260

HOSE CLAMP,#36, 1.81" - 2.75", Type F Worm

4шт.

39

A13662

CLAMP - air cleaner to fuel tank support

1шт.

40

14-516

BOLT,Hex, 5/16" - 24 x 1", Gr 5, Full Thd

- 5/16 x 1" N.F. hex. hd.

4шт.

41

25-115

NUT,5/16"-24, G5

- 5/16" NF hex

4шт.

42

92-5

LOCK WASHER,5/16"

4шт.

43

A13661

CLEANER ASSY. - air, Includes: Ref. 44 - 47

1шт.

44

A8294

CUP

- oil

1шт.

45

A43373

BAFFLE - screen

1шт.

46

A8687

SCREEN - oil

1шт.

47

A8293

CLAMP ASSY. - oil cup

1шт.

48

A13912

PIPE - extension, air cleaner

1шт.

49

A7249

HOSE

- extension to air cleaner

1шт.

50

214-260

HOSE CLAMP,#36, 1.81" - 2.75", Type F Worm

2шт.

51

A7482

PRESCREENER

PRE-SCREENER, Includes: Ref. 52 - 54

1шт.

52

A8299

SLEEVE

1шт.

53

A8300

FILTER

SCREEN

1шт.

54

A8301

COVER

1шт.

Выбрано товаров: 45