Запчасти Case W5 (080) - TRANSMISSION GEAR SHIFT, FRONT AXLE (06) - POWER TRAIN

Схема запчастей Case W5 - (080) - TRANSMISSION GEAR SHIFT, FRONT AXLE (06) - POWER TRAIN
FIT
1:1
100%

Артикул

Название

Примечание

Количество

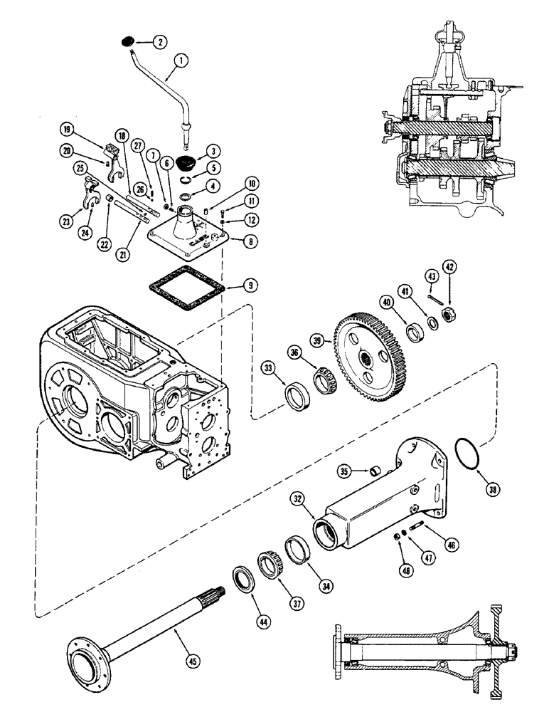
1

A13632

LEVER - gear shift

1шт.

2

A26727

BALL

KNOB - gear shift lever

1шт.

3

A57876

COVER

- dust, gear shift lever (Rubber)

1шт.

4

A7923

SEAT

- gear shift lever

1шт.

5

A26836

RING, SNAP

RING - snap, lever retaining

1шт.

6

G15468

SET SCREW,5/16" - 18 x 3/4"

- lever guide

1шт.

7

25-145

JAM NUT,Jam, 5/16"-18, G5

- lock, guide screw, 5/16" N.C. half hex.

1шт.

8

G1730

COVER - transmission case & shift control

1шт.

9

G10342

GASKET

- cover

1шт.

10

138-200

LOCK PIN,1/2" x 1", Slotted

Pin, , cover locating 1/2" x 1", Slotted

1шт.

11

13-624

BOLT,Hex, 3/8" - 16 x 1-1/2", Gr 5

- cover, 3/8 x 1-1/4" N.C. hex.

4шт.

12

92-6

LOCK WASHER,3/8"

4шт.

18

G10326

ROD

SHAFT - shifter rail (1st & 2nd), 7-5/16" long

1шт.

19

G13461

FORK

- shifter (1st & 2nd)

1шт.

20

A29964

LOCK SCREW,Sq Hd, 3/8" - 24 x 27/32", Drilled

- lock, shifter fork, 27/32" long

1шт.

21

G17166

SHAFT - shifter rail (3rd & 4th) 7-3/16" long

1шт.

22

G49617

SEAL PACKAGE

SPACER - shifter fork, 11/16 x 3/4 x 18 Ga.

1шт.

23

A41468

PACKAGE, REPAIR

FORK - shifter (3rd & 4th)

1шт.

24

A29965

LOCK SCREW,3/8" - 24 x 11/16", Drilled

- lock, shifter fork, 11/16" long

1шт.

25

A29060

PLUG

- shifter shafts interlock

1шт.

26

211-11

BALL,3/8" Dia

- shaft detent, . 3/8" Dia

2шт.

27

G47039

SPRING

- detent ball pressure

2шт.

32

G30472

HOUSING ASSY. - L.H. (Incl. Refs. 33 - 35), front axle

1шт.

32

G30473

HOUSING ASSY. - R.H., front axle, Includes: Ref. 33 - 35

1шт.

33

G10415

BEARING CUP

CUP - bearing, inner, front axle

1шт.

34

G15208

BEARING CUP,110mm OD x 18.82mm W

CUP - bearing, outer, front axle

1шт.

35

A9176

BUSHING

- draft arm pivot, 1-1/8 x 1-3/8 x 15/16", front axle

2шт.

36

G10414

ROLLER BEARING

CONE - bearing, inner, front axle

2шт.

37

G15207

ROLLER BEARING

CONE - bearing, outer, front axle

2шт.

38

G10347

O-RING,0.139" Thk x 4.984" ID, -250, Cl 5, 75 Duro

"O" RING - housing, inner, 5 x 5-1/4 x 1/8", front axle

2шт.

39

G30329

KIT

GEAR ASSY. - final drive (65 teeth), front axle, Includes: Ref. 40

2шт.

40

G49610

SPACER

- final drive gear, 2-17/32 x 2-7/8 x 15/16", front axle

1шт.

41

F62105

WASHER,38.89mm ID x 69.85mm OD x 6.35mm Thk

- axle take-up, 1-17/32 x 2-3/4 x 1/4", front axle

2шт.

42

A30075

WHEEL NUT

- drive gear retaining, 1-1/2" N.F. sltd., front axle

2шт.

43

132-157

COTTER PIN,Ext Prong Sq Cut, 1/4" x 2 1/2"

Pin, Split (Cotter), , Nut, front axle 1/4" x 2 1/2"

2шт.

44

G13822

SEAL,73.66mm ID x 110.13mm OD x 11mm Thk

- oil, axle outer, 3 x 4-11/32 x 1/2", front axle

2шт.

45

G17183

SHAFT - axle, front

2шт.

46

A29715

STUD

- housing, 5/8" N.F. x 2-11/16", front axle

10шт.

47

92-10

LOCK WASHER,5/8"

WASHER, LOCK, , Front axle 5/8"

10шт.

48

25-1110

NUT,5/8"-18, G5

- housing stud 5/8" N.F. hex., front axle

10шт.

Выбрано товаров: 40