Запчасти Case W5 (098) - CHASSIS AND ATTACHING PARTS (09) - CHASSIS

Схема запчастей Case W5 - (098) - CHASSIS AND ATTACHING PARTS (09) - CHASSIS
FIT
1:1
100%

Артикул

Название

Примечание

Количество

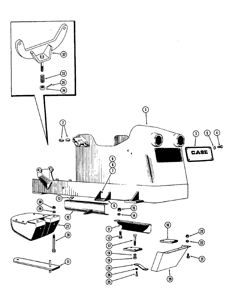
1

L75199

CHASSIS ASSY., Includes: Ref. 2

1шт.

2

A12062

BUSHING

- bucket arm

4шт.

3

A13428

COVER - front

1шт.

4

114-102

BOLT,Hex, 5/16" - 24 x 3/4", Gr 5

4шт.

5

92-5

LOCK WASHER,5/16"

4шт.

6

A13414

STEP - operator mounting

2шт.

7

14-620

BOLT,Hex, 3/8" - 24 x 1-1/4", Gr 5

- 3/8 x 1-1/4" N.F. hex.

4шт.

8

92-6

LOCK WASHER,3/8"

4шт.

9

25-115

NUT,5/16"-24, G5

- 5/16" NF hex

4шт.

10

A13408

SHEET - side, lower R.H.

1шт.

11

A13409

SHEET - side, lower L.H.

1шт.

12

14-620

BOLT,Hex, 3/8" - 24 x 1-1/4", Gr 5

- 3/8 x 1-1/4" N.F. hex.

8шт.

13

195-901

WASHER - bevel

7шт.

14

92-6

LOCK WASHER,3/8"

8шт.

15

25-116

NUT,Hex, 3/8"-24, G5

- 3/8" N.F. hex.

8шт.

16

A13422

PLATE - clamp, front axle

2шт.

17

14-10128

BOLT,Hex, 5/8" - 18 x 8", Gr 5

- 5/8 x 8" N.F. hex.

8шт.

18

92-10

LOCK WASHER,5/8"

WASHER, LOCK, 5/8"

8шт.

19

25-1110

NUT,5/8"-18, G5

- 5/8" N.F. hex.

8шт.

20

A15795

SHIELD - lower front

1шт.

21

14-616

BOLT,Hex, 3/8" - 24 x 1", Gr 5

- 3/8 x 1" N.F. hex.

1шт.

21

14-620

BOLT,Hex, 3/8" - 24 x 1-1/4", Gr 5

- 3/8 x 1-1/4" N.F. hex.

3шт.

22

92-6

LOCK WASHER,3/8"

4шт.

23

25-116

NUT,Hex, 3/8"-24, G5

- 3/8" N.F. hex.

4шт.

24

A15796

SUPPORT - R.H., lower shield

1шт.

24

A15797

SUPPORT - L.H., lower shield

1шт.

25

13-1024

BOLT,Hex, 5/8" - 11 x 1-1/2", Gr 5, Full Thd

2шт.

26

92-10

LOCK WASHER,5/8"

WASHER, LOCK, 5/8"

2шт.

27

A13499

WEIGHT - counter

1шт.

28

15-12184

BOLT - 3/4 x 11-1/2" N.C. hex.

2шт.

28

15-12224

BOLT - 3/4 x 14" N.C. hex.

3шт.

29

92-12

LOCK WASHER,3/4"

WASHER, LOCK, 3/4"

5шт.

30

25-1112

NUT,3/4"-16, G5

- 3/4" N.C. hex.

5шт.

31

A13501

PIN

DRAWBAR

1шт.

32

A13665

SUPPORT - rear, engine

1шт.

33

R839S

SPRING - engine support

1шт.

34

25-1310

SLOTTED NUT,5/8"-18, G5

NUT - slotted, 5/8" N.F. hex.

1шт.

35

132-50

COTTER PIN,1/8" x 1 1/4"

Pin, Split (Cotter), 1/8" x 1 1/4"

1шт.

Выбрано товаров: 38