Запчасти Case W5A (006) - MANIFOLD AND MUFFLER, (188) DIESEL ENGINE (02) - ENGINE

Схема запчастей Case W5A - (006) - MANIFOLD AND MUFFLER, (188) DIESEL ENGINE (02) - ENGINE
FIT
1:1
100%

Артикул

Название

Примечание

Количество

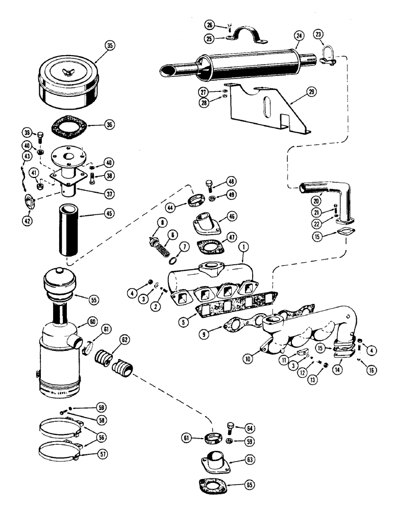
1

A35782

MANIFOLD

- intake

1шт.

2

A29431

STUD

- intake & exhaust manifold

4шт.

3

92-6

LOCK WASHER,3/8"

10шт.

4

131-903

NUT,3/8"-16

NUT - 3/8" N.C. hex. (Seez-Pruf) (Brass)

7шт.

5

G46871

GASKET

- intake manifold

1шт.

6

A24396

X

HEATER - manifold

1шт.

7

A20916

MANIFOLD GASKET

GASKET - heater

1шт.

8

129-503

NUT,1/4"-20, Brass

1шт.

9

G46872

MANIFOLD GASKET

- exhaust manifold

1шт.

10

G2113

EXHAUST MANIFOLD

MANIFOLD - exhaust

1шт.

11

A35028

CLAMP

- intake & exhaust manifold

6шт.

12

A35175

STUD

- manifold clamp

6шт.

13

25-106

NUT,3/8"-16, G5

- 3/8" N.C. hex.

6шт.

14

G2044

LARGE PLATE

COVER - outlet, exhaust manifold

1шт.

15

G46853

MANIFOLD GASKET

- outlet cover & exhaust pipe

2шт.

16

13-624

BOLT,Hex, 3/8" - 16 x 1-1/2", Gr 5

- 3/8 x 1-1/2" N.C. hex.

2шт.

20

A15683

PIPE - exhaust

1шт.

21

13-618

BOLT,Hex, 3/8" - 16 x 1-1/8", Gr 5

2шт.

22

92-6

LOCK WASHER,3/8"

2шт.

23

A27077

CLAMP

ASSY. - muffler to exhaust pipe

1шт.

24

A15655

MUFFLER

- exhaust

1шт.

25

A15656

CLAMP -, Serial Range: muffler-bracket

1шт.

26

14-516

BOLT,Hex, 5/16" - 24 x 1", Gr 5, Full Thd

BOL T- 5/16 x 1" N.F. hex.

2шт.

27

92-5

LOCK WASHER,5/16"

2шт.

28

25-115

NUT,5/16"-24, G5

- 5/16" N.C. hex

2шт.

29

A37990

BRACKET - muffler support

1шт.

35

A15169

FILTER ASSY. - air (Repairs, Fig. 42), dry type air cleaner

1шт.

36

A15304

GASKET

- air cleaner to support, dry type air cleaner

1шт.

37

A15677

SUPPORT - air filter, dry type air cleaner

1шт.

38

13-614

BOLT,Hex, 3/8" - 16 x 7/8", Gr 5, Full Thd

Dry type air cleaner Hex, 3/8"-16 x 7/8", G5, Full Thd

4шт.

39

13-612

BOLT,Hex, 3/8" - 16 x 3/4", Gr 5, Full Thd

Dry type air cleaner Hex, 3/8"-16 x 3/4", G5, Full Thd

4шт.

40

92-6

LOCK WASHER,3/8"

dry type air cleaner 3/8"

8шт.

41

25-106

NUT,3/8"-16, G5

- 3/8" N.C. hex., dry type air cleaner

4шт.

42

A14739

SWITCH ASSY. - warning, air filter, dry type air cleaner

1шт.

43

A26893

WIRE - warning switch to filter, dry type air cleaner

1шт.

44

214-260

HOSE CLAMP,#36, 1.81" - 2.75", Type F Worm

dry type air cleaner #36, 1.81/2.75 Type F Worm

2шт.

45

A16936

HOSE - air cleaner, dry type air cleaner

1шт.

46

A16933

FLANGE - intake manifold, dry type air cleaner

1шт.

47

A15687

GASKET - flange to manifold, dry type air cleaner

1шт.

48

13-620

BOLT,Hex, 3/8" - 16 x 1-1/4", Gr 5, Full Thd

Dry type air cleaner Hex, 3/8"-16 x 1 1/4", G5, Full Thd

2шт.

49

92-6

LOCK WASHER,3/8"

dry type air cleaner 3/8"

2шт.

55

A7486

X

PRE-SCREENER - air cleaner (Repairs, Fig. 42), oil bath air cleaner

1шт.

56

A16504

BAND ASSY. - air cleaner mounting, oil bath air cleaner, Includes: Ref. 57

2шт.

57

75-425

SCREW - mach., 1/4 x 1-1/4" N.C., rd. hd., oil bath air cleaner

2шт.

58

13-612

BOLT,Hex, 3/8" - 16 x 3/4", Gr 5, Full Thd

Oil bath air cleaner Hex, 3/8"-16 x 3/4", G5, Full Thd

4шт.

59

92-6

LOCK WASHER,3/8"

oil bath air cleaner 3/8"

4шт.

60

A20000

CLEANER ASSY. - air (Repairs, Fig. 42), oil bath air cleaner

1шт.

61

214-260

HOSE CLAMP,#36, 1.81" - 2.75", Type F Worm

oil bath air cleaner #36, 1.81/2.75 Type F Worm

2шт.

62

A19586

HOSE - air intake, oil bath air cleaner

1шт.

63

A19583

FLANGE - air intake, oil bath air cleaner

1шт.

64

13-620

BOLT,Hex, 3/8" - 16 x 1-1/4", Gr 5, Full Thd

Oil bath air cleaner Hex, 3/8"-16 x 1 1/4", G5, Full Thd

2шт.

65

A15687

GASKET - tube to intake manifold, oil bath air cleaner

1шт.

Выбрано товаров: 52