Запчасти Case W5A (028) - CYLINDER BLK ASSY,(188) DIESL ENG,W/NARROW FLNGD SLEEVES,W/BRACKET MTD. OIL FILTER,CASTING # A36771 (02) - ENGINE

Схема запчастей Case W5A - (028) - CYLINDER BLK ASSY,(188) DIESL ENG,W/NARROW FLNGD SLEEVES,W/BRACKET MTD. OIL FILTER,CASTING # A36771 (02) - ENGINE
FIT
1:1
100%

Артикул

Название

Примечание

Количество

A40592

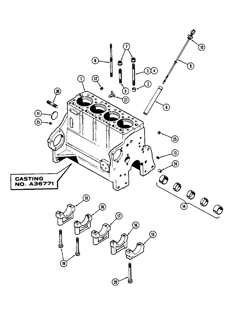
BLOCK ASSY. - cylinder, short (Casting no. A36771) (Includes stripped block, crankshaft & bearings, camshaft & gear, pistons & sleeves, conn. rods and oil pump), Includes: Ref. 1 - 27

1шт.

1

A40590

BLOCK ASSY. - stripped (Casting no. A36771) (Order A40818), Includes: Ref. 1 - 27

1шт.

2

G49608

RING

DOWEL -, Serial Range: head-block

2шт.

3

A36902

STUD

- head to block, 1/2" N.C. x 5-5/8"

11шт.

4

A36905

STUD

- head to block, 1/2" N.C. x 6"

2шт.

5

A36904

STUD

- head to block, 1/2" N.C. x 4"

4шт.

6

A36903

STUD

-, Serial Range: head-cover

2шт.

7

A37030

FLANGE NUT

- head stud, 1/2" N.C. flanged

19шт.

8

A37149

TUBE

- dipstick

1шт.

9

A37148

DIPSTICK

- oil level, Includes: Ref. 10

1шт.

10

F62075

O-RING,0.139" Thk x 0.734" ID, -210, Cl 5, 75 Duro

"O" RING - dipstick seal

2шт.

11

A39241

PLUG,Exp, 2.12" dia

- camshaft opening, 2-1/8" expansion

1шт.

12

221-1032

DRAIN PLUG,Sq Soc, 3/8"-18 NPTF

PLUG - heater plug opening, 3/8" P.T.

1шт.

13

G49070

PLUG

- drilled, oil gallery front

1шт.

14

A41232

KIT

BUSHING SET - camshaft

1шт.

15

G2126

CAP

- front crankshaft bearing

1шт.

16

G2128

CAP

- intermediate crankshaft brg.

2шт.

17

G2127

CAP

- center crankshaft brg.

1шт.

18

G2129

CAP

- rear crankshaft brg.

1шт.

19

G49078

BOLT - brg. cap, 1/2 x 4-1/2" spec.

8шт.

20

G49077

BOLT

- front brg. cap, 1/2 x 5-1/8" spec.

2шт.

24

A29442

RING

- dowel, timing gear cover

2шт.

25

217-433

PLUG,Hex Soc, 1/4" - 18 NPTF

Oil gallery Hex Soc, 1/4"-18 NPTF

2шт.

26

A29333

STUD

- engine mounting, 5/8" N.C. x 3"

2шт.

27

217-103

COCK, DRAIN

COCK - drain, cylinder block, 1/4" P.T.

1шт.

Выбрано товаров: 25