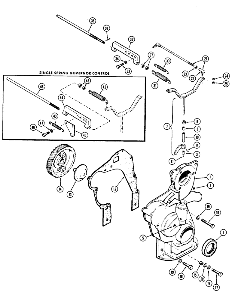
Запчасти Case W5A (060) - GOVERNOR & TIMING GEAR COVER, (188) SPARK IGNITION ENGINE (02) - ENGINE

Схема запчастей Case W5A - (060) - GOVERNOR & TIMING GEAR COVER, (188) SPARK IGNITION ENGINE (02) - ENGINE
FIT
1:1
100%

Артикул

Название

Примечание

Количество

1

A36822

COVER

ASSY. - timing & governor (Replaces G2093), Includes: Ref. 3 - 6

1шт.

3

A35822

NEEDLE BEARING,Needle, 9.52mm ID x 14.29mm OD x 12.7mm W

BEARING - needle, lever shaft

2шт.

4

221-1013

DRAIN PLUG,Sq Hd, 3/8"-18 NPTF

PLUG - pipe, 3/8" sq. hd.

1шт.

5

A30016

FITTING

PLUG - pipe, 1/8" slotted

1шт.

6

A36609

OIL SEAL

- oil, crankshaft

1шт.

7

A30125

SHAFT

LEVER ASSY. - governor control, Includes: Ref. 8

1шт.

8

138-57

LOCK PIN,1/8" x 3/4", Slotted

PIN, 1/8" x 3/4", Slotted

1шт.

9

A30011

SEAL

- dust, lever shaft

1шт.

10

A30012

SPACER

- thrust, lever shaft

1шт.

11

211-5

BALL,3/16" Dia

- thrust, . 3/16" Dia

1шт.

12

G46863

GASKET

- cover, timing gear

1шт.

13

A29957

SHAFT

- thrust, governor

1шт.

14

G37066

GEAR

ASSY. - camshaft, w/gov. weights

1шт.

15

A29442

RING

- dowel, timing cover

2шт.

16

15-652

X

BOLT - 3/8 x 3-1/4" N.C. hex.

3шт.

17

13-636

BOLT,Hex, 3/8" - 16 x 2-1/4", Gr 5

2шт.

17

413-632

BOLT,Hex, 3/8" - 16 x 2", Gr 5

1шт.

18

13-624

BOLT,Hex, 3/8" - 16 x 1-1/2", Gr 5

- 3/8 x 1-1/2" N.C. hex.

2шт.

18

13-620

BOLT,Hex, 3/8" - 16 x 1-1/4", Gr 5, Full Thd

3шт.

19

92-6

LOCK WASHER,3/8"

10шт.

20

195-22

WASHER

- 3/8 x 3/4 x 1/16"

2шт.

20

195-25

WASHER,3/8"

- 13/32 x 13/16 x 1/16"

3шт.

21

G45228

ROD

ASSY. - governor to carburetor, Includes: Ref. 22 and 23

1шт.

22

A10329

BALL JOINT,1/4" - 28 x 1"

JOINT ASSY. - ball, control

1шт.

23

25-114

NUT,1/4"-28, G5

- 1/4" N.F. hex.

1шт.

24

92-4

LOCK WASHER,1/4"

WASHER, LOCK, 1/4"

2шт.

25

25-114

NUT,1/4"-28, G5

- 1/4" N.F. hex.

2шт.

30

G48511

SPRING

- governor control, outer, double spring governor control

1шт.

31

A37005

SPRING

- governor control, inner, double spring governor control

1шт.

32

G2133

GUIDE

- control rod, governor, double spring governor control

1шт.

33

113-103

BOLT,Hex, 5/16" - 18 x 1", Gr 5

Double spring governor control Hex, 5/16"-18 x 1", G5, Full Thd

2шт.

34

192-20

LOCK WASHER,Helical Spring, 0.318" ID, CST, ZND

WASHER, LOCK, , Double spring governor control 5/16"

2шт.

35

G11371

ROD

- governor control, double spring

1шт.

36

138-51

LOCK PIN,1/8" x 3/8", Slotted

PIN, , Double spring governor control 1/8" x 3/8", Slotted

1шт.

37

131-412

NUT - pal, 7/16", double spring governor control

2шт.

42

G47064

SPRING

- governor speed control, single spring

1шт.

43

A29988

SPRING

- return, single spring governor control

1шт.

44

A28878

GUIDE - engine governor rod, single spring governor control

1шт.

45

G11347

BRACKET - return spring, single spring governor control

1шт.

46

113-103

BOLT,Hex, 5/16" - 18 x 1", Gr 5

Single spring governor control Hex, 5/16"-18 x 1", G5, Full Thd

2шт.

47

192-20

LOCK WASHER,Helical Spring, 0.318" ID, CST, ZND

WASHER, LOCK, , Single spring governor control 5/16"

2шт.

48

G11350

ROD - engine governor, single spring governor control

1шт.

49

131-412

NUT - pal, 7/16", single spring governor control

2шт.

Выбрано товаров: 43