Запчасти Case W5A (040) - FUEL TANK, (188) DIESEL ENGINE (03) - FUEL SYSTEM

Схема запчастей Case W5A - (040) - FUEL TANK, (188) DIESEL ENGINE (03) - FUEL SYSTEM
FIT
1:1
100%

Артикул

Название

Примечание

Количество

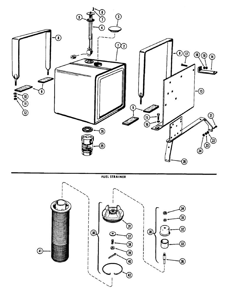
1

A15978

TANK - fuel (Uses A33558 cap)

1шт.

2

A15699

X

TANK - fuel, w/breather, strainer and threaded cap use A15978 tank and A33558 cap

1шт.

3

A33558

CAP

- filler, tank (Used w/A15978 tank)

1шт.

4

A13669

SENDER UNIT

UNIT - sending, fuel (12 volt)

1шт.

5

A11822

GASKET

- sending unit

1шт.

6

174-96

SCREW,Sl Rnd Hd, #10 - 32 x 7/16"

- #10 x 7/16" rd. mach.

5шт.

7

92-3

LOCK WASHER,#10

WASHER, LOCK, #10

5шт.

8

A13425

STRAP - hold down, fuel tank

2шт.

9

A7390

CUSHION - mtg., fuel tank

4шт.

10

95-6

WASHER,3/8"

- 7/16 x 1 x 5/64"

4шт.

11

92-6

LOCK WASHER,3/8"

4шт.

12

25-116

NUT,Hex, 3/8"-24, G5

- 3/8" N.F. hex.

4шт.

13

A15685

SUPPORT - fuel tank and air filter intake pipe

1шт.

14

A15676

STRAP - fuel tank rear support (Use w/A15685)

1шт.

15

13-816

BOLT,Hex, 1/2" - 13 x 1", Gr 5, Full Thd

2шт.

16

92-8

LOCK WASHER,1/2"

2шт.

17

11-514

CARRIAGE BOLT,Short NK, 5/16"-18 x 7/8", G2

BOLT - 5/16 x 7/8" N.C. carr.

2шт.

18

92-5

LOCK WASHER,5/16"

2шт.

19

9635082

NUT,5/16" - 18, Gr 5

- 5/16" N.C. hex.

2шт.

20

A16413

SUPPORT - fuel tank mounting

1шт.

21

14-620

BOLT,Hex, 3/8" - 24 x 1-1/4", Gr 5

- 3/8 x 1-1/4" N.F. hex.

4шт.

22

195-25

WASHER,3/8"

- 13/32 x 13/16 x 1/16"

4шт.

23

92-6

LOCK WASHER,3/8"

4шт.

24

25-116

NUT,Hex, 3/8"-24, G5

3/8" N.F. hex.

4шт.

25

G45254

SET OF PARTS

FILTER ASSY. - fuel (See Fig. 16)

1шт.

26

G46874

GASKET

- fuel, Serial Range: filter-tank

1шт.

30

A28673

CAP

- filler, w/breather (Used w/A15699 tank), Includes: Ref. 31 - 40

1шт.

31

NSS

NOT SOLD SEPARAT

CAP - filler (Order ref. 30)

1шт.

32

A27964

COVER

- breather

1шт.

33

A27961

ELEMENT

- breather

1шт.

34

129-27

NUT,Hex, #10 - 32

- hex. #10-32

1шт.

35

92-3

LOCK WASHER,#10

WASHER, LOCK, #10

1шт.

36

A27962

STUD

- breather

1шт.

37

A27963

BAFFLE

- breather

1шт.

38

A27815

SPRING

- breather baffle retaining

1шт.

39

A26584

WASHER

- breather baffle retaining spring

1шт.

40

132-5

COTTER PIN,1/16" x 1/2"

Pin, Split (Cotter), 1/16" x 1/2"

1шт.

41

A7306

STRAINER - fuel (Used w/A15699 tank)

1шт.

42

A27960

RING - strainer retaining

1шт.

Выбрано товаров: 39