Запчасти Case W5A (098) - ALTERNATOR, (188) SPARK IGNITION ENGINE (04) - ELECTRICAL SYSTEMS

Схема запчастей Case W5A - (098) - ALTERNATOR, (188) SPARK IGNITION ENGINE (04) - ELECTRICAL SYSTEMS
FIT
1:1
100%

Артикул

Название

Примечание

Количество

A18436

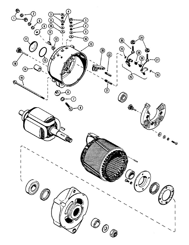
ALTERNATOR ASSY. - engine (Delco #1117078), Includes: Ref. 1 - 29

1шт.

1

25-114

NUT,1/4"-28, G5

- 1/4" N.F. hex.

2шт.

2

92-4

LOCK WASHER,1/4"

WASHER, LOCK, 1/4"

2шт.

3

225-14112

NUT,#12-24

- hex. #12-24

4шт.

4

492-11012

LOCK WASHER,#12

WASHER, LOCK, #12

4шт.

5

NSS

NOT SOLD SEPARAT

WASHER - plain, battery terminal

1шт.

6

NSS

NOT SOLD SEPARAT

BUSHING - insulation, battery terminal

2шт.

7

193-29

LOCK WASHER,Int Tooth, 5/16"

WASHER, LOCK, Int Tooth, 5/16"

1шт.

8

NSS

NOT SOLD SEPARAT

STUD - battery terminal

1шт.

9

NSS

NOT SOLD SEPARAT

WASHER - plain, field terminal

2шт.

10

NSS

NOT SOLD SEPARAT

WASHER - insulating, field terminal

2шт.

11

177-105

SCREW - ground, #10-32 x 1-1/2" fill hd.

1шт.

12

92-4

LOCK WASHER,1/4"

WASHER, LOCK, 1/4"

1шт.

13

A40773

FRAME ASSY. - slip ring, Includes: Ref. 14 - 17

1шт.

14

NSS

NOT SOLD SEPARAT

SLEEVE - hinge, frame mounting

2шт.

15

NSS

NOT SOLD SEPARAT

RETAINER - bearing (Retainer)

1шт.

16

NSS

NOT SOLD SEPARAT

SPRING - retainer, brush holder

1шт.

17

NSS

NOT SOLD SEPARAT

PLUG - expansion, slip end

1шт.

18

A25497

DIODE

- negative

3шт.

19

A25481

BOLT - thru, alternator

4шт.

20

A25484

CONNECTOR - diode lead

1шт.

21

A25494

PIN - hinge, brush holder

1шт.

22

A25495

PIN - stop, brush holder

1шт.

23

NSS

NOT SOLD SEPARAT

WASHER - spacer, brush holder

1шт.

24

NSS

NOT SOLD SEPARAT

INSULATOR - field terminal

2шт.

25

A25489

BRUSH

HOLDER KIT - alternator (Also incl. ref. 16, 23 and 26 - 29)

1шт.

26

NSS

NOT SOLD SEPARAT

HOLDER - brush, inside

1шт.

27

NSS

NOT SOLD SEPARAT

HOLDER - brush, outside

1шт.

28

NSS

NOT SOLD SEPARAT

SPRING - inside brush

1шт.

29

NSS

NOT SOLD SEPARAT

SPRING - outside brush

1шт.

Выбрано товаров: 30