Запчасти Case W5A (100) - ALTERNATOR, (188) SPARK IGNITION ENGINE (04) - ELECTRICAL SYSTEMS

Схема запчастей Case W5A - (100) - ALTERNATOR, (188) SPARK IGNITION ENGINE (04) - ELECTRICAL SYSTEMS
FIT
1:1
100%

Артикул

Название

Примечание

Количество

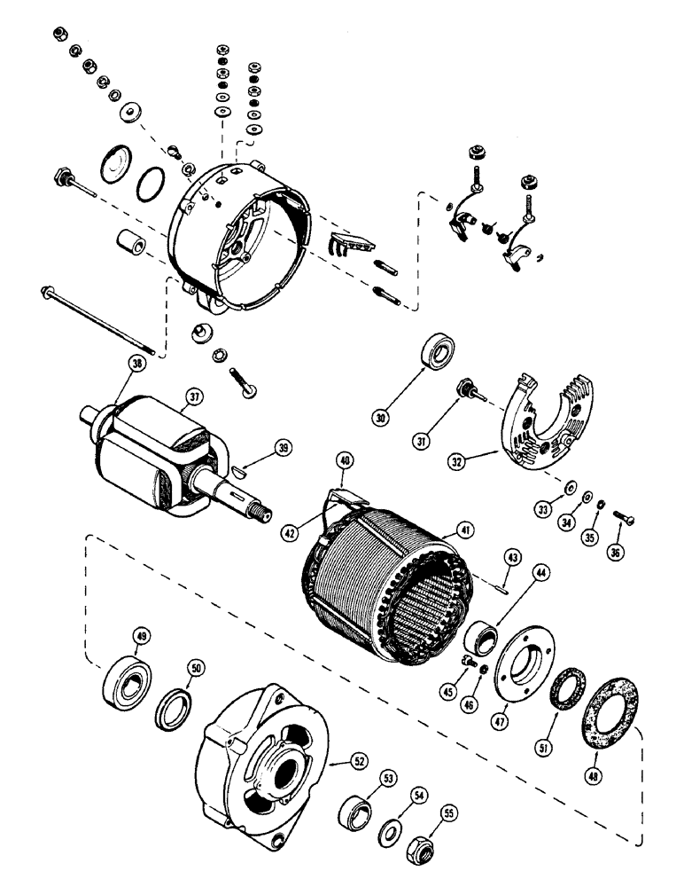
A18436

ALTERNATOR ASSY. (Cont. from Fig. 98), Includes: Ref. 30 - 55

1шт.

30

A25476

BEARING

- ball, slip ring frame

1шт.

31

A25496

DIODE - positive

1шт.

32

A25510

SINK - heat

1шт.

33

NSS

NOT SOLD SEPARAT

BUSHING - insulating, heat sink

4шт.

34

NSS

NOT SOLD SEPARAT

WASHEr - plain, sink screw

4шт.

35

92-3

LOCK WASHER,#10

WASHER, LOCK, #10

4шт.

36

NSS

NOT SOLD SEPARAT

SCREW - attaching, sink

4шт.

37

A25490

ROTOR ASSY. - alternator, Includes: Ref. 38

1шт.

38

A40863

PIPE

RING - slip

1шт.

39

126-115

WOODRUFF KEY,#8, 5/32" x 3/4", HT

Pulley, drive end #8, 5/32" x 3/4", HT

1шт.

40

A25500

HOLDER - stator terminal

1шт.

41

A25480

STATOR ASSY. - alternator, Includes: Ref. 42

1шт.

42

NSS

NOT SOLD SEPARAT

CLIP - stator terminal

1шт.

43

NSS

NOT SOLD SEPARAT

PIN - dowel, locating

1шт.

44

A25516

COLLAR - space, inside fan

1шт.

45

NSS

NOT SOLD SEPARAT

SCREW - attaching, bearing retainer

4шт.

46

NSS

NOT SOLD SEPARAT

WASHER - lock, attaching screw

4шт.

47

A25491

PLATE ASSY.

PLATE - retainer, bearing

1шт.

48

A25492

GASKET - bearing retainer

1шт.

49

A25478

BEARING - ball, drive end

1шт.

50

A25475

RETAINER - drive end

1шт.

51

NSS

NOT SOLD SEPARAT

WASHER - felt, bearing

1шт.

52

A25507

FRAME - drive end

1шт.

53

A25479

COLLAR - space, bearing

1шт.

54

NSS

NOT SOLD SEPARAT

WASHER - fan nut

1шт.

55

A25995

NUT

- shaft, drive end

1шт.

Выбрано товаров: 27