Запчасти Case W5A (154) - HYDRAULIC PUMP AND DRIVE (08) - HYDRAULICS

Схема запчастей Case W5A - (154) - HYDRAULIC PUMP AND DRIVE (08) - HYDRAULICS
FIT
1:1
100%

Артикул

Название

Примечание

Количество

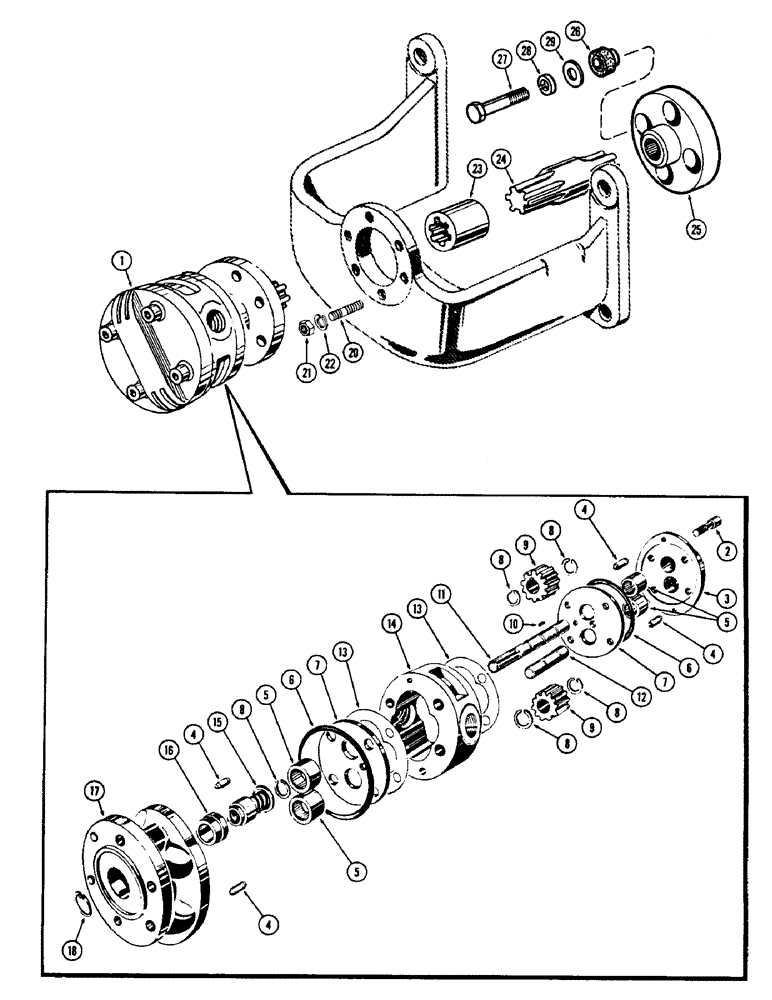
1

14230

HOSE

PUMP ASSY. - hydraulic oil, Includes: Ref. 2 - 18

1шт.

2

14253

SCREW - cover, pump

4шт.

3

14251

COVER - pump

1шт.

4

14241

HOSE

DOWEL - locating, adapter and, Serial Range: cover-housing

4шт.

5

D24009

BEARING

- shaft, pump

4шт.

6

NLS

NO LONGER SERVICED

RING - seal, pump housing

2шт.

7

14252

PLATE - wear, pump gear

2шт.

8

14245

RING, SNAP

RING - snap, gears and seal retaining

5шт.

9

NLS

NO LONGER SERVICED

GEAR - pump

2шт.

10

1958164C1

PULLEY

- locating, wear plate

1шт.

11

14235

ANCHOR

SHAFT - driver, pump

1шт.

12

14246

CHISEL

SHAFT - driven, pump

1шт.

13

NLS

NO LONGER SERVICED

GASKET - pump housing (.001")

1шт.

13

D24014

SHIM,.002" Thk

Gasket, Pump hsg. .002" Thk

1шт.

14

14249

HOUSING - pump

1шт.

15

1954976C1

SHAFT

SEAL ASSY. - pump shaft, Spindle Shaft

1шт.

16

14238

FILE

SEAT - seal assy.

1шт.

17

14233

BRACKET

ADAPTER - mounting, pump

1шт.

18

14236

SNAP RING

RING - snap, pump drive shaft

1шт.

20

A29356

STUD

- mounting, hydraulic pump

6шт.

21

25-106

NUT,3/8"-16, G5

- 3/8" N.C. hex.

6шт.

22

92-6

LOCK WASHER,3/8"

6шт.

23

A14921

COUPLING - hydraulic, Serial Range: pump-shaft

1шт.

24

A14920

SHAFT - drive, hydraulic pump

1шт.

25

G36217

HUB ASSY.

- adapter, hydraulic pump shaft, Includes: Ref. 26

1шт.

26

G36905

BLOCK

ASSY. - hub adapter

4шт.

27

13-724

BOLT,Hex, 7/16" - 14 x 1-1/2", Gr 5

Hex, 7/16"-14 x 1 1/2, G5

4шт.

28

92-7

LOCK WASHER,7/16"

4шт.

29

A30013

WASHER,11.51mm ID x 19.05mm OD x 1.59mm Thk

- mounting, hub, Serial Range: bolt-pulley

4шт.

Выбрано товаров: 29