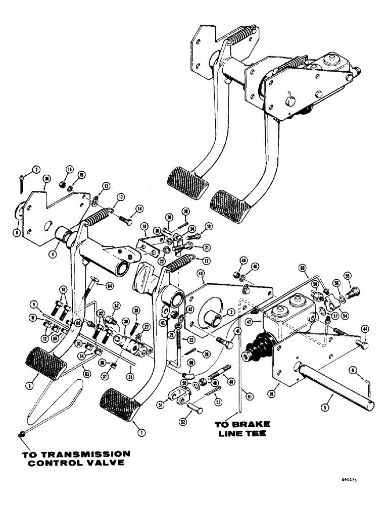
Запчасти Case W7 (152) - HYDRAULIC BRAKE SYSTEM, BRAKE PEDALS AND CLUTCH CONTROL, LATE PRODUCTION (07) - BRAKES

Схема запчастей Case W7 - (152) - HYDRAULIC BRAKE SYSTEM, BRAKE PEDALS AND CLUTCH CONTROL, LATE PRODUCTION (07) - BRAKES
FIT
1:1
100%

Артикул

Название

Примечание

Количество

1

A17382

MUFFLER

PEDAL - brake, R.H., Includes: Ref. 2

1шт.

2

A30845

BUSHING

- pedal

2шт.

3

A17383

PEDAL - brake, L.H., Includes: Ref. 4

1шт.

4

A30845

BUSHING

- pedal

2шт.

5

A17384

SHAFT - mounting, brake pedal

1шт.

6

A27275

LOCK PIN - pedal shaft

1шт.

7

132-93

COTTER PIN,3/16" x 1 1/4"

Pin, Split (Cotter), 3/16" x 1 1/4"

1шт.

8

195-553

WASHER,1", SAE

- plain (1")

1шт.

9

A17402

BRACKET - stop, brake pedal

1шт.

10

13-620

BOLT,Hex, 3/8" - 16 x 1-1/4", Gr 5, Full Thd

2шт.

11

92-6

LOCK WASHER,3/8"

2шт.

12

25-106

NUT,3/8"-16, G5

- hex. (3/8" - 16 NC)

2шт.

13

A26953

CLIP

BRACKET - spring, pedal return

2шт.

14

13-512

BOLT,Hex, 5/16" - 18 x 3/4", Gr 5

2шт.

15

92-5

LOCK WASHER,5/16"

2шт.

16

9635082

NUT,5/16" - 18, Gr 5

- hex. (5/16" - 18 NC)

2шт.

17

A10436

VALVE SPRING

SPRING - pedal return

2шт.

18

A18893

ARM - brake, Serial Range: pedal-valve

1шт.

19

13-616

BOLT,Hex, 3/8" - 16 x 1", Gr 5, Full Thd

1шт.

20

92-6

LOCK WASHER,3/8"

1шт.

21

13-828

BOLT,Hex, 1/2" - 13 x 1-3/4", Gr 5

HHCS - 1/2" - 13 NC x 1-3/4"

1шт.

22

92-8

LOCK WASHER,1/2"

1шт.

23

A19124

ROD

- connecting, Serial Range: arm-valve

1шт.

24

213-3

ADJUSTABLE CLEVIS,5/16"-24

YOKE - rod end

1шт.

25

25-115

NUT,5/16"-24, G5

- hex (5/16"-24 NF)

1шт.

26

141-3

CLEVIS PIN,5/16" x .940"

PIN, CLEVIS, , Yoke (5/16") 5/16" x .940"

1шт.

27

95-5

WASHER,3/8" x 7/8" x .083"

- plain (5/16")

1шт.

28

132-5

COTTER PIN,1/16" x 1/2"

Pin, Split (Cotter), 1/16" x 1/2"

1шт.

29

132-25

COTTER PIN,3/32" x 5/8"

Pin, Split (Cotter), 3/32" x 5/8"

1шт.

30

A18891

LOCK VALVE

VALVE - clutch control (Parts list figure 162)

1шт.

31

A18892

BRACKET - mounting, clutch control

1шт.

32

13-620

BOLT,Hex, 3/8" - 16 x 1-1/4", Gr 5, Full Thd

2шт.

33

92-6

LOCK WASHER,3/8"

2шт.

34

25-106

NUT,3/8"-16, G5

- hex. (3/8" - 16 NC)

2шт.

35

169-107

SCREW,Sl Fil Hd, #10 - 24 x 2"

- machine, slotted head (#10 - 24 NC x 2")

3шт.

36

92-3

LOCK WASHER,#10

WASHER, LOCK, #10

3шт.

37

129-7

NUT,Hex, #10 - 24

- hex. (#10 - 24 NC)

3шт.

38

A17376

PLATE - brake pedal mounting, L.H.

1шт.

39

A17378

PLATE - mounting, brake pedal and cylinder, R.H.

1шт.

40

A17379

PLATE - mounting, cylinder (Inner)

1шт.

41

13-820

BOLT,Hex, 1/2" - 13 x 1-1/4", Gr 5, Full Thd

6шт.

42

92-8

LOCK WASHER,1/2"

6шт.

43

25-108

NUT,1/2"-13, G5

- hex. (1/2" - 13 NC)

6шт.

44

13-656

BOLT,Hex, 3/8" - 16 x 3-1/2", Gr 5

HHCS - 3/8" - 16 NC x 3-1/2"

2шт.

45

92-6

LOCK WASHER,3/8"

2шт.

46

25-106

NUT,3/8"-16, G5

- hex. (3/8" - 16 NC)

2шт.

47

A13205

CYLINDER

- master, brake (Parts list figure 164)

1шт.

48

A12438

PUSH ROD - master cylinder

1шт.

49

25-117

NUT,7/16"-20, G5

- hex., jam (7/16" - 20 NF)

1шт.

50

195-29

WASHER,7/16"

- plain () 7/16"

1шт.

51

A12442

YOKE - push, Serial Range: rod-pedal

1шт.

52

A27094

PIN

- yoke, brake pedal

1шт.

53

132-48

COTTER PIN,1/8" x 1"

Pin, Split (Cotter), 1/8" x 1"

1шт.

54

A17386

FITTING

CONNECTOR - master cylinder to brake line

1шт.

55

A12864

BOLT

- special, Serial Range: connector-cylinder

1шт.

56

NLS

NO LONGER SERVICED

- connector to bolt (Small)

1шт.

57

51200242

SEAL,15.24mm ID x 20.64mm OD x 0.81mm Thk

- connector to master cylinder (Large)

1шт.

58

A12491

SWITCH

ASSY - brake, stop light

1шт.

59

222-1022

ELBOW,90 Degree, 7/16"-24 Inv Fl x 1/8" NPT

- 90 degrees, tube to control valve

1шт.

60

A19125

TUBE

- master cylinder to clutch control valve

1шт.

61

A17400

TUBE - master, Serial Range: cylinder-tee

1шт.

62

222-1012

HYD CONNECTOR,7/16"-24 Inv Fl x 1/8" NPT

CONNECTOR - tube to valve

1шт.

63

A19126

TUBE

- clutch control valve to transmission control valve

1шт.

64

17-636

BOLT - square head (3/8" - 16 NC x 2-1/4") Brake pedal stop

1шт.

65

25-106

NUT,3/8"-16, G5

- hex. (3/8" - 16 NC)

1шт.

66

25-146

JAM NUT,Jam, 3/8"-16, G5

- hex., jam (3/8" - 16 NC)

1шт.

Выбрано товаров: 66