Запчасти Case W7 (010) - CYLINDER BLOCK ASSEMBLY, (301) DIESEL ENGINE (02) - ENGINE

Схема запчастей Case W7 - (010) - CYLINDER BLOCK ASSEMBLY, (301) DIESEL ENGINE (02) - ENGINE
FIT
1:1
100%

Артикул

Название

Примечание

Количество

A40361

SHORT ENGINE

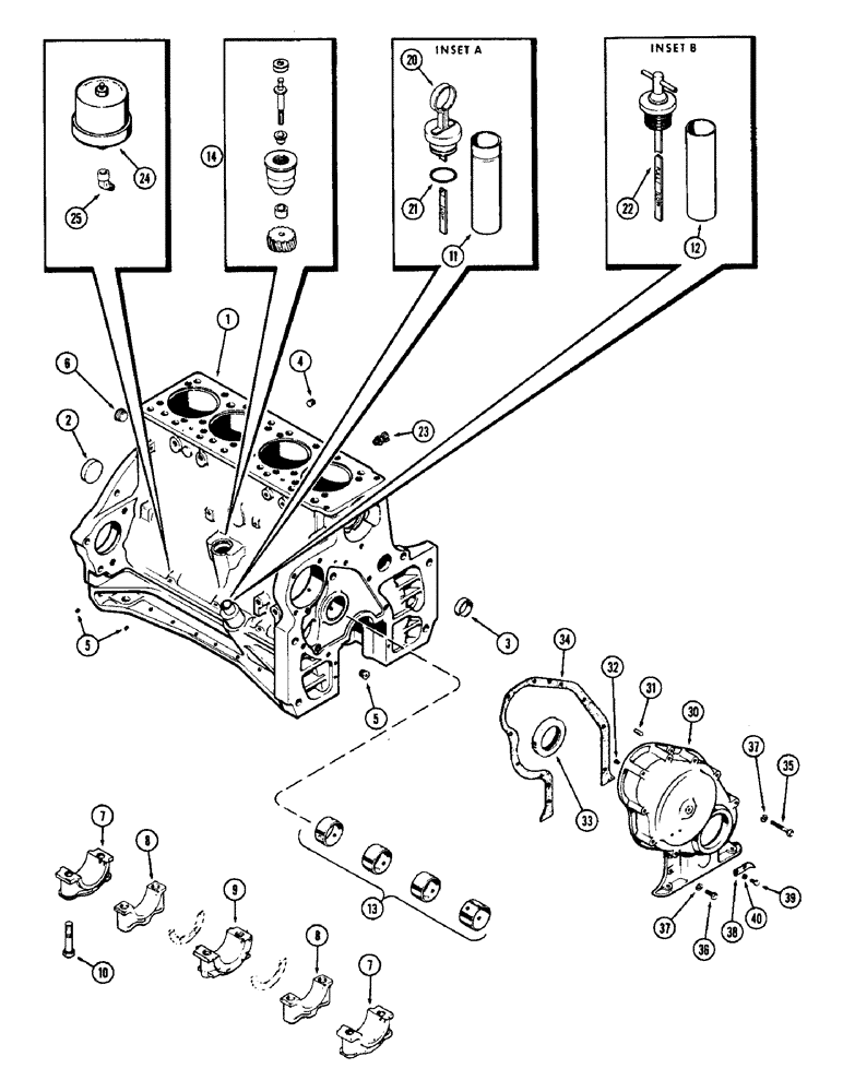
BLOCK ASSY. - cylinder, short (Casting no. A34933) (Incl. stripped block, pistons, conn. rods & brgs., crankshaft & brgs., camshaft & bushings, timing gears & cover & push rod lifters), Includes: Ref. 1 - 14

1шт.

1

A23494

BLOCK

ASSY. - cylinder, stripped (Casting no. A34933), Includes: Ref. 1 - 14

1шт.

2

A24361

PLUG

- camshaft hole, 2-3/8" cup type

1шт.

3

41-1628

PLUG,Cup, 1 3/4", Stainless

- cup, front, water gallery

1шт.

4

221-41

PLUG

- 1/8" P.T., sltd. hd.

2шт.

5

221-1843

PLUG

- 3/8" P.T., sckt. hd.

3шт.

6

221-26

DRAIN PLUG,Sq Soc, 1"-11 1/2, NTPF

PLUG - 1" P.T., sckt. hd.

1шт.

7

A24941

CAP

- bearing, crankshaft (Wide)

2шт.

8

A24942

CYLINDER END CAP

CAP - bearing, crankshaft (Narrow)

2шт.

9

A24943

CAP

- bearing, crankshaft (Thrust)

1шт.

10

A27836

SPECIAL BOLT,5/8" - 11 x 3 1/4"

- brg. cap, 5/8 x 3-1/4" N.C. spec.

10шт.

11

A34540

TUBE

SOCKET ASSY. - dipstick (See inset A), Start Serial: 2141473

1шт.

12

A20714

X

SOCKET ASSY. - dipstick (See inset B) (Order A34540 socket & A34541 dipstick), Serial Range: -2141473

1шт.

13

A23577

KIT

BUSHING KIT - camshaft (Set of 4)

1шт.

14

A33610

DRIVE

ASSY. - tachometer

1шт.

20

A34541

DIPSTICK

- oil level (See inset A), Includes: Ref. 21, Start Serial: 2141473

1шт.

21

F62075

O-RING,0.139" Thk x 0.734" ID, -210, Cl 5, 75 Duro

"O" RING - dipstick (See inset A)

2шт.

22

A20739

GAUGE

DIPSTICK - oil level (Used w/A20714 socket) (See inset B) (Order A34541 dipstick & A34540 socket), Serial Range: -2141473

1шт.

23

A23656

COCK, DRAIN

VALVE - drain, cylinder block

1шт.

24

A13794

TRANSMITTER

UNIT - sending, oil press. (Use w/cluster gauge light)

1шт.

24

A35031

SENDER UNIT

UNIT - sending, oil press. (Use w/oil press. gauge)

1шт.

25

221-1401

ELBOW,45º, 1/8"-27, NPT

- street, 45 degree x 1/8" P.T.

1шт.

30

A57403

COVER

ASSY. - timing gear (Replaces A34974), Includes: Ref. 31 - 33

1шт.

31

A27840

PIN

- cover locating, 5/16 x 3/4"

2шт.

32

A27869

BUTTON - thrust, bumper

2шт.

33

A57342

SEAL

- crankshaft front

1шт.

34

A33018

GASKET

- timing gear cover

1шт.

35

13-640

BOLT,Hex, 3/8" - 16 x 2-1/2", Gr 5

- cover, 3/8 x 2-1/2" N.C. hex.

8шт.

35

13-644

BOLT,Hex, 3/8" - 16 x 2-3/4", Gr 5

- cover, 3/8 x 2-3/4" N.C. hex.

1шт.

36

13-616

BOLT,Hex, 3/8" - 16 x 1", Gr 5, Full Thd

Cover Hex, 3/8"-16 x 1", G5, Full Thd

2шт.

37

92-6

LOCK WASHER,3/8"

10шт.

38

A21362

CLIP

POINTER - timing indicator

1шт.

39

13-48

BOLT,Hex, 1/4" - 20 x 1/2", Gr 5

Pointer Hex, 1/4"-20 x 1/2", G5, Full Thd

2шт.

40

193-73

LOCK WASHER,Ext-Int Tooth, 1/4"

WASHER - Shakeproof, 1/4" int./ext.

2шт.

Выбрано товаров: 34